2025年09月18日 09:13:59 来源:东莞市宇匠数控设备有限公司 >> 进入该公司展台 阅读量:3
与传统制造方法相比,增材制造(又称“3D 打印”) 具有以下优点:1) 可迅速制造出自由曲面和更复杂形态的零件,如零件中的凹槽、凸肩和复杂的内流道等;
2) 材料利用率高,尤其是对昂贵的稀有材料来说,可大大降低成本;3) 高度自动化,人工干预少;4) 加工效率高,尤其对难加工材料,能迅速制作出产品实体模型及模具[1−2]。在众多材料中,金属材料增材制造无疑是发展潜力的[3],根据其成形原理不同,增材制造技术包括激光熔覆、激光堆焊、激光近成形制造、激光直接沉积成形、选择性激光熔化、等离子熔积制造和电子束熔融制造等[4−6]。任何一种增材制造技术都存在尺寸精度差和表面光洁度不太理想的问题, 需要进行后处理,包括整形、抛光、喷丸等,这是由其制备过程中分层叠加造成的尺寸误差和阶梯效应决定的[7−8]。传统的减材制造(如机加工)具有高精度、高效率和高表面质量等优点,将增材制造与减材制造混合和集成在一台设备上,便产生了一种新的复合加工技术—增减材复合加工技术。增减材复合加工技术已引起越来越多研发机构的重视。如德国 Fraunhofer IPT 融合材料添加和去除方法开发了控制金属堆积技术, 在增材制造过程中,利用铣切来加工每一层的表面轮廓,制备的不锈钢零件,致密度达到 99%,并达到精度和表面光洁度要求[9];日本松浦机械制作所推出的商业化LUMEX A-vance-25 复合光造型机,用激光烧结和铣削工艺相结合的方式(SLM 烧结+铣削),实现高精度的成型效果[10];DMG MORI 推出的LASERTEC 65 3D 是台真正意义上的增/减材复合加工生产型设备,该设备可以借助高刚性的五轴联动数控铣床进行高精度的铣削加工与激光加工之间全自由切换, 实现快速三维成形和工件精度的良好控制。LASERTEC 65 3D 能够完整地加工带底切的复杂工件,能进行修复加工和对模具及机械零件,甚至零件进行局部或者全面的喷涂加工,其沉积速度达1 kg/h,比铺粉激光烧结法制造零件的速度快10 倍,目前在已经有 20 余台的应用量,特别是在欧美、日韩等发达国家。相比于国外,国内对基于增/减材复合制造技术的研究开展较晚,研究不多。华中科技大学张海鸥教授开发的“智能微铸锻铣复合制造技术”,实现了我国首超西方的微型边铸边锻的性原始创新。黄河旋风股份有限公司在全国布局了台 DMG MORI LASERTEC 65 3D 复合加工中心,主要针对传统行业难以加工的、具有复杂曲面构造的关键零部件提供定制化加工服务。异型涡轮增压壳体,底端有带分布孔的法兰,需要铣削外圆、平面和钻孔,喇叭外周有 12 个接头,必须采用焊接、铣削和钻孔等工序。
由于喇叭口大于底座的法兰,造成法兰上的孔难以加工。按照传统的减材制造的观念,这是一个工艺加工性极差、几乎无法在一台设备上加工完毕的零部件。本研究采用 LASERTEC 65 3D,通过激光直接金属沉积技术进行增材加工成形,并与铣削技术自由切换和交替进行,完成不锈钢涡轮增压壳的粉末激光直接金属沉积成形和 5 轴铣削,实现拥有最终品质零件的快速制备,优化沉积工艺参数,初步探究 DMG MORI LASERTEC 65 3D 复合加工中心进行金属合金构件增材与减材复合制造的零件加工能力水平和应用空间。
1 实验
1.1 设备和材料
采用图 1 所示的德国 DMG MORI LASERTEC 65 3D 复合加工中心,进行不锈钢涡轮增压壳的粉末激光直接金属沉积成形和 5 轴铣削加工的复合制造。设备主要参数指标如下:2 500 W 光纤激光器,波长1 030nm,光斑直径达 3 mm,成形尺寸为 650 mm×650 mm×560 mm,成形速度达 1 kg/h,比粉床铺粉方式增材制造设备的速度快 10 倍;铣削主轴转速10 000 r/min,回转轴(C 轴)360°,摆动范围(A 轴)±120°。

图 1 DMG MORI LASERTEC 65 3D 加工中心
Fig.1 DMG MORI LASERTEC 65 3D machining center
所用材料为黄河旋风股份有限公司采用惰性气体雾化法制备的 304 不锈钢粉末,粉末形貌如图 2 所示。粉末形貌呈球形,粒径范围 50~150 μm,D50 为 85 μm,粉末使用前需在 200 ℃条件下干燥 3 h;基板为直径
200 mm、厚度 20 mm 的圆形 316L 不锈钢板,打印前用砂纸打磨基板,再用乙醇清洗,以去除基板表面的磨屑和污渍,然后烘干。

图 2 304 不锈钢粉末的 SEM 形貌
Fig.2 SEM micrograph of the gas-atomized 304 stainless steel powder
1.1 增材制造
影响粉末激光直接金属沉积成形(laser directed energy deposition shaping,缩写为 LDEDS)效果的因素很多,如激光功率 P、扫描速度 v1、扫描间距及送粉速度 v2 等。本研究采用搭接率为 40%[15],对激光功率、扫描速度和送粉速度这 3 个参数进行优化。具体步骤为:首行单道次沉积实验,采用正交试验法设计
12 组实验,根据金相显微镜下观察的沉积层截面形貌,初选出 3 组较好的工艺参数;分别采用选出的 3 组较好工艺参数,制备多道次二维沉积层,沉积面积为 60 mm×20 mm,采用 VEECO DEKDAK 150 表面轮廓仪测量二维沉积层的表面粗糙度 Ra,Ra 值最小的,即被确定为的工艺参数;最后采用工艺参数,进行多道次三维 LDEDS,沉积尺寸为 100 mm×20 mm×30 mm(长×宽×高)。二维沉积层的表面粗糙度 Ra 为取样长度内轮廓偏距值的算术平均值,其计算方法为:

优化的激光增材加工工艺确定以后,颗粒尺寸为50~150 μm 的不锈钢粉末通过激光头中的管道输送到工件表面,进行多道次三维沉积,激光束将金属粉末按设备设计路径逐层沉积在 316L 不锈钢基板表层, 实现样品零件的增材成形。其间提供惰性保护气体, 避免熔覆的金属粉末氧化。金属层冷却后,即进行铣削加工,整个加工过程由带 CELOS 与 Operate 4.5 版的 Siemens 840D Solutionline 系统实现自动化控制。
1.3 增/减材复合制造
在 DMG MORI LASERTEC 65 3D 复合加工中心上,通过激光直接金属沉积技术进行增材加工成形, 并与铣削技术自由切换,完成不锈钢涡轮增压壳的末激光直接金属沉积成形和 5 轴铣削加工的复合制造,实现拥有最终品质零件的快速制备。
1.4 性能测试
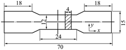
采用线切割法在多道次三维沉积样品上截取标准拉伸试样(GB6397-86)和金相试样。拉伸试样尺寸如图3 所示。在 INSTRON 3369 型试验机上进行力学性能测试,预载 200 N,拉伸速度为 1 mm/min,用Quanta 200 型扫描电镜(SEM)观察拉伸断口形貌,分析激光近净成型零件的断裂特性,并使用能谱仪对断面进行微区成分分析。金相试样观察截面首先用200~600 目的砂纸粗磨,然后再用 800~2 000 目的砂纸进行精磨。磨好的试样在抛光机上抛光,然后用水和酒精清洗干净,腐蚀后在 EPIPHOT−300 型金相显微镜下观察显微组织。
图 3 拉伸试样形状示意图
Fig.3 Schematic diagram of figure of the tensile specimen (Unit: mm)
2 结果与讨论
2.1 LDEDS 工艺参数优化
2.1.1 单道次一维 LDEDS
表1 所列为正交试验设计的12 组单道次沉积工艺
参数和沉积层的截面尺寸,图 4 所示为典型的单道次一维沉积层截面形貌。粉末凝固形成的熔化道在基板以上部分形成一个类似的圆弧形状,在基板表面以下, 还形成了一个穿透基板的熔透区域。通过金相显微镜和微观形状测量,对熔化道的宽度、高度、熔透深度及润湿角进行对比分析。根据单道次沉积的截面形貌均匀性和润湿性分析[15],最终选取 2#,7#和 12#工艺参数来制备多道次二维沉积层。
2.1.1 多道次二维沉积
取 2#,7#和 12#工艺参数进行多道次二维单层沉积。测量沉积样品的表面粗糙度,测量方向垂直于扫描线方向,测量结果如图 5 所示。表 2 所列为不同工艺参数下多道次二维沉积层的表面粗糙度 Ra。由表可 知,12#沉积层样品的 Ra 值最小(11.94 μm),选择该组工艺参数(激光功率 2 400 W,扫描速度 1 000 mm/min,送粉速率14 g/min)进行不锈钢粉的LDEDS 增材制造。



2.1.1 多道次三维沉积
采用优化的工艺参数(激光功率为 2 400 W,扫描速度为 1 000 mm/min,送粉速率为 14 g/min)进行多道次三维沉积,对沉积部位取标准拉伸试样 3 个,图 6所示为 3 个试样的拉伸应力−应变曲线,测试结果列于表 3。从结果看出 LDEDS 试样的抗拉强度达到 632 MPa,伸长率为 46.9%。对比行业标准,其力学性能与同材质的锻造件相当,明显高于铸造件。

图 7 所示为 304 不锈钢粉末激光直接金属沉积成形件的拉伸断口形貌。可见断口分布着大量均匀细小的韧窝,试样为韧性断裂。这些韧窝的产生是由于在加载达到屈服强度时,材料开始塑性变形,但仍然可以观察到极少量的孔洞和夹杂等缺陷,以致产生应力集中,从而导致断裂。对夹杂物进行能谱分析,其主要成分是 SiO2,还有少量其它氧化物,这些不规则氧化夹杂物可能来自粉末原料或者沉积过程中形成的, 夹杂物的存在导致在该处产生应力集中,裂纹易于形成。因此,要提高激光堆焊成型部件的力学性能,应适当控制原料粉末的洁净度,以防氧化物夹杂的出现。

图 7 激光直接金属沉积成形件的拉伸断口形貌(a)及缺陷分析(b)
Fig.7 Fracture surface morphology (a) and defect elemental analysis (b) of tensile specimen
2.1 铣削加工
在 LASERTEC 65 3D 设备上对多道次三维
LDEDS 样件进行铣削加工,图 8 所示为铣削后的形貌。加工时切屑与刀具无粘附现象,切屑呈淡黄色,
铣削面的表面形貌如图 8(a)所示,基本无积屑瘤和鳞刺,可达到减材加工表面质量要求。图 8(b)为铣削件的截面形貌,可见沉积件为理想的等轴晶组织,这与沉积件力学性能优良相一致。
2.1 涡轮壳的增/减材复合制造
在 DMG MORI LASERTEC 65 3D 复合加工中心
上,通过激光直接金属沉积技术进行增材加工成形, 与铣削技术自由切换,完成不锈钢涡轮增压壳的粉末激光直接金属沉积成形增材制造和 5 轴铣削减材加工的复合制造,实现拥有最终品质零件的快速制备。增材工艺参数为:激光功率2 400 W,扫描速度1 000 mm/
min,送粉速率 14 g/min。增/减材复合加工工艺流程如图 9 所示:1) 圆柱环的激光成形(增);2) 法兰的激光成形(增);3) 铣削法兰平面(减);4) 法兰钻孔
(减);5) 圆柱连续成形(增);6) 堆焊横截面(增);7) 激光成形圆锥口(增);8) 第二法兰的激光成形(增);9) 12 个接头的激光成形(增);10) 铣削内圆弧型腔(减);11) 铣削法兰与内轮廓(减);12) 铣削接头(减)。零件的整个加工过程实现了如法兰钻孔、接头生产等难加工部件的一次成形,激光直接金属沉积成形时间 230 min, 铣削加工时间 76 min,较传统加工方式效率提高 5~8 倍。最终成形零件如图 10 所示,均达到最终的精度设计要求。

图 8 铣削件的表面与截面显微组织
Fig.8 Microstructure of the milling test piece surface (a) and cross section (b)

图 9 涡轮壳的增/减材复合制造工序图
Fig.9 Additive/subtractive hybrid manufacturing process drawings of the turbo-housing

图 10 异型涡轮增压壳体零件
Fig.10 Irregular turbocharged housing
结论
1) 采用 DMG MORI LASERTEC 65 3D 复合加工中心,完成不锈钢涡轮增压壳的粉末激光直接金属沉积成形和 5 轴铣削加工的复合制造,的沉积工艺参数为:激光功率为 2 400 W,扫描速度为 1 000 mm/ min,送粉速率为 14 g/min,沉积件获得理想的等轴晶组织,其抗拉强度和伸长率分别达到 632 MPa 和46.9%,与同行业标准相当。
2) 用DMG MORI LASERTEC 65 3D 复合加工中心,可完成不锈钢异型涡轮增压壳体的粉末激光直接金属沉积成形和 5 轴铣削的复合加工制造,在保证工件精度的前提下,能较好地实现如法兰钻孔、接头生产等难加工部件的一次性成形。