2025年09月18日 09:52:43 来源:东莞市宇匠数控设备有限公司 >> 进入该公司展台 阅读量:5
常用电器的选择
2.1.1伺服电机的选择
伺服电机是电气元件选型的依据。机床的机械设计完成后,根据各坐标传动系统的机械数据以及该轴的设计指标,可以选择出合适的伺服电机。合理的选择伺服电机是从驱动机械设备的具体对象,加工规范,也就是从机械设备的使用条件出发,经济,合理,安全等多方面考虑,使电动机可以安全可靠地运行,伺服电机的选择有三个原则:
(1) 传动方式
(2) 电机负载的大小
(3) 电机的转速
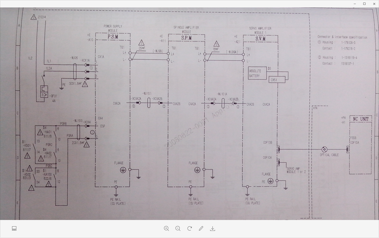
2.1.2低压元器件的选择
低压电器元件是指工作在直流1200V,交流1500V,以及以下的电路中,以实现对电路或非电对象的控制,检测,保护,变换,调节,等作用的电气。
(1) 电源:根据自动装配自动控制系统的功能和实际输入输出设备的情况,系统选用交流200V为供电电源,(三相380V经过伺服变压器转变为三相200V),经过直流变压器,或者开关电源变为直流24V为控制系统PLC,手动按钮,传感器,电磁换向阀供电。
(2) 按钮:按钮在低压控制电路中用于手动发出控制信号,
(3) 低压断路器:低压断路器俗称自动空气开关,是一种既有手动开关作用又能经行自动经行欠电压,失电压,过载和短路保护的电器,
(4) 接触器,继电器:根据不同需要选择相应型号的接触器,继电器,以实现系统对电单元,驱动单元,水泵电机,油泵电机,排屑电机等负载设备的控制。
(5) 系统主板:根据不同设备类型选择相应功能的主板,发那科0i系统主板和系统的CRT显示器集成于一体,用总线和系统的I/O以及驱动单元连接通信。
(6) 电单元,以及驱动单元:在选择好伺服电机后根据伺服电机的型号查找相对应的电单元以及驱动单元。一般立式加工中心需要配置X,Y,Z三个驱动轴,和一个串行主轴。
2.2电气原理图的基本要求
2.2.1电气原理图:
电气原理图是一种反映电子设备中各元器件的电气连接情况的图纸,电路由一些抽象的符号按照一定规律构成,通过对电路图的了解和分析,我们就可以了解生产机械以及设备电路结构和工作原理。
2.2.2电气原理图的构成要素
(1)图形符号:各元器件的符号连接起来可以反映出控制系统的电路结构。
(2)文字符号:在图形符号旁标有该电气元件的文字符号,可以理解和阐述电路图的原理。
(3)注释性字符:用来说明元器件的数值大小,或者具体型号。
2.2.3电气原理图示例
(1)I./O输入输出的画法



(2)驱动单元的画法

