2025年09月19日 08:26:33 来源:东莞市宇匠数控设备有限公司 >> 进入该公司展台 阅读量:6
加工图所示零件,毛坯为¢50mm×20mm的圆盘(上、下面和圆柱面已加工好),材料为45钢,单件生产。

简单型腔零件
任务实施的具体方法及步骤
加工工艺的确定
1.分析零件图样
该零件要求加工矩形型腔,表面粗糙度要求为Ra3.2μm。
2.工艺分析
1)加工方案的确定
根据零件的要求,型腔加工方案为:型腔去余量→型腔轮廓粗加工→型腔轮廓精加工。
2)确定装夹方案
选三爪卡盘夹紧,使零件伸出5mm左右。
3)确定加工工艺
加工工艺见表。
数控加工工序卡片
数控加工工艺卡片 | 产品名称 | 零件名称 | 材 料 | 零件图号 | |||||||
45钢 | |||||||||||
工序号 | 程序编号 | 夹具名称 | 夹具编号 | 使用设备 | 车 间 | ||||||
三爪卡盘 | |||||||||||
工步号 | 工 步 内 容 | 刀具号 | 主轴转速 /(r/min) | 进给速度 /(mm/min) | 背吃刀量 /mm | 侧吃刀量 /mm | 备注 | ||||
1 | 型腔去余量 | T01 | 400 | 100 | 4 | ||||||
2 | 型腔轮廓粗加工 | T01 | 400 | 120 | 4 | 0.7 | |||||
3 | 型腔轮廓精加工 | T01 | 600 | 60 | 4 | 0.3 | |||||
4)进给路线的确定
(1)型腔去余量走刀路线
型腔去余量走刀路线如图所示。刀具在1点螺旋下刀(螺旋半径为6mm),再从1点至2点,采用行切法去余量。

型腔去余量走刀路线
图8-4中各点坐标如表8-2所示。
表8-2 型腔去余量加工基点坐标
1 | (-4,-7) | 2 | (-10,-10) | 3 | (10,-10) |
4 | (10,-3) | 5 | (-10,-3) | 6 | (-10,3) |
7 | (10,3) | 8 | (10,10) | 9 | (-10,10) |
(2)型腔轮廓加工走刀路线
型腔轮廓加工走刀路线如图所示。刀具在1点下刀后,再从1点→2点→3点→4点→……,采用环切法加工型腔轮廓。

型腔轮廓加工走刀路线
图中各点坐标如表所示。
型腔轮廓加工基点坐标
1 | (-10,0) | 2 | (-10,7) | 3 | (-17,0) |
4 | (-17,-10) | 5 | (-10,-17) | 6 | (10,-17) |
7 | (17,-10) | 8 | (17,10) | 9 | (10,17) |
10 | (-10,17) | 11 | (-17, 10) | 12 | (-10,-7) |
5)刀具及切削参数的确定
刀具及切削参数见表8-4。
数控加工刀具卡
数控加工 刀具卡片 | 工序号 | 程序编号 | 产品名称 | 零件名称 | 材 料 | 零件图号 | ||||||||
45 | ||||||||||||||
序号 | 刀具号 | 刀具名称 | 刀具规格/mm | 补偿值/mm | 刀补号 | 备注 | ||||||||
直径 | 长度 | 半径 | 长度 | 半径 | 长度 | |||||||||
1 | T01 | 立铣刀(3齿) | Ф12 | 实测 | 6.3 6 | 实测 | D01 D02 | 高速钢 | ||||||
参考程序编制
1.工件坐标系的建立
以图示的上表面中心作为G54工件坐标系原点。
2.基点坐标计算(略)
3.参考程序(型腔加工时采用键槽铣刀直接下刀)
参考程序
程序 | 说明 |
O8001 | 主程序名 |
N10 G54 G90 G17 G40 G80 G49 G21 | 设置初始状态 |
N20 G00 Z50 | 安全高度 |
N30 G00 X-4 Y-7 S400 M03 | 启动主轴,快速进给至下刀位置(点1,见图8-4) |
N40 G00 Z5 M08 | 接近工件,同时打开冷却液 |
N50 G01 Z0 F60 | 接近工件 |
N60 G03 X-4 Y-7 Z-1 I-3 | 螺旋下刀 |
N70 G03 X-4 Y-7 Z-2 I-3 | |
N80 G03 X-4 Y-7 Z-3 I-3 | |
N90 G03 X-4 Y-7 Z-4 I-3 | |
N100 G03 X-4 Y-7 Z-4 I-3 | 修光底部 |
N110 G01 X-10 Y-10 F100 | 1→2(见图8-4) |
N120 X10 | 2→3 |
N130 Y-3 | 3→4 |
N140 X-10 | 4→5 |
N150 Y3 | 5→6 |
N160 X10 | 6→7 |
N170 Y10 | 7→8 |
N180 X-10 | 8→9 |
N190 G01 X-10 Y0 | 进给至型腔轮廓加工起点(点1,见图8-5) |
N200 M98 P8002 D01 F120 | 调子程序O8002,粗加工型腔轮廓,D01=6.3 |
N210 M98 P8002 D02 F60 S600 | 调子程序O8002,精加工型腔轮廓,D02=6 |
N220 G00 Z50 M09 | Z向抬刀至安全高度,并关闭冷却液 |
N230 M05 | 主轴停 |
N240 M30 | 主程序结束 |
子程序 | |
O8002 | 子程序名 |
N10 G41 G01 X-10 Y7 | 1→2(见图8-5),建立刀具半径补偿 |
N20 G03 X-17 Y0 R7 | 2→3 |
N30 G01 Y-10 | 3→4 |
N40 G03 X-10 Y-17 R7 | 4→5 |
N50 G01 X10 | 5→6 |
N60 G03 X17 Y-10 R7 | 6→7 |
N70 G01 X17 Y10 | 7→8 |
N80 G03 X10 Y17 R7 | 8→9 |
N90 G01 X-10 | 9→10 |
N100 G03 X-17 Y10 R7 | 10→11 |
N110 G01 Y0 | 11→3 |
N120 G03 X-10 Y-7 R7 | 3→12 |
N120 G40 G00 X-10 Y0 | 12→1,取消刀具半径补偿 |
N130 M99 | 子程序结束 |
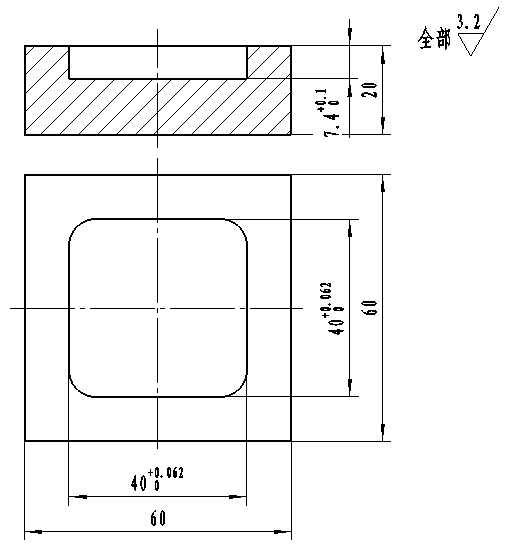
布置作业
练习编写图所示零件(未注圆角半径为R6)的型腔加工工艺及程序。毛坯为60mm×60mm×20mm的长方块(六面已加工好),材料为45钢,单件生产。
