2025年09月19日 08:28:08 来源:东莞市宇匠数控设备有限公司 >> 进入该公司展台 阅读量:6
【例1】使用刀具半径补偿功能完成如图9-1所示轮廓加工的编程。
图9-1 刀具半径补偿过程
参考程序如下:
O5001
N10 G90 G54 G00 X0 Y0 M03 S500
N20 G00 Z50.0 安全高度
N30 Z10 参考高度
N40 G41 X20 Y10 D01 建立刀具半径补偿
N50 G01 Z-10 F50 下刀
N60 Y50
N70 X50
N80 Y20
N90 X10
N100 G00 Z50 抬刀到安全高度
N110 G40 X0 Y0 M05 取消刀具半径补偿
N120 M30 程序结束
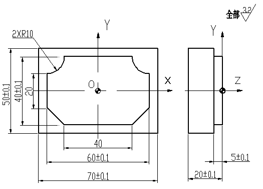
【例2】加工如图9-2所示零件凸台外轮廓,毛坯为70mm×50mm×20mm长方块(其余面已经加工),材料为45钢,单件生产。

任务实施的具体方法及步骤
加工工艺的确定
1.分析零件图样
零件轮廓由直线和圆弧组成,尺寸精度约为IT11,表面粗糙度全部为Ra3.2μm,没有形位公差项目的要求,整体加工要求不高。
2.工艺分析
1)加工方案的确定
根据图样加工要求,采用立铣刀粗铣→精铣完成。
2)确定装夹方案
该零件为单件生产,且零件外型为长方体,可选用平口虎钳装夹。工件上表面高出钳口8mm左右。
3)确定加工工艺
加工工艺见表9-1。
表9-1 数控加工工序卡
数控加工工艺卡片 | 产品名称 | 零件名称 | 材 料 | 零件图号 | |||||||
45钢 | |||||||||||
工序号 | 程序编号 | 夹具名称 | 夹具编号 | 使用设备 | 车 间 | ||||||
虎钳 | |||||||||||
工步号 | 工 步 内 容 | 刀具号 | 主轴转速 /(r/min) | 进给速度 /(mm/min) | 背吃刀量 /mm | 侧吃刀量 /mm | 备注 | ||||
1 | 粗铣外轮廓 | T01 | 500 | 120 | 4.8 | ||||||
2 | 精铣外轮廓 | T01 | 600 | 90 | 5 | 0.3 | |||||
4)进给路线的确定
在数控加工中,刀具刀位点相对于工件运动的轨迹称为加工路线。为了保证表面质量,进给路线采用顺铣和圆弧进退刀方式,采用子程序对零件进行粗、精加工,该零件进给路线如图所示。

加工路线图
5)刀具及切削参数的确定(表格)
刀具及切削参数见表。
数控加工刀具卡
数控加工 刀具卡片 | 工序号 | 程序编号 | 产品名称 | 零件名称 | 材 料 | 零件图号 | |||||||
45 | |||||||||||||
序号 | 刀具号 | 刀具名称 | 刀具规格/mm | 补偿值/mm | 刀补号 | 备注 | |||||||
直径 | 长度 | 半径 | 长度 | 半径 | 长度 | ||||||||
1 | T01 | 立铣刀(3齿) | ¢16 | 实测 | 8.3 8 | D01 D02 | 高速钢 | ||||||
参考程序编制
1.工件坐标系的建立
为使编程方便,工件坐标系建立在左右和前后对称中心线的交点上,Z轴0点在工件上表面。
2.基点坐标计算
3.参考程序
主程序 | |
程序 | 说明 |
O5004 | 主程序名 |
N10 G90 G54 G00 X0 Y-40 | 建立工件坐标系,快速进给至下刀位置A点(图5-24) |
N20 M03 S500 | 启动主轴 |
N30 Z50 M08 | 主轴到达安全高度,同时打开冷却液 |
N40 Z10 | 接近工件 |
N50 G01 Z-4.8 F120 | Z向下刀 |
N60 M98 P5011 D01 | 调用子程序粗加工零件轮廓,D01=8.3 |
N70 G00 Z50 M09 | Z向抬刀并关闭冷却液 |
N80 M05 | 主轴停 |
N90 G91 G00 Y200 | Y轴工作台前移,便于测量 |
N100 M00 | 程序暂停,进行测量 |
N110 G54 G90 G00 Y0 | Y轴返回 |
N120 M03 S600 | 启动主轴 |
N130 Z50 M08 | 刀具到达安全高度并开启冷却液 |
N140 Z10 | 接近工件 |
N150 G01 Z-5 F90 | Z向下刀 |
N160 M98 P5011 D02 | 调用子程序零件轮廓精加工 D02=8 |
N170 G00 Z50 M09 | 刀具到达安全高度,并关闭冷却液 |
N180 M05 | 主轴停 |
N190 M30 | 主程序结束 |
备注:如四个角落有残留,可手动切除。 | |
子程序 | |
程序 | 说明 |
N10 O5011 | 子程序名 |
N20 G41 G01 X20 | 建立刀具半径补偿,A→B(图5-24) |
N30 G03 X0 Y-20 R20 | 圆弧切向切入B→C |
N40 G01 X-20 Y-20 | 走直线C→D |
N50 X-30 Y-10 | 走直线D→E |
N60 Y10 | 走直线E→F |
N70 G03 X-20 Y20 R10 | 逆圆插补F→G |
N80 G01 X20 | 走直线G→H |
N90 G03 X30 Y10 R10 | 逆圆插补H→I |
N100 G01 Y-10 | 走直线I→J |
N110 X20 Y-20 | 走直线J→K |
N120 X0 | 走直线K→C |
N130 G03 X-20 Y-40 R20 | 圆弧切向切出C→L |
N140 G40 G00 X0 | 取消刀具半径补偿,L→A |
N150 M99 | 子程序结束 |
布置作业
加工如图所示零件凸台外轮廓(单件生产),毛坯为96mm×80mm×20mm长方块(其余面已经加工),材料为45钢。

轮廓加工