2025年09月19日 08:41:14 来源:东莞市宇匠数控设备有限公司 >> 进入该公司展台 阅读量:5
一、实训目的与要求
通过典型零件编程与加工,进一步熟悉和掌握HNC-21M数控系统常用指令的编程与加工工艺,加深对数控加工中心工作原理的了解;
二、实训仪器与设备
(1) 配HNC-21M数控系统的ZJK7532A-3/4数控加工中心。
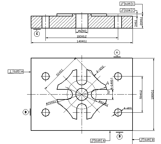
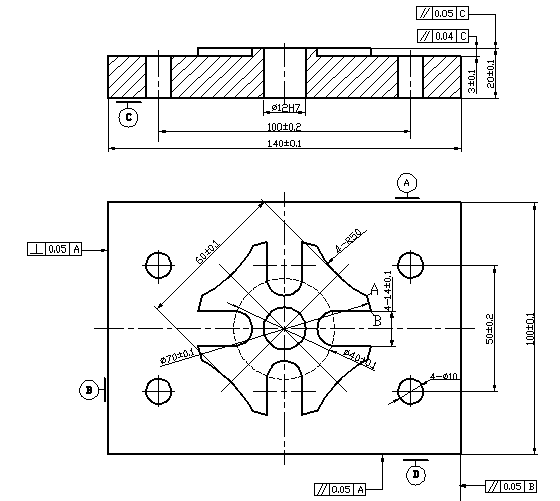
(2) 材料:硬铝 尺寸 140X100X20
刀具 ø12的立铣刀 ø2.5中心钻 ø10钻头 ø11.8钻头 ø12H7铰刀
三、相关知识概述
数控加工中心的主要加工对象为平面类零件、箱体类零件和曲面类零件,还能进行数控钻、镗、锪、铰及攻螺纹等孔加工操作。由于数控加工中心没有刀库,不具有自动换刀功能,所以其加工程序的编制比较简单;通常数值计算量不大的平面轮廓加工程序或孔加工程序可直接通过手工编程完成。
四、实训的内容
(1)HNC-21M数控系统编程指令格式,编制出如图所示零件的加工程序。
(2)根据上述加工零件,制定加工工艺。
1.工艺分析。
① 技术要求。毛坯四周、底面、顶面已预先加工
② 加工工艺的确定。装夹定位的确定:采用机用虎钳装夹。工艺路线的确定:粗加工
半精加工
精加工
③ 加工刀具的确定:ø12立铣刀 ø2.5中心钻 ø10钻头 ø11.8钻头 ø12H7铰刀
④ 切削用量: ø12立铣刀 主轴转速800r/min , 进给速度 200mm/min
ø2.5中心钻 主轴转速1500r/min , 进给速度200mm/min
ø10钻头 主轴转速1000r/min , 进给速度200mm/min
ø11.8钻头 主轴转速1000r/min , 进给速度 200mm/min
ø12H7铰刀 主轴转速300r/min , 进给速度 50mm/min

2)数学计算 B点的坐标(34.293, 7),A点的坐标(32.625, 12.675)
3)程序编辑
%0001
T01M06(Ф12立铣刀)
G54G90G40G49
M03S1000
G0X-65Y60
G43H01Z10
M08
G01Z-3F300
Y-40.49
X-55
Y40.49
X-45
Y-40.49
X-40.49
Y-36
X-24
Y-30
X-40.49
Y30
X-24
Y36
X-40.49
Y40.49
X60
Y-40.49
X50
Y40.49
X44
Y-40.49
X40.49
Y-36
X24
Y-30
X40.49
Y30
X24
Y36
X40.49
Y40.49
G0Z10
X40.49Y-40.49
G01Z-3F100
X-40.49
X-62Y-46.8
X62
G0Z10
Y46.8
G01Z-3
X-62
G0Z10
G0X-50Y0
G01Z-3F300
G41D01Y7
G01X-34.293
M98P1012
G68X0Y0P-90
M98P1012
G68X0Y0P-180
M98P1012
G68X0Y0P-270
M98P1012
G69
G02X35Y0R35
G01G40X50
G49G0Z100
M09
M05
T02M06(Ф2.5中心钻)
M03S1800
G00X-50Y25
G43H03Z20
M08
G99G81R5Z-4.5F200
M98P1013
G0X0Y0
G99G81R5Z-4.5F200
G49G0Z100
M09
M05
T03M06(Ф10钻头)
M03S1500
G00X-50Y25
G43H03Z20
M08
G99G83R5Q-3K2Z-25F200
M98P1013
G0X0Y0
G99G83R5Q-3K2Z-25F200
G49G0Z100
M09
M05
T04M06(Ф11.8钻头)
M03S1500
G00X0Y0
G43H04Z20
M08
G99G81R5Z-25F150
G49G0Z100
M09
M05
T05M06(Ф12H7铰刀)
M03S350
G00X0Y0
G43H05Z20
M08
G99G85R5Z-25F80
G49G0Z100
M09
M05
M30
子程序
%1012
G01X-34.293Y-7
X-20
G03Y7R7
G01X-34.293
G02X-32.62Y12.67R35
G03X-12.67Y32.62R50
G02X-7Y34.293R35
M99
子程序
%1013
X50
Y-25
X-50
M99
五、实训总结
数控机床适合加工形状复杂的零件,对工人的技能要求不高,且不受人为因素的影响;对于批量加工的零件,其一致性好,加工效率高。对于加工余量大且相对均匀的零件的加工,可采用调用子程序的方法。。
六、实训报告
(1) 零件加工设备的概述(系统名称、机床型号)。
(2) 零件加工过程的概述(零件图、工艺路线、加工程序)。
(3) 根据本次实训,总结数控加工中心加工零件的全过程。
