2025年09月19日 08:51:41 来源:东莞市宇匠数控设备有限公司 >> 进入该公司展台 阅读量:6
在数控编程时,为了描述机床的运动,简化程序编制的方法及保证记录数据的互换性,数控机床的坐标系和运动方向均已标准化,目前国际上数控机床的坐标轴和运动方向均已实现标准化。掌握机床坐标系、编程坐标系、加工坐标系等概念,是具备人工设置机床加工坐标系的基础。
(1)机床相对运动的规定。无论机床在实际加工中是工件运动还是刀具运动,在确定编程坐标时,一般看作是工件相对静止,而刀具运动这一原则可以保证编程人员在不确定机床加工零件时是刀具移向工件,还是工件移向刀具的情况下,都可以根据图纸或数模进行手工或自动数控编程。
为了确定机床的运动方向和移动距离,需要在机床上建立一个坐标系,这个坐标系就是机床坐标系。数控机床上的标准坐标系采用右手直角笛卡儿坐标系,如图1.9所示。

图1.9 机床坐标系
(2)机床坐标系的规定。在确定机床坐标轴时,一般先确定Z轴,然后确定X轴和Y轴,最后确定其他轴。机床某一零件运动的正方向,是指增大工件和刀具之间距离的 方向。
① Z轴:Z轴的方向是由传递切削力的主轴确定的,与主轴轴线平行的坐标轴即是Z轴,Z坐标的正向为刀具离开工件的方向。如果机床上有几个主轴,则选一个垂直于工件装夹平面的主轴方向为Z坐标方向;如果主轴能够摆动,则选垂直于工件装夹平面的方向为Z坐标方向;如果机床无主轴,则选垂直于工件装夹平面的方向为Z坐标方向。
② X轴:X轴是水平轴,平行于工件的装夹面,且垂直于Z轴。这是在刀具或工件定位平面内运动的主要坐标。对于工件旋转的机床(如车床、磨床等),X坐标的方向是在工件的径向上,且平行于横滑座。刀具离开工件旋转中心的方向为X轴正方向。
③ Y轴:Y坐标轴垂直于X、Z坐标轴。Y运动的正方向根据X和Z坐标的正方向,按照右手直角笛卡儿坐标系来判断。
④ 旋转坐标轴:围绕坐标轴X、Y、Z旋转的运动,分别用A、B、C表示。它们的正方向用右手螺旋法则判定,如图1.9所示。
⑤ 附加轴:如果在X、Y、Z主要坐标以外,还有平行于它们的坐标,可分别指定第2组U、V、W坐标,第3组P、Q、R坐标。
常见类型数控机床的坐标系如图1.10~图1.16所示。

图1.10 二轴数控车床的坐标系 图1.11 三轴数控铣床的坐标系

图1.12 带旋转头的四轴铣床的坐标系 图1.13 带旋转工作台头的四轴铣床的坐标系

图1.14 带旋转头和工作台的五轴铣床的坐标系 图1.15 带双旋转工作台的五轴铣床的坐标系

图1.16 带双旋转头的五轴铣床的坐标系
工件坐标系是用于确定工件几何图形上各几何要素(点、直线和圆弧)的位置而建立的坐标系。工件坐标系的原点即是工件零点。选择工件零点时,把工件零点放在工件图的尺寸能够方便地转换成坐标值的地方。车床工件零点一般设在主轴中心线上,工件的右端面或左端面。铣床工件零点,一般设在工件外轮廓的某个角上,进刀深度方向的零点,大多取在工件表面。工件零点的一般选用原则如下:
³ 工件零点选在工件图样的尺寸基准上,这样可以直接用图纸标注的尺寸,作为编程点的坐标值,减少计算工作量。
³ 能使工件方便地装夹、测量和检验。
³ 工件零点尽量选在尺寸精度较高的工件表面上。这样可以提高工件的加工精度和同一批零件的一致性。
³ 对于有对称形状的几何零件,工件零点选在对称中心上。
机床原点是指机床坐标系的原点,即X=0,Y=0,Z=0。机床原点是机床的基本点,它是其他所有坐标,如工件坐标系、编程坐标系,以及机床参考点的基准点。从机床设计的角度看,该点位置可以是任意点,但对某一具体机床来说,机床原点是固定的。数控车床的原点一般设在主轴前端的中心(如图1.17所示)。数控铣床的原点位置各生产厂家不一致,有的设在机床工作台中心,有的设在进给行程范围的终点(如图1.18所示)。
机床参考点是用于对机床工作台、滑板以及刀具相对运动的测量系统进行定标和控制的点,有时也称机床零点。它是在加工之前和加工之后,用控制面板上的回零按钮使移动部件退回到机床坐标系中的一个固定不变的极限点。机床参考点的位置是由机床制造厂家在每个进给轴上用限位开关精确调整好的,坐标值已输入数控系统中,因此参考点对机床原点的坐标是一个已知数。数控机床在工作时,移动部件必须首先返回参考点,测量系统置零之后即可以参考点作为基准,随时测量运动部件的位置,刀具(或工作台)移动才有基准。

图1.17 车床的机床原点 图1.18 铣床的机床原点
通常在数控铣床上机床原点和机床参考点是重合的;而在数控车床上机床参考点是离机床原点最远的极限点。数控车床的参考点与机床原点如图1.19所示。

图1.19 数控车床的参考点与机床原点
编程坐标系是编程人员根据零件图样及加工工艺等建立的坐标系。编程坐标系一般供编程使用,确定编程坐标系时,不必考虑工件毛坯在机床上的实际装夹位置,如图1.20所示,其中O2即为编程坐标系原点。

图1.20 编程坐标系和编程原点
为了编程方便,需要在图纸上选择一个适当的位置作为编程原点,即程序原点或程序零点。对于简单零件,工件零点一般就是编程原点,这时的编程坐标系就是工件坐标系。而对于形状复杂的零件,需要编制几个程序或子程序。为了编程方便和减少坐标值的计算,编程原点就不一定设在工件零点上,而设在便于程序编制的位置。
对刀点就是在数控加工时,刀具相对于工件运动的起点(编制程序时,不论实际是刀具相对于工件运动,或是工件相对于刀具运动,都看作工件是相对静止的,而刀具在运动),程序就是从这一点开始的。对刀点也可以称为“程序起点”或“起刀点”。编制程序时应首先考虑对刀点的位置选择。选定的原则如下:① 选定的对刀点位置应使程序编制简单。② 对刀点在机床上找正容易。③ 加工过程中检查方便。④ 引起的加工误差小。
对刀点可以设在被加工零件上,也可以设在夹具上,但是必须与零件的定位基准有一定的坐标尺寸联系,这样才能确定机床坐标系与零件坐标系的相互关系。对刀点不仅是程序的起点而且往往又是程序的终点。因此在批量生产中就要考虑对刀的重复精度,通常,对刀的重复精度在坐标系统的数控机床上可由对刀点距机床原点的坐标值来校核,在相对坐标系统的数控机床上,则经常要人工检查对刀精度。
当工件在机床上固定以后,程序原点与机床参考点的偏置量必须通过测量来确定。现代CNC系统一般都配有工件测量头,在手动操作下能准确地测量该偏移量,存入G54到G59原点偏置寄存器中,供CNC系统原点移置计算用。在没有工件测量头的情况下,程序原点位置的测量要靠对刀的方式进行。
图1.21描述了一次装夹加工两个相同零件的多程序原点与机床参考点之间的关系及偏移计算方法。采用G54到G59实现原点偏移的有关指令为:

图1.21 原点偏置
N01 G90 G54
…… /*加工个零件
N02 G55
…… /*加工第二个零件
当然首先要设置G54到G56原点偏置寄存器:
零件1:G54 X10.0Y15.0Z0.0
零件2:G55 X55.0Y40.0Z0.0
显然,对于多程序原点偏移,采用G54到G59原点偏置寄存器存储所在程序原点与机床参考点的偏移量,然后在程序中直接调用G54到G59进行原点偏移,无疑给编制复杂零件的加工程序带来很大方便。
实现原点偏置的另一种方法是采用G92。在使用坐标指令编程时,需要建立工件坐标系,以确定坐标的原点(即程序原点)。建立工件坐标系后,就可以确定刀具当前点在工件坐标系中的坐标值。G92可以实现工件坐标系的设定,其格式为:G92 X_Y_Z_,X_Y_Z_为刀具在工件坐标系中的当前位置,如图1.22所示的指令为G92X50.0Y80.0Z80.0。因此G92指令是通过设定刀具起点相对于工件坐标系原点的相对位置建立工件坐标系,G92指令将该坐标值寄存在数控系统的存储器内,执行G92指令只是建立在工件坐标系中刀具起点相对于程序原点的位置,刀具并不产生运动,即X、Y、Z轴均不运动,但机床显示器上的坐标值发生变化,该坐标系在机床重开机时消失。例如在图1.21中通过调零,使机床回到机床参考点,刀具中心对准机床零点,显示器中显示的各轴坐标值均为零,执行G92X-10.0Y-15.0Z0.0后,建立了工件1的工件坐标系,刀具中心(机床参考点)位于工件坐标系的X=-10.0,Y=-15.0,Z=0.0处,刀具相对于机床的位置没有改变,但显示器中的坐标值为X=-10.0,Y=-15.0,Z=0.0,在该指令以后的程序中,凡是尺寸指令中的坐标值均为点在工件1的工件坐标系的坐标。在图1.21中,采用G92实现原点偏置的指令为:

图1.22 采用G92实现原点偏置
N0l G90 /*坐标编程,刀具位于机床参考点
N02 G92X-10.0Y-15.0Z0.0 /*将程序原点定义在个零件上的工件原点
…… /*加工个零件
N08 G00X0Y0 /*快速回程序原点
N09 G92X-45.0Y-25.0Z0.0 /*将程序原点定义在第二个零件上的工件原点
…… /*加工第二个零件
N12 G00X0Y0 /*快速回程序原点
这里应注意比较G92与G54到G59指令之间的差别和不同的使用方法。G92指令须后续坐标值指定当前工件坐标值,因此须单个程序段指定,尽管该程序段中有位置指令值,但并不产生运动。另外,在使用G92指令前,必须保证机床处于加工起始点,该点称为对刀点。
对于编程员而言,一般只要知道工件上的程序原点即可,与机床原点、机床参考点及装夹原点无关。但对于机床操作者来说,必须分清楚所选用的数控机床上述各原点及其之间的偏移关系。数控机床的原点偏移,实质上是机床参考点向编程员定义在工件上的程序原点的偏移。
下面以数控铣床(控制系统为FANUC 0M)加工坐标系的设定为例,说明工作步骤,使读者对数控加工中的坐标系以及上述提到的基本概念有一个综合性的理解。
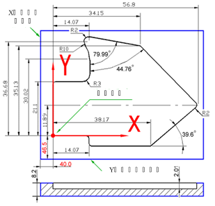
如图1.23所示是被加工零件图样,在确定了编程原点位置后,可按以下方法进行加工坐标系设定。

图1.23 机床加工坐标系设定零件图样
(1)准备工作。机床返回参考点,确认机床坐标系。
(2)装夹工件毛坯。通过夹具使零件定位,并使工件定位基准面与机床运动方向一致。
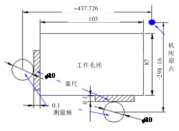
(3)对刀测量。用简易对刀法测量,方法如下:
用直径为
的标准测量棒、塞尺对刀,得到测量值为X=-437.726,Y=-298.160,如图1.24所示。Z=-31.833,如图1.25所示。

图1.24 X、Y向的对刀 图1.25 Z向的对刀
(4)计算设定值。按图1.24所示,将前面已测得的各项数据,按设定要求运算。
X坐标设定值:X=-437.726+5+0.1+40=-392.626mm
其中:-437.726mm为X坐标显示值,+5mm为测量棒半径值,+0.1mm为塞尺厚度,+40.0为编程原点到工件定位基准面在X坐标方向的距离。
Y坐标设定值:Y=-298.160+5+0.1+46.5=-246.46mm
其中:按照图1.24所示,-298.160mm为Y坐标显示值;+5mm为测量棒半径值;+0.1mm为塞尺厚度;+46.5为编程原点到工件定位基准面在Y坐标方向的距离。
Z坐标设定值:Z=-31.833-0.2=-32.033mm
其中:-31.833为坐标显示值;-0.2为塞尺厚度,如图1.25所示。
通过计算,结果为:X=-392.626,Y=-246.460,Z=-32.033。
(5)设定加工坐标系。将开关放在MDI方式下,进入加工坐标系设定页面。输入数据为:X=-392.626,Y=-246.460,Z=-32.033。
这表示加工原点设置在机床坐标系的X=-392.626,Y=-246.460,Z=-32.033的位置上。
(6)校对设定值。在进行了加工原点的设定后,为防止出错应进一步校对设定值,以保证参数的正确性。校对工作的具体过程如下:在设定了G54加工坐标系后,再进行回机床参考点操作,其显示值为:X=+392.626,Y=+246.460,Z=+32.033。
这说明在设定了G54加工坐标系后,机床原点在加工坐标系中的位置为:X=+392.626,Y=+246.460,Z=+32.033。这反过来也说明G54的设定值是正确的。
有关数控机床的调整可参阅1.4节。