2025年09月19日 09:42:52 来源:东莞市宇匠数控设备有限公司 >> 进入该公司展台 阅读量:6
一、操作面板

二、 软件界面
键盘及功能键介绍
功能键说明:
Ø MONITOR – 为坐标显示切换及加工程序呼叫
Ø TOOL/PARAM – 为刀补设置、刀库管理(刀具登录)及刀具寿命管理
Ø EDIT/MDI – 为MDI运行模式和程序编辑修改模式
Ø DIAGN/IN-OUT – 为故障报警、诊断监测等
Ø FO – 为波形显示和PLC梯形图显示等
三、 机械操作面板

四、常用操作步骤
(一)回参考点操作
Ø 先检查一下各轴是否在参考点的内侧,如不在,则应手动移到参考点的内侧,以避免回参考点时产生超程;
Ø 选择“原点复归”操作模式,分别按 -X 、+Y 、 +Z 轴移动方向按键选择移动轴,此时按键上的指示灯将闪烁,按“回零启动”按键后,则 Z 轴先回参考点,然后 X 、 Y 再自动返回参考点。回到参考点后,相应按键上的指示灯将停止闪烁。
(二)步进、点动、手轮操作
选择“寸动进给”、“阶段进给”或“手轮进给”操作模式;
按操作面板上的“ +X ”、“ +Y ”或“ +Z ”键,则刀具相对工件向 X 、 Y 或 Z 轴的正方向移动, 按机床操作面板上的“- X ” “ -Y ”或“- Z ”键,则刀具相对工件向 X 、 Y 或 Z 轴的负方向移动;
(二)点动、步动、手轮操作
如欲使某坐标轴快速移动,只要在按住某轴的“+”或“-”键的同时,按住中间的“快移”键即可。
“阶段进给” 时需通过 “快进修调”旋钮选择进给倍率、“手轮进给” 时则在手轮上选择进给率。
在“手轮进给” 模式下,左右旋动手轮可实现当前选择轴的正、负方向的移动。

(三)MDI 操作
Ø 使用地址数字键盘,输入指令,例如: G91G28Z0 ; G28X0Y0 ;输入完一段或几段程序后,点“ INPUT/CALC ”键确认,然后点击机械操作面板上的“循环启动”按钮,执行 MDI 程序。
Ø 选择操作面板上的“手动资料”操作模式,再按数控操作面板上的“ EDIT/MDI ”功能键,机床进入 MDI 模式,此时 CRT 界面出现 MDI 程序编辑窗口。
Ø 另外,在任一操作模式下,按“ MONITOR ”功能键,在“相对值”显示画页下,可输入 M 、 S 、 T 指令,然后按“ INPUT ”键执行这些辅助功能指令。
例如:键入“ T2 ” → “ INPUT ”可选刀,接着键入“ M6 ” → “ INPUT ”可换刀。
Ø
(四)对刀及刀补设定
(1)工件零点设定
Ø 装夹好工件后,在主轴上装上电子寻边器,碰触左右两边后, X 轴移动到此两边坐标中值的位置,再碰触前后两边, Y 轴移到此两边坐标中值的位置处,然后按“ TOOL/PARAM ” →菜单软键→“工件”,显示 G54/G55/…设置画页,在下方输入区左端输入#(54),移动光标到X下方,按“SHIFT” →“INPUT/CALC”提取当前X机械坐标,再按“INPUT/CALC”即可将此X值自动置入G54的X设定中;按↑光标键,确保左端括弧内为# (54),同样地,将光标移到Y下方,按“SHIFT” →“INPUT/CALC” →“INPUT/CALC”即可将此时机械Y值自动置入G54的Y设定中。如果使用Z轴设定器对刀,则G54的Z值可设为-50。
(2)刀长补偿设定
Ø 使用 Z轴设定器对某把刀具进行Z轴对刀,刀具停在刚刚接触Z轴设定器上表面的位置处,然后按“TOOL/PARAM”,在刀长补偿设置画页,移光标到该刀号地 址处,按“SHIFT” →“INPUT/CALC” →“INPUT/CALC”即可将此时机械Z值自动置入对应刀长补偿中。
(五)程序输入与编辑
Ø 选择MDI手动资料以外的任一操作模式,在数控操作面板上按“EDIT/MDI”功能按键
Ø 按“一览表”可浏览检索系统存贮器中已有的程序
l 按“呼叫”然后输入程序号可调入已有的程序
l 按“程序”然后再输入一个没有的程序号可创建一个新程序
l 使用地址数字键输入程序,每行以“;”( EOB )号分隔,连续输入一行或多行程序后,一定要按“ INPUT/CALC ”键确定,否则输入无效
l MITSUBISHI 系统输入编辑方式比较自由,可逐字符修改,但使用 DEL/INS 、 C.B/CAN 编辑键时要注意用法,按 CAN 键一次将删除整行程序数据。
l 编辑程序时,左右两侧区域都是程序显示区,但编辑主要在左侧区内进行,局部修改时可使用翻页键将右侧程序翻页至左侧,从而加快光标定位速度
DNC 程序输入:
选择 MDI手动资料以外的任一操作模式,在数控操作面板上按“DIAGN/IN-OUT”功能按键,然后按“菜单”键切换到输入/输出画页;按“输入”菜单 项,在下部输入区输入#(1),再将光标右移到下一括弧内,当PC电脑端作好准备后,并插好RS232通讯电缆,可按“INPUT/CLAC”键使之处于 接受状态,然后在PC电脑端点“发送”即可。DNC传送的波特率应设为9600。
(五)加工程序呼叫、 DNC 连线加工
Ø 选择“自动加工(记忆操作)”操作模式,按“ MONITOR ”功能键切换到坐标显示画页,再按“呼叫”菜单软键,在 O ( xxxx )括号中输入欲加工运行的程序号后,按“ INPUT/CLAC ”键,程序即被调入。工件和刀具准备好后,按“循环启动”键即可开始自动加工运行。
Ø 若要从指定行开始运行,可在 O ( xxxx ) N ( xxxx )括号中指定程序番号和程序行号(或程序行特征字符),再按“ INPUT/CLAC ”键调用程序。
Ø DNC 加工:要进行连线加工,首先必须将用户参数中输出入参数的“ #8109 ”号参数设为 1 ,使之处于电脑连线 B 传输模式下。
Ø 选择“连线加工”操作模式,在 PC 电脑端作好传送准备,在机床操作面板上按“循环启动”,然后再按下 PC 电脑端的“发送”键。 DNC 连线加工时的波特率应设为 38400 。
五、编程实例

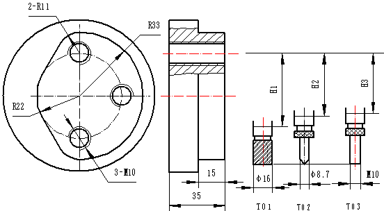
1、加工右图 所示凸轮铝件,编出对其上部进行轮廓铣削和钻3孔并攻丝的加工程序
加工工艺:( 1)用盘刀飞上下表面。
( 2)用Φ16的铣刀粗切外形。
( 3)用Φ16的合金刀精修外形。
( 4)用Φ8.7的钻头钻螺纹底孔。
( 5)用M10的丝锥攻丝。
以上表面为 Z零平面,加工工艺参数见下表:
工序 | 工序 内容 | 刀具 规格 | 刀径补偿 | 刀长 补偿 | 主轴转速 | 进给速度 | 切削 深度 | ||
1 | 飞平面 | Φ 80 | 3000 | 500 | 0 | ||||
2 | 粗铣四周 轮廓 | Φ 16 | 2200 | 500 | 1 | -7.5 | |||
2 | -15 | ||||||||
3 | 精修四周 轮廓 | T01 | Φ 16 | H10= 16 | H1 | 2500 | 800 | -15 | |
4 | 钻3-φ8.7 底孔 | T02 | Φ 8.7 钻头 | H2 | 1500 | 100 | -40 | ||
5 | 攻 3-M10 螺孔 | T03 | M10 丝锥 | H3 | 600 | 900 | -38 | ||
精修外形和孔加工的自动换刀程序编写如下页
程序单(1)
O1111 主程序号
G90G80G40G49G17G94 ; 设定初始状态
T1M6; 选择一号刀加工
G90G54G0X0.Y-45.S2500M3 G43Z10H1; 设定工件坐标原点
G43Z10H1 设定刀长补偿
G01Z-15.F800M8 加工凸轮深度
G41G1X-9.526Y-27.5H10 设定刀具半径补偿
X-19.053Y-11. 加工凸轮形状
G2Y11.R22.
G1X-9.526Y27.5
G2X0Y33.R11.
Y-33.R33.
X-9.526Y-27.5R11.
G3X-23.187Y-23.84R10. 加工凸轮形状
G1G40X-31.847Y-28.84 G0Z50.M9 抬刀
M5 主轴停止
G91G28Z0. Z轴回参考点
G28X0.Y0. X、Y轴回参考点
M01 暂停
T2M6 换二号刀
G90G54G0X22.0Y0S1500M3 设定二号刀工件坐标原点
G43Z10H2M8 设定刀长补偿
G98G83Z-40.R5.Q8.F100 钻孔
X0Y22. 钻孔
Y-22. 钻孔
G80M5 主轴停止
G91G28Z0M9
G28X0Y0 回参考点
M01 暂停
T3M6 换三号刀
G90G54G0X22.0Y0 设定三号刀工件坐标原点
G43Z10H2M8 设定三号刀刀长补偿
M29S600 设定主轴速度
G94G98G84Z-38.R5.F900 攻丝
X0Y22.
Y-22.
G80M5
G91G28Z0M9 Z轴回参考点
G28X0Y0 X、Y轴回参考点
M30 程序结束,复位
三菱系统G代码:
G00 快速定位
G01 直线补间切削
G02 圆弧补间切削CW(顺时针)
G03 圆弧补间切削CCW(逆时针)
G02.3 指数函数补间 正转
G03.3 指数函数补间 逆转
G04 暂停
G05 高速高精度制御 1
G05.1 高速高精度制御 2
G06~G08没有
G07.1/107 圆筒补间
G09 正确停止检查
G10 程式参数输入/补正输入
G11 程式参数输入取消
G12 整圆切削CW
G13 整圆切削CCW
G12.1/112 极坐标补间 有效
G13.1/113 极坐标补间 取消
G14没有
G15 极坐标指令 取消
G16 极坐标指令 有效
G17 平面选择 X-Y
G18 平面选择 Y-Z
G19 平面选择 X-Z
G20 英制指令
G21 公制指令
G22-G26没有
G27 参考原点检查
G28 参考原点复归
G29 开始点复归
G30 第2~4参考点复归
G30.1 复归刀具位置1
G30.2 复归刀具位置2
G30.3 复归刀具位置3
G30.4 复归刀具位置4
G30.5 复归刀具位置5
G30.6 复归刀具位置6
G31 跳跃机能
G31.1 跳跃机能1
G31.2 跳跃机能2
G31.3 跳跃机能3
G32没有
G33 螺纹切削
G34 特别固定循环(圆周孔循环)
G35 特别固定循环(角度直线孔循环)
G36 特别固定循环(圆弧)
G37 自动刀具长测定
G37.1 特别固定循环(棋盘孔循环)
G38 刀具径补正向量指定
G39 刀具径补正转角圆弧补正
G40 刀具径补正取消
G41 刀具径补正 左
G42 刀具径补正 右
G40.1 法线制御取消
G41.1 法线制御左 有效
G42.1 法线制御右 有效
G43 刀具长设定(+)
G44 刀具长设定(—)
G43.1 第1主轴制御有效
G44.1 第2主轴制御有效
G45 刀具位置设定(扩张)
G46 刀具位置设定(缩小)
G47 刀具位置设定(二倍)
G48 刀具位置设定(减半)
G47.1 2主轴同时制御 有效
G49 刀具长设定 取消
G50 比例缩放 取消
G51 比例缩放 有效
G50.1 G指令镜象 取消
G51.1 G指令镜象 有效
G52 局部坐标系设定
G53 机械坐标系选择
G54 工件坐标系选择1
G55 工件坐标系选择2
G56 工件坐标系选择3
G57 工件坐标系选择4
G58 工件坐标系选择5
G59 工件坐标系选择6
G54.1 工件坐标系选择扩张48组
G60 单方向定位
G61 正确停止检查模式
G61.1 高精度制御
G62 自动转角进给率调整
G63 攻牙模式
G63.1 同期攻牙模式(正攻牙)
G63.2 同期攻牙模式(逆攻牙)
G64 切削模式
G65 使用者巨集 单一呼叫
G66 使用者巨集 状态呼叫A
G66.1 使用者巨集 状态呼叫B
G67 使用者巨集 状态呼叫 取消
G68 坐标回转 有效
G69 坐标回转 取消
G70 使用者固定循环
G71 使用者固定循环
G72 使用者固定循环
G73 固定循环(步进循环)
G74 固定循环(反向攻牙)
G75 使用者固定循环
G76 固定循环(精搪孔)
G77 使用者固定循环
G78 使用者固定循环
G79 使用者固定循环
G80 固定循环取消
G81 固定循环(钻孔/铅孔)
G82 固定循环(钻孔/计数式搪孔)
G83 固定循环(深钻孔)
G84 固定循环(攻牙)
G85 固定循环(搪孔)
G86 固定循环(搪孔)
G87 固定循环(反搪孔)
G88 固定循环(搪孔)
G89 固定循环(搪孔)
G90 值指令
G91 增量值指令
G92 机械坐标系设定
G93 逆时间进给
G94 非同期进给(每分进给)
G95 同期进给(每回转进给)
G96 周速一定制御 有效
G97周速一定至于 取消
G98 固定循环 起始点复归
G99 固定循环 R点复归
G114.1 主轴同期制御
G100~225 使用者巨集(G码呼叫)10个
M00 程序停止(无条件停止)
M01选择性停止
M02程序结束
M03主轴顺时针转
M04主轴逆时针转
M05主轴停止
M06换刀
M08冷却液开
M09冷却液关
M10夹紧 (卧式加工中心第四轴)
M11松开(卧室加工中心第四轴)
M15正方向快速移动
M16反方向快速移动
M19主轴定位
M30程式停止
M98 调用子程序
M99 子程序结束