2025年11月09日 10:28:26 来源:麻城施迈赛工业自动化有限公司 >> 进入该公司展台 阅读量:3
型号 | 动作界限(MM) | 整定方式 | 安装方式 |
UQK-01 | 10 | 不可调 | 水平 |
UQK-02 | 25-550 | 有级可调 | 水平 |
UQK-03 | 8-1000 | 无级可调 | 垂直 |
品牌:亚太(可贴牌) | 普通型:80 摄氏度 高温型:300 摄氏度 | 全不锈钢材质UQK系列液位控制器 | 工作压力:1.6MPa |
输出触点容量:24V,220-380V 重量:1.2-2KG
三、结构原理
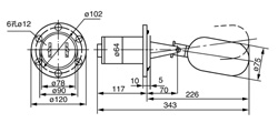
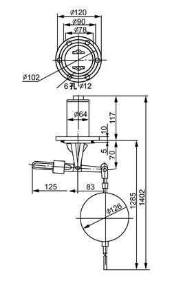
不锈钢UQK-02浮球液位控制计由浮球组件,行程开关组件及外壳组成。一对板性械斥的磁钢分别安装在浮球端部和行程开关组件上。当浮球在动作界限内随液位变化而上下升降时,其端部的磁钢也随之上下摆动,通过非导磁的外壳推动行程开关组件上磁钢运动,从而使输出的触点相应接通或断开,控制后级信号装置发出光或声的信号。
当浮球随液位升降时,只有其处于动作界限上、下两个板限位置时,输出触点才会接通或断开,而在升降过程中无任何信号产生。
控制器的浮球用1Gr18Ni9Ti不锈钢制成。
控制器的浮球组件与行程开关组件是互为隔离的,因此避免了一般液位仪表容易渗漏等缺陷。
四、安装与使用



1、安装方式
UQK-01型和UQK-02型液位控制器为水平方向安装,安装时注意出线螺孔方向必须向下。
UQK-03型液位控制器为垂直方向安装。
UQK型浮球液位控制器外壳采用非标准凸面安装法兰。
2、调整方式
UQK-02型浮球液位控制器动作范围的调整方式为有级可调,通过调节位于扇形杠杆的上、下二只定位螺钉相对位置以改变浮球摆动角即可调整动作范围,或拆下开口销换不同长度的连杆以改变浮球摆动半径来达到调整。
UQK-03型浮球液位控制器动作范围的调整方式为无级可调,通过改变浮球导向杆上、下二个位圈的相对位置来达到。