2025年11月11日 09:18:15 来源:深圳市深国安电子科技有限公司 >> 进入该公司展台 阅读量:3
UGT-XHJG-CH4激光甲烷传感器模块

一、产品简介
UGT-XHJG-CH4工商业专用激光甲烷传感器采用可调谐激光光谱吸收(TDLAS)技术对目标气体进行精确测量。传感器集成的激光器和探测器等,实现高精度、高密度、高可靠的小型化集成封装;传感器采用开放式气体交换方式,同时采用技术确保光电分割,确保传感器的本征安全;传感器采用了优良的光学系统及优异算法,实现了高难度精确测量,确保了传感器检测精度高、反应快、优良的环境适应性等优势。

二、激光甲烷传感器产品特点
●高精度,小型化;
●高可靠、本征抗干扰(非甲烷气体均无反应);
●较宽的工作电压(3.3-5.0V)进行供电,TTL串口,便于二次集成;
●本安防爆设计,EMC 防护设计;
●防水防尘设计,优良的环境适应能力;
●出厂免校准,使用寿命长;
三、激光甲烷传感器运用领域
●石油、化工、矿山;
●天然气管线、变送站、加气站;
●餐饮场所等工商业场景的安全监测;
●管道泄漏监测及家用天然气泄漏监测;
●地下综合管廊,燃气泄漏监测、沼气监测;
●其他相关安监及检测领域;
四、激光甲烷传感器技术参数(参照、仅供参考)
说明:
激光甲烷传感器每隔2秒会发出一组数据,数据格式如附件一所示;
激光甲烷传感器省电模式推荐给传感器供电的电源工作电压3.6V,推荐工作电流限流在1.5A;
具体参数信息参见下表:

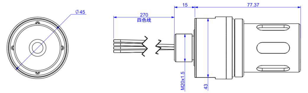
五、激光甲烷传感器产品外形及引线定义
5.1激光甲烷传感器外形尺寸及引线定义


5.2激光甲烷传感器装配防水罩尺寸图(防水罩选配)
六、激光甲烷传感器通讯格式
激光甲烷传感器处于自动检测状态时,输出形式为ASCⅡ字符串定长输出,共计22个字节,格式如下简要说明,具体参见附件一:激光甲烷传感器串口通信协议:
A+xxx.xx空格符号tt.t空格ss空格hh
A代表帧头;
+xxx.xx代表浓度,单位 %VOL,范围+000.00~+999.99;
符号tt.t代表温度,单位 ℃,范围-99.9~+99.9;
ss为产品状态码;
hh为前面18个字节的异或校验值,该校验字节以2个字符的形式进行输出;
注:关于异或校验的方法说明:
计算方式为从个字节开始逐一向后进行异或计算。即个字节异或第二个字节,所得结果再异或第三个字节,以此类推,直至前18个字节结束。然后将16进制计算结果的后2个字符进行输出。例如计算结果为0XA8,那么字符‘A’和‘8’即为输出结果,所包含字符均为大写字符。
例1.当前浓度为0.00% 温度为21.4°C,ASCII码的输出如下:
A+000.00 +21.4 00 28
附件一:激光甲烷传感器串口通信协议:
1. 通讯端口配置
激光甲烷传感器通过TTL串口与外部进行通讯,通讯接口配置如下:
配置项 | 参数 |
波特率 | 115200 |
停止位 | 1 |
数据位 | 8 |
校验位 | 无 |
流控制 | 无 |
2. 数据输出格式
当激光甲烷传感器处于自动测量检测状态时,主动输出形式为ACSII字符串定长输出,共计22个字节,格式如下:
字符序号 | 0 | 1-7 | 8 | 9-13 | 14 | 15-16 | 17 | 18-19 | 20 | 21 |
功能码 | 帧头 | 浓度 | 空格 | 温度 | 空格 | 故障码 | 空格 | 异或校验码 | 回车符 | 换行符 |
字节位数 | 1 | 7 | 1 | 5 | 1 | 2 | 1 | 2 | 1 | 1 |
单位 | / | / | / | / | / | / | ||||
举例 | A | +000.00 | +21.4℃ | 00 | 65 |
3. 传输及交互方式 (相关有效指令示例参照附表一:传感器有效指令清单)
3.1 本激光甲烷传感器采用自定义指令集形式与主机进行通讯,其命令分为两个大类,类是查询命令;第二类是设置设备工作参数的命令。
3.2 主机向传感器发送查询类型的命令及响应;
3.2.1举例:主机发送查询传感器浓度指令格式:
字节号 | 1 | 2-5 | 6 | 7-8 | 9 | 10 | 11-12 | 13-14 | 15 | 16 | |
功能 | 起始符 | 功能码 | 连接符 | 产品序号 | 格式符 | 命令符 | CRC16 | 回车 | 换行 | ||
示例 | + | CONC | + | 01 | = | ? | 低字节 | 高字节 | /r | /n | |
命令中每个字节均为ASCII码,以字符“+”开头字节,全部为大写字母有效。
第2~5字节为命令的功能码。
第7~8字节为命令的产品序号,默认为01。
第11~14字节为校验和,将从第1节开始到第10字节的数值进行校验和计算,其计算方法为CRC16-MODBUS算法,即将第1~10字节的内容用于CRC16-MODBUS算法,得出的结果中低字节放在此命令的第11~12字节处,高字节放在此命令的第13~14字节处,并把它们用ASCII码表示出来。
例如:校验和计算出来是十六进制数1234,则从第十一到第十四个字节的具体数值就以十六进制数输出依次为33,34,31,32,分别是3412四个字符的ASCII码。
第15字节为回车符,第16字节为换行符,整个命令包发送结束。
激光甲烷传感器返回的报文格式:
字节号 | 1 | 2-5 | 6 | 7-8 | 9 | 10-16 | 17-18 | 19-20 | 21 | 22 |
功能 | 起始符 | 功能码 | 连接符 | 产品序号 | 格式符 | 数据 | CRC16 | 回车 | 换行 | |
示例 | - | CONC | + | 01 | = | +000.00 | 低字节 | 高字节 | /r | /n |
返回数据首字节为“-”负号符号,换算成十六进制为0X45。
第2~5字节为功能码,与发送指令的对应字节一致。
第7~8字节为命令的产品序号,表示从哪只产品返回的数据。
第10~16字节为传感器返回的数据。如浓度、温度、故障码等信息的数值,长度为7个字节。
第17~20字节为第1~16字节的校验和,其计算方法为CRC16-MODBUS算法,即将第1~16字节的内容用于CRC16-MODBUS算法,得出的结果中低字节放在此命令的第17~18字节处,高字节放在此命令的第19~20字节处,并把它们用ASCII码表示出来。
例如:校验和计算出来是十六进制数1234,则从第十一到第十四个字节的具体数值就以十六进制数输出依次为33,34,31,32,分别是3412四个字符的ASCII码。
第21字节为回车符,第22字节为换行符,整个命令包发送结束。
3.2.2主机向传感器发送带数值类型的命令及响应:
字节号 | 1 | 2-5 | 6 | 7-8 | 9 | 10-16 | 17-18 | 19-20 | 21 | 22 |
功能 | 起始符 | 功能码 | 连接符 | 产品序号 | 格式符 | 数据 | CRC16 | 回车 | 换行 | |
示例 | + | ADDR | + | 01 | = | +026.00 | 低字节 | 高字节 | /r | /n |
主机向激光甲烷传感器发送的第二类型的命令是带有数据值的命令,其格式如上所示,长度固定为22个ASCII码字符。其命令格式中从到第九个字符与查询命令相同,只是第十到第十六个字符实际是要发送给对应产品序号的传感器的数据值,如上例即把产品序号26发送给当前产品序号为01的传感器,其他部份的解释与查询类的命令含义相同。请注意,此类命令只能对下表中可读可写的命令码有效。
命令码 | 功能说明 | 读写方式 | 数据示例 | 示例说明 |
CONC | 浓度 | 只读 | +002.03 | 浓度为2.03%VOL |
TRIM | 标定气体温度 | 只读 | +025.00 | 进行标定时的气体温度为25摄氏度 |
TRIC | 浓度标定 | 可读可写 | +001.55 | 标定时浓度1.55%VOL |
ERRO | 故障码 | 只读 | +082.00 | 故障码为0x82 |
ZERO | 调零 | 可读可写 | +000.05 | 调零值为0.05%VOL |
CORR | 校正 | 可读可写 | +001.00 | 校正系数为1.00 |
RECO | 恢复出厂设置 | 可读可写 | +001.00 | 恢复出厂设置 |
ADDR | 设置产品序号 | 可读可写 | +026.00 | 当前传感器的产品序号为26 |
ACTI | 开启主动测量 | 可读可写 | +001.00 | 1表示开启两秒一次的主动测量 |
3.2.3状态码
激光甲烷传感器状态码含义如下表所示:将故障码以十六进制数进行调整,如故障码为+0.84.00则为0x84:
状态代码 | 意义 | 说明 |
0X00 | 正常工作状态 | 正常工作 |
0X01 | 预留 | |
0X02 | 吸收峰异常 | 吸收峰偏出 |
0X04 | 光强过大 | 光强过大 |
0X08 | 光强过弱 | 光强过弱 |
0X10 | 设备未锁定 | 设备未锁定 |
0X20 | 环境温度传感器检测 | 环境温度传感器异常 |
0X40 | 激光器温度失控 | 激光器温度异常 |
0X80 | 预留 |
3.2.4调零值
如需要对激光甲烷传感器输出的调零值进行修改,则有如下命令,举例:
操作调零值时,应将想要用于调零的值用命令码ZERO+01=000.55发送给产品序号为01的传感器,产品序号为01的传感器收到此命令后将以后所有测试中的浓度低于0.55%VOL的浓度值清零输出,并把大于0.55%VOL的测量值减去0.55%VOL后输出。
3.2.5校准系数
激光甲烷传感器建议校准时使用浓度区间为0.5%VOL-1.0%VOL的标准甲烷气体,此命令将促使指定产品序号的传感器内部以该浓度时的当前计算出来的值强行用一个一次校准系数相乘,并用于浓度为1%VOL及一下浓度气体的测量初始计算,在使用此指令前,应保证出厂的默认系数为1.00,以免进行校准计算时已有的非数值1.00的系数影响到计算。
首先传感器需要进行标定(本传感器出厂时已进行标定,详见3.2.6),例如以2.0%VOL的标准气体进行标定,则有标定时的标准浓度值为S2=2.00,传感器的输出值仍然为S2=2.00%VOL;标定完成后,假设用0.50%VOL的气体进行校准,则此时校准点上的标准浓度值S1=0.50%VOL, 而传感器内部校准系数为1.00(出厂默认,未进行校准状态)时的输出为T1,假设传感器输出值为0.55%VOL,则需要通过校准命令输入给传感器的校准系数,校准系数计算方式

用于校准的值即为0.96,此值的合理范围在0.8到1.2之间,超出此范围传感器将不作出反应。
3.2.6标定命令
当需要对浓度值为小宇2.1%VOL并大于1.8%VOL浓度的甲烷气体时进行标定(在配合校准命令使用时,用户使用的标定浓度值和校准浓度值差值需要大于1%VOL),此命令将促使指定序号的传感器内部以当前浓度时的结果强行计算为指令的浓度值,并把此时的各种测量状态以及光的特性进行记录,以使以后的浓度计算中以此作为基准。
说明:出厂标定的浓度默认为2.0%VOL,由于标定命令对条件要求比较苛刻,现场不建议使用。
3.2.7恢复出厂设置的命令:
在其执行后将会产生如下效果:
恢复出厂设置可以将设备序号设为01
恢复出厂时的激光器内部温度设置值
恢复出厂时的标定温度
恢复出厂时的谐波补偿系数
恢复出厂时的过渡段补偿系数
恢复出厂时的波特率设置
附表一:传感器有效指令清单
功能描述(见注1说明) | 指令(发送数据) | 返回数据(见注1说明) | 返回数据含义(本列表均为传感器地址 01 的产品) |
读取测试浓度 | +CONC+01=?EB75 | -CONC+01=+000.81B59A | 测量浓度为0.81%VOL |
读取标定气体温度 | +TRIM+01=?B7FE | -TRIM+01=+027.65600E | 标定产品时气体温度为27.65℃ |
读取标定气体浓度 | +TRIC+01=?B6D0 | -TRIC+01=+002.003376 | 标定产品时气体温度为2%VOL |
读取故障码 | +ERRO+01=?DD4D | -ERRO+01=+008.00D5A9 | 故障码 ‘08’报错 |
读取调零值 | +ZERO+01=?1197 | -ZERO+01=+000.055FD5 | 读取调零值为0.05%VOL |
输入调零值 (例) | +ZERO+01=+000.069C76 | -ZERO+01=+000.061F04 | 输入调零值为0.06%VOL |
读取校准系数 | +CORR+01=?35F5 | -CORR+01=+001.006106 | 读取校准系数为1.00 |
输入校准系数(例) | +CORR+01=+001.04E55E | -CORR+01=+001.0460C5 | 输入校准系数为1.04 |
查询是否设置恢复出厂 | +RECO+01=?7756 | -RECO+01=+000.00ABC1 | 未设置恢复出厂 |
恢复出厂设置(需重启,见注3说明) | +RECO+01=+001.00299F | -RECO+01=+001.00AA3I | 已设置恢复出厂 |
读取传感器地址 | +ADDR+01=?1AE7 | -ADDR+01=+000.01A62E | 读取传感器地址为01 |
设置传感器地址(例) | +ADDR+01=+026.00258C | -ADDR+01=+026.00A62E | 设置传感器地址为26 |
开启主动测量 | +ACTI+01=+001.00414B | -ACTI+01=+001.00C2E9 | 设置传感器主动输出数据 |
关闭主动测量 | +ACTI+01=+000.0040B7 | -ACTI+01=+000.00C315 | 设置传感器关闭输出数据 |
注1:本表中功能描述一列中带‘(例)’的指令与返回数据均为示例,使用时应与实际一致。
注2:读取的数据都是动态的,对应产品读取时对应的状态。
注3:运行恢复出厂设置指令后,必须对传感器断电至少3秒后重新启动。