2025年11月11日 09:32:48 来源:广州市漫联电子科技有限公司 >> 进入该公司展台 阅读量:3
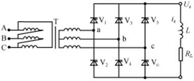
大型UPS中广泛应用三相桥式全控整流电路,如图所示。

图 三相桥式全控整流电路
当控制角α=0时,其工作过程与三相桥式不控整流电路相同,在自然换相点换相。当控制角α>0时,每个晶闸管都从自然换相点向后移α角开始换相。不管α为何值,电压Ud都是线电压的一部分。所以,从线电压入手计算Ud更简单,由于ud波形每隔60°重复一次,Ud的计算只要在π/3范围内取平均值即可。
在三相星形接法的电路中,线电压较其相应的相电压超前30°,例如30°。现将线电压uab的零点作为新坐标的原点,即比原来以相电压ua零点的坐标提前30°。因此在新坐标上,自然换相点的位置在ωt=π/3处。
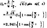
2.1 电阻性负载
(1)当0≤α≤π/3时,
=2.34U2cosα=1.35U2Lcosα
式中U2——变压器T次级相电压;
U2L——次级线电压。
(2)当π/3<α <2π /3时 , 整 流 只 能 在 正 半 周 进 行 , 故
当α=2π/3时Ud=0,从公式亦可看出电阻负载的移相范围是120°。
2.2 电感性负载
对于电感性负载,由于电流是连续的,晶闸管的导通角总是2π/3,上式的积分上限可以超过π,仍为(2π/3)+α,故
=2.34U2cosα=1.35U2Lcosα