2025年11月12日 08:21:48 来源:麻城施迈赛工业自动化有限公司 >> 进入该公司展台 阅读量:1
料流开关SLK A型采用负荷式检测,当胶带上有物料时由于物料重量的作用使皮带有相应的下沉量,当皮带下沉时把检测器顶部的托辊压下,带动内部感应部件移动使接近开关工作,给出一开关量,实现其检测。检测器安装在上行胶带下面,选择胶带有物料时下沉量比较大的地方,在两个托辊之间,不要安装在出料口附近。在没有物料时使触轮与胶带刚好接触。主要用于带式输送机输送物料时,用来检测物料瞬时状态的一种检测装置,内部装有状态开关,根据物料输送情况输出开关量。也可与洒水装置配套使用,实现有料时的洒水功能。本产品适用于煤矿、码头,电力、冶金建材,化工等行业输送散料用带式输送机。
主要用途:
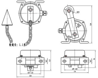
本产品主要用于检测物料通过,与自动洒水装置配套使用。胶带输送机运行时有效载荷的检测。由检测器,摆扛,摆臂板,调位栓组成。支架由横梁,三通,机架组成。

结构特点:
1、适用于胶带较窄、带速较慢的传送带检测;
2、对于胶带较宽、带速较时采用门式支架安装;
3、如胶带较窄、速度较时可采用单臂式支架;
4、采用链球与物料接触减少了物料对检测器的直接冲击,延长了使用寿命;
5、若选用单臂式支架,横梁在箭头指向处断开,横梁与支臂交接处加一斜拉角钢;
6、铸铝外壳,重量轻、硬度;
7、采用行程开关,使用寿命长。
技术参数:
⊕环境温度:-40℃~80℃;
⊕环境湿度:不大于 95(25℃时);
⊕动作角度:15°±2°;
⊕限角度:75°±5o;
⊕触板调整范围:200mm;
⊕触点数量:每一方向一组转换触点;
⊕触点容量:感性负载250VAC 3A 30VDC ;
⊕可靠性:10000小时;
工作原理:
本检测器为门式结构,带有摆臂板,当胶带机空载运行时,摆臂板处于静止状态,并垂直于胶带面,当胶带有载运行时,摆臂板被物料推动而偏转,当偏转角大15时,检测器发出信号,安装使用与接线。
本检测器应安装于胶带机溜槽出口附近,由于它适用于单向运行,因此安装时,触板摆向应与胶带运行方向一致。然后右,左横梁固定在右左端盖上,再将左右支臂固定在左右横梁上。
并且满足下列要求:
1),使支臂与摆臂互相平衡,并使摆臂与限位板接触摆角为零度。
2),使检测器位于胶带宽度的中心位置,且使摆臂垂直于胶带平面,将支架焊在胶带机架上。
3),高度的调整,本装置的支臂和摆臂都是可调的。
使用与安装:⊕安装在落料口5米处上行皮带下表面;
⊕安装在胶带下而且下沉的部位;
⊕满载时,胶带与触轮保持接触;
⊕定期清扫积尘,保持触轮活动灵活自如。

售后服务:
质保期:自购买之日起,麻城施迈赛销售的产品非人为因素,质保1年。