2025年11月12日 09:28:48 来源:麻城施迈赛工业自动化有限公司 >> 进入该公司展台 阅读量:2
防爆跑偏开关YT-PK/FB-T4适用于皮带输送机,能使皮带输送机在皮带跑偏将导致严重挂边磨损甚至发生事故前就发出报警信号以及进一步的自动停车。跑偏开关广泛用于冶金、煤炭、水泥建材、采矿、电力、港埠、冶金、化工等领域的各种带式输送设备。
跑偏开关能及时的保护设备、避免事故扩大化,保障生产、保护设备的目的。另外由于信号可发送至控制系统,方便实现工厂自动化控制,因此又可减员增效,集中控制,利于生产与调度的目的。

防爆跑偏开关YT-PK/FB-T4是用于检测带式输送机输送带跑偏量,实现跑偏自动报警和停机的一种输送带保护装置。适用于煤炭、冶金、建材、电力、化工、交通等行业使用的带式输送机输送带跑偏检测。
结构特点:
本机采用铝合金精密压铸壳体,强度高;
外壳护可以恶劣环境中长期工作;
机内采用元件,触点容量大,动作灵敏;
工作原理:
跑偏开关具有两级动作功能。动作用于警示,2级动作用于自动停机。胶带机在运行中,当胶带跑偏且与本开关立辊接触时,立辊自转,若跑偏量继续,则挤压立辊发生偏移。
当立辊偏转角度过12°时,开关动作,输出(警示信号)。当立辊偏转角度过30°时,2级开关动作,输出(停机信号)。

安装说明:
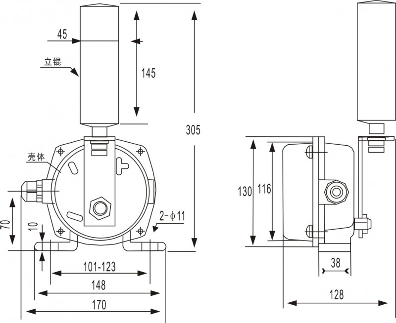
1、底座两边各有Ф12mm孔,在皮带机旁角铁架钻Ф12mm孔,用M10×30mm螺丝紧固跑偏开关。
2、安装跑偏开关应选择输送装置易出现跑偏的位置处安装,参考应用单位工艺要求,同时要考虑皮带与挡轮的间距和推力,建议皮带与档轮间的安装距离为120-160mm。
3、安装距离:建议每50米安装一对跑偏开关。
4、跑偏开关出厂时配有长度0.5米四芯橡套电缆,芯线上配有1、2、3、4线号,其中1、2为常开接点是警示信号,3、4为常闭接点是2级停机信号。