2025年11月12日 10:10:17 来源:广州市漫联电子科技有限公司 >> 进入该公司展台 阅读量:2
前已进入高频机UPS电源逐步代替工频机UPS电源的年代,当然替代的过程并不是一帆风顺。人们使用了几十年的工频机UPS,已经熟悉了这种电源形式,突然要换机型还不能一下子适应,所以对那些为工频机UPS不间断电源的赞歌听着比较顺耳,同时对高频机UPS电源的一些指责也容易接受,就这样一拍即合。岂不知在一定程度上损害了用户的利益,也有勃于当今的国策。
常常会听到这样的说法:高频机UPS电源是好东西,但由于我们的系统非常重要,要求供电的可靠性非常高,所以还是用工频机UPS电源可靠。言下之意,高频机UPS电源不可靠。岂不知可靠性是设计出来的,即一台机器的可靠性如何取决于采用了哪一级可靠性标准。举一个简单的例子,一个UPS电源中常用的120120的轴流风机,有十几元一只的,也有上百元一只的,价格差了近10倍,哪一个可靠性高呢?不言而喻,当然是上百元一只的可靠性高。又如某品牌的9315系列UPS电源,人称“标王”,意思说每次投标它的高,但运行起来可靠性也,被人称为“铁机”—— 就是不出故障;而同一品牌的同功率PB4000系列就便宜得多,而故障也多。
当然用户对高频机型UPS电源的这种担心不是没根据,其根据就是来自某些方面的误导宣传。甚至有的将这些宣传材料上升为“高频机结构UPS电源的致命弱点”。虽然问题的提出者只是少数,但影响颇大,在网上粘来粘去,就好像写此文章的人很多,确实影响了不少用户,甚至有些技术人员也受了传染。为了将这些问题搞清楚,使人们对产品有一个科学的看法,下面就这几个方面进行讨论。
(一)IGBT整流器可靠性偏低
持这种看法的“根据”有两个:
1. 认为IGBT器件的过载能力不如可控硅(SCR)高
为了证明这个论点,有的就举出两种器件过载能力的例子:SCR可过载到10倍额定电流20ms,而IGBT过载到10倍额定电流时只能坚持20s,就是说过载能力差了1000倍。就根据这一点说IGBT器件的可靠性不如SCR是不是公平呢?这要追索到它们的过载能力为什么不同,难道说IGBT的过载能力只能是10倍20s吗?当然不是。器件设计者是根据其必要性而选定的。SCR不是全控器件,即一般在交流电路中只能控制其开启而不能控制其关断,可控硅一旦开启只有等到电压或电流过零时才自动关断,
如图1(a)下图所示。这种器件的工作原理就决定了其过载能力不但要强,而且还必须能承受过载较长的时间。比如在图1(a)中SCR在时间t2被触发而开启,假如此处对应的时间t2 =1ms,而正好此时输出端正好出现过流甚至于超过10倍,由于在此处无关断机制,那么它必须在t3(50Hz的半周)之前的大约10ms的时间内能承受这种过流而不损坏。否则,若这种器件耐过载时间短,比如是1ms,器损坏的几率就太高了,就没法用了。但IGBT就不同了,因为它不但可以随时开启而且也可以随时被关断,如图1 (b)所示,它在t1被打开而在t2又被关断。
目前IGBT的工作频率可到达150kHz,即一个开启与关断周期约7s,所以20s对IGBT从发现过载到关断的时间而言已经足够长了。就是说IGBT的过载时间不需要做得那麽长,即使厂家再将它的过载时间延长上1000倍又有何用!对于从北京南站30分钟即可抵达天津站已开动的城际列车来说,非要给它10h的运行时间余量,有这个必要吗。

图1 整流器中的SCR和IGBT工作比较
目前大功率UPS电源的调制频率大都在15 kHz 以下,比如10kHz 就是每半周100个脉冲,每个脉冲的宽度0s T100s 出现过流或短路时IGBT可在任何一点随时关断。既然可以随时关断又何必将过载时间做的那么长。
比如两列往返于北京与天津之间的火车,一列是蒸汽机车,一列是电气动车。为了安全,规定蒸汽机车4h检修一次,而作为电气机车的动车2h检修一次。是否可以说蒸汽机车的可靠性比动车大一倍呢?从时间上看好像是这样,但在2h之内动车已跑了4个往返,而蒸汽机车则在2h之内仅仅跑了一个单程!到底哪个可靠性更高呢?同样道理,拿两个关断机制与性能不一样器件的过载能力作比较是不是有些牵强。
2. 据说:由于高频机结构伊顿UPS电源至今还没找到大磁通量的材料,以致使其“升压电感”温度过高,使可靠性降低。甚至还断言:正因为如此(指没找到大磁通量的材料),导致山特UPS电源产业迟迟未能制造出可靠性足够高的大功率高频机型UPS电源。
他的原意说的是“升压电感”的质量问题,为了提高该电感的可靠性所提出的材料指标却又是变压器的。这个基本概念问题把人们搞糊涂了:到底说的是电感还是变压器?因为这二者所选材料的主要参数是不一样的,变压器需要大磁通量的材料,这从变压器绕组计算公式可以看出:

全IGBT结构UPS电源的一种电原理图
料就是无的放矢了。看来此处确实指的是电感L1、L2和L3,如图2所示。但电感的计算公式和变压器就不一样了,如式(2)所示

从该式可以看出,这里就没有磁通量B这个参数,和电感铁心有关的是相对导磁率r。相对导磁率越大,电感量就越大。目前大相对导磁率的材料很多,不过用得最多的还是铁氧体,俗称铁凎氧。
另一个基本概念就是电感温度高的问题,做过电路设计的人都知道,电感的温度高低在设计和试验中是可以控制的,而且解决这个问题也轻而易举,一般说只要将绕组的线径取大一些,铁心取大一些就可以了,对经常搞电路的人是一个基本常识,是不言而喻的。它怎么能影响作出大功率的科华UPS电源整机呢。
再说,目前已有好多厂家做出了500kVA的高频机型APC UPS电源,甚至还有的厂家做出了1200kVA的高频机UPS电源,难道还不算大功率!有些制造商一时还做不出可靠性足够高的大功率高频机UPS电源绝不是因为“至今还没找到大磁通量的材料”缘故,这里有好多个技术问题。而且不能说一两个厂家暂且还做不到这一点就说是整个“UPS电源产业”,这样说就太武断了。自己做不出来,要努力,或收购具有这种能了的公司,后来者居上嘛,站在那里抱怨和无中生有的指责又有何用。
如果将以上这些似是而非且由于自身概念不清的问题也说成是“致命弱点”并硬扣在高频机型日月潭UPS电源头上,好像不太合适。主要是由于认识上的误区,使以上这两个“论点”都没选合适。
(二)有的认为:高频机结构UPS电源存在“零偏故障隐患”
这个问题就是所谓的另一个“致命弱点”。意思是说高频机型的梅兰日兰UPS电源会产生一种“在其它UPS电源机型上不会出现”的这种现象。这个观点是说:在上游交流电源(比如“输入1”到后备发电机“输入2”)经ATS切换时,UPS电源输出就会形成8ms以上的输出电压闪断,如图3(b)所示。据说这可导致数据中心机房长达几十分钟到几小时的瘫痪事故。原因是双电

图3 高频机结构UPS电源逆变器原理电路图(一)
源400V的中点电位在“UPS电源运行中一旦遇到输入电源N线上出现瞬态的、单极性的直流偏置电压时,就会导致输入到逆变器输入端上”,就会导致逆变器“瞬间DC过压”和“瞬间DC欠压”,就会产生这种“瞬态直流偏置”故障。
在交流电路中会出现“单极性的直流偏置电压”,所谓单极性,顾名思义,不是正极性就是负极性。这个直流偏置电压是什么?是如何形成的?问题提出者没有说清楚。这里的意思就是说:在上游ATS切换时,由于输入整流升压环节瞬间断电,则这段零线N上的电流也中断,如图3(a)所示,从互投柜到UPS电源之间的零线(虚线N)线段,就会在这段线中激起反电势 e,即:

即在ATS切换时零线上被激起的反电势为0.15V。当然这个计算不一定很准确,但从数量级上看不会差多少,就是大上10倍也才1.5V,因此在这里可看出一些端倪。某处的这种分析悬乎其悬,用想象的“隐患”来吓唬人。换言之,上游ATS切换时在零线上激起的单极性电压微乎其微,既不能造成输出闪断,也不会导致逆变器过压或欠压,更不能造成数据中心机房停电数小时。再说零地电压也根本加不到这些地方去。而且输出电压闪断也不并是这个原因造成的。有关这个问题在后面还要讨论。
某处断言说这种单极性零线电压“在其它UPS电源机型不会出现”,难道工频机型UPS电源就没有零线?在ATS切换时,互投柜到UPS电源机柜这段距离零线上的电流也会由满载(假设)到零的一个突变过程,在零线上也会产生同样的这种反电势,因为它的零线不是超导体。怎么能说“在其它UPS电源机型不会出现”呢!
这里还有一个对电路尤其是对UPS电源工作原理基本知识的了解问题。零线上的单极性电压(即N线直流偏置)是如何形成的?输出电压的闪断是不是所谓的零线电压造成的?如何导致逆变器过压或欠压?出现的这些问题是不是只有高频机型UPS电源才有,等等。为了搞个明白,现在就这些问题一一讨论。
1. 零线电压指的是什么?一根导线上只能谈电流,不能谈电压,因为电压就是电位差。而这里就独独提出了一个N线电压的概念,姑且理解成是零地电压,是图3(c)A点对地GE的电压呢还是B点对地GE的电压?因为在有负载的情况下这两点对地的电压是不同的,A点对地GE的电压,这就是UPS电源中整个零线上的电压降,为了符合某处的意愿,暂且取这个值,这样就可能导致逆变器“过压”或“欠压”吗?什么值可以让逆变器过压呢?一般说至少要超过额定电压值10%以上,某处给出了400V的额定工作电压,即使10%算作过压,那麽零线上的电压至少也得40V!
问题是零线上能有这么高单极性电压的可能吗?一般说多数UPS电源内的零线不会超过2m,而且截面积也不小,在任何正常情况下莫说40V,就连4V也不会有。就算有4V,不会说 404V就算过压,就可以损坏功率管吧。这样看来所谓单极性电压导致过压之说法实际上是不存在的!也仅仅是“潜在”的“危险”。再说这个零地电压也加不到管子上。
2. 那么单极性零线电压不会构成隐患,输出电压的8ms闪断又是如何形成的?真地就可以导致数据中心断电很长时间吗?
这也是搞电源的人都应该具有的基本知识。,蓄电池的内阻是比较大的,比如上游ATS切换时,就出现电源内部负载突变现象,再加之电池的动态性能不太好,就更不能很快响应这种突变电流。一般UPS电源在正常工作时是由输入整流器向逆变器供电,电池组不但空载而且还处于浮充状态。如果输入端突然断电,电池组就必须及时地将全部负载接替过来,但强大的电流突变是一般电池无法响应的。这必然会导致瞬时缺电流状态,也就是所谓的输出电压瞬时“闪断”。
为了弥补这个缺欠,设计者就都在电池组或整流器后并入了足够容量的电容器,由于电容器的动态性能比电池好得多,所以瞬变的前沿电流先由电容器补偿,而后由电池来接续以后长时间的功率电流。但如果和电池并联电容器的容量不足或质量不好,不能适应前沿电流突变的要求,就会使输出电压出现所谓“闪断”的缺口,电容器的电容量越小,输出电压的缺口就越深越宽。所以这个输出电压缺口和所谓的单极性N线电压没有任何关系。
而且这个输出电压缺口问题在任何UPS电源上都可能存在,而且是不合格产品才会有。不论是高频机型UPS电源还是工频机型UPS电源,只要是合格产品(不是偷工减料的),都不会出现这种输出有闪断的现象。某处为了某种原因将这种谁都可能有的现象硬套在了高频机UPS电源零线电压上,这又是对UPS电源工作原理上的误解。
3. 8ms的输出电压闪断真地就可导致数据中心无法工作吗?
一般合格的、功能正常的UPS电源都不会出现这种现象。退一万步说,即使这个8ms的闪断隐患真地出现,有无致命危险呢?根据IBM和HP对其PC机的实测,在市电断电后,其本身内置电源还可保证机器满负荷工作50ms。这主要是根据电路对其内部直流电源脉动和稳定度的要求而决定的滤波电容器容量得到的附加效果。在大容量机器中,电容量也是按比例增大的。因此也应有同样的效果。起码在不少计算机房也有了断电20ms工作无影响的例子。
目前几乎在所有电子设备中都有内置开关电源,它们的任务就是将输入的交流电压变换成本设备所用的不同品种的直流电压。如图4左图所示的电源电路。图中C即为储能装置,如果这个储能装置没有支持本设备8ms后备工作的能力,恐怕就不是合格产品。如果拿不合格产品来说正事,其结果是什么也说明不了。

图4 IT设备以及内部电源主电路
4. ATS切换时还会有别的原因导致零线上出现单极性电压吗?
上面一些“隐患”的说法都来自问题提出者关于单极性零线电压的假设,这恐怕又是个基本概念问题。首先ATS切换属于正常动作,ATS切换不外乎是瞬时断电。,对一台合格的UPS电源而言,当输入端由于ATS切换而出现瞬时断电时,电容和电池及时地将足量的电能供出,使负载机器没有任何感觉。换句话说 UPS电源输出端的电压和电流没有任何变化。那么从负载到电池组的这一段零线上的电流也就没有变化,当然这段零线上的电压降也就不会变化。零线到输入电源之间的这段零线,由于没有了电源,也就没有电流,更没有电压,而且即使有反电势也很小,这在前面已述及。这样一来原来工作时的零线电压也就一直恒定,不会出现所谓的“单极性”零线电压危害。
当ATS切换过程完成后,UPS电源又接入输入电源时,输入整流器开通为后面的电容和电池充电,同时也为逆变器供电。此时由于负载没变,图3(b)的B点以右零线电压还是不变,B点以左零线电压当然不为零了。B点电压抬高了,这一点的零地电压既不是单极性也加不到电池电压上去,而且最多也就是1V以下,任何作用都起不了。某处硬说是ATS切换过程可以导致很多严重后果,不知指的是什么机器。即使有这样的例子,恐怕问题也不在ATS的切换上,得找别的原因。更不用说是所谓的“隐患”。
上面的一切说法都来自两组直流电源之间的中间零线抽头,实际上那是原来的老电路,用两组电池总觉得不方便,于是后来就研发出仍使用一组电池的半桥逆变电路,如图5所示。在这个电路结构中又为逆变器增加了一只桥臂,如图中虚线框内环节所示,暂且称为第四桥臂,由VT7和VT8组成。这样一来,三相桥臂都可以与第四桥臂形成具有零线的相电压输出。为了说明问题,在图中取出UC作为例子。
UC输出正半波电压的途径是:GB+VT1R上端VT8GB-。UC输出正负波电压途径是:GB+VT7R下端VT4 GB-。其它两相UA和UB都是如此。由于三相也是按照相位差120设计工作的,所以线电压和相电压之间也是在数值上是:
![]()
的关系和在相位上是顺序120的关系。这样一来,高频机型UPS电源和工频机型UPS电源同样采用了一组电池。这在外接电池组的设备量上减少了一半数量的外壳,比如原来用322=64节50AH/12V,现在用32节100 AH/12V就可以了。

图5 新高频机结构UPS电源的主电路原理图
(三)“高频机型UPS电源零地电压偏高”
1. “零地电压”偏高的机制
某处说“零地电压偏高”也是个“致命弱点”,这种观点也值得商榷。据说:来自IGBT脉宽调制整流器和逆变器的高频PWM型的干扰电压以幅度值较高的“零地电压”形式通过零线被直接反馈到UPS电源输入供电系统和输出供电系统的零线上,从而危害用电设备的安全运行”。
在这里应该说明的是,工频机型和高频机型UPS电源的IGBT逆变器是一样的器件、一样的频率,一样的工作原理,所以“干扰”也应该是一样的。而整流器则不然,可控硅整流器的干扰远比IGBT整流器大得多,即使是12脉冲整流加11次谐波滤波器(增加了相当大的重量、体积和造价)一般也不能达到达到 IGBT的指标。按照此处的说法,高频机的两项干扰就能直接加到UPS电源输入供电系统和输出供电系统的零线上,从而危害用电设备的安全运行;干扰更大的工频机型UPS电源这两项就加不到这些地方?实在令人匪夷所思。
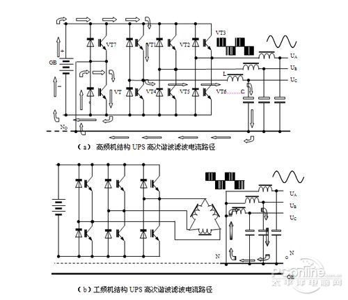
至于零地电压是如何能加到用电设备上,后面有专门的讨论。的确高频机型UPS电源零地电压和工频机型UPS电源相比因无输出隔离变压器的次级接地环节,有时是“偏高”了一点。这是由于在单电源结构中电路结构多了一只管子的压降,如图6(a)所示。图中给出了高次谐波滤波电流路径。由于逆变器的工作方式是脉宽调制(PWM),就是说正弦波电压被“高频”调制成宽度不等的方波形式输出,但由于负载端需要的是正弦波电压,所以在到达负载之前,PWM波必须经滤波器解调,将PWM方波中的高频成分滤掉而只保留正弦波成分。于是这部分高次谐波成分就会经滤波器被送回电源负端。在这里仅以UC为例看高次谐波电流路径:
GB+ VT1低通滤波器LC到达零线 VT8GB-
从这里可以看出,由于零线经过了一只VT7或VT8位置的IGBT管,所以使零线上多了一个管子压降环节,增高了零地电压。在双直流电源UPS电源情况下,零线上没有了VT7和VT8

图6 两种结构UPS电源高次谐波滤波电流路径
这个环节。但一般电池到机器之间都有一段距离,这就加长了零线的长度,也会使零线上的压降有所增加。尽管如此,现代技术都会将两种高频机结构UPS电源的零地电压做到1V以下。
对于工频机结构UPS电源而言,由于有了输出变压器,就使得零线压降的减小有了可能。如图6(b)所示,工频机结构UPS电源高次谐波滤波电流路径就短得多,因为这里高次谐波电流的回程路径就在变压器附近及内部。
至于“只有零地电压小于1.5V才是IT设备的安全运行条件”的结论却值得商榷。因为中国电信已远远突破了这个,实际测试表明零地电压甚至已做到了21V,一百多台数字机器也仍未发现有异常现象。
要知道,导致零线上电压降的因素不止高次谐波一种原因,另外还有三相负载不平衡以及零线电阻等因素。一般说三相输出电源的零线电流大都小于单相输出电源的相线电流,这是因为三相输出时的三相电流在零线上是矢量和的结果,相互之间有抵消作用。
图7表示出了其中几种情况的矢量关系。图7(a)表示出了三相电流相等的情况,即IA= IB= IC。 在此情况下可以看出,任何两相电流的矢量和都等于符号相反的第三个电流值。在这里是IA和IB的矢量和IAB=IC,二者矢量相加为零。这时零线上的压降仅取决于谐波电流和零线电阻。这也是零地电压最小的情况。图7(a)表示的是A相电流小而B,C两相电流相等且大于A相电流的情况,即IB= IC IA。可以看出,此时IA和IB矢量和的值IAB=IC, 二者不能抵消,于是零线上就出现里部分负载电流,此时零线上的电流就变成了部分负载电流与谐波电流两部分相加,是零线压降增大。图7(c)表示的是C相电流为零而B,A两相电流相等的情况,即IA= IB , IC=0。
从图中矢量和可以看出IA和IB的矢量和IAB=IA= IB,换句话说,在这种情况下零线上的电流等于一相的电流值。同样还可以得出在只有一相电压有负载时,零线上的电流也是一相的电流值。并且如果不考虑谐波电流的作用,零线上的电流值不超过一相的电流值。当然如果有三次谐波与三次谐波倍数的高次谐波叠加就会增大零线上的压降,当然也增大了零地电压。
(a) IA= IB= IC (b) IB= IC IA (c) IA= IB , IC=0

图7 三相电流几种情况的矢量关系
所以问题的提出者为了证明自己的观点还给出了工频机型UPS电源的零地电压为0.8V,而高频机结构UPS电源的零地电压高于1.5V的数字。实际上这个数字是没有意义的,不能说明任何问题,因为零地电压不用变压器就可以很方便地降到1V甚至0.8V以下。在上述几种负载电流与谐波电流组合不同的情况下,其零地电压也不同,有的高达10V以上。不论工频机型UPS电源还是高频机型UPS电源的零地电压都会有高于或低于1.5V的情况。
2. 零地电压的影响
零地电压偏高会不会就是“致命弱点”呢?本来一般用户就对零地电压视为洪水猛兽,一提零地电压就谈虎色变。问题的提出者又火上加油,更把它提高到“致命”的高度。关于零地电压的影响问题,笔者已在多篇文章和书籍中有详细叙述,不防在这里再稍微重复一些。
形成干扰必须具备三大因素:干扰源,传递干扰的途径和受干扰的设备。这三者缺一不可,讨论就从这三者入手。
(1)零地电压是不是干扰源
如果证明零地电压确实是干扰源,零地电压干扰负载甚至是“致命”的弱点这个结论就可能成立,高频机型UPS电源零地电压偏高的影响也罪责难逃。为了说明零地电压,先得要弄清楚零地电压是什么。图8示出了零地电压的位置。从图中可以看出,零地电压指的是负载下端和地之间的电压。理想的接线方法在零线上没有电流的,它只是一个参考点,所以整条零线上就是一个零电位。一般零线和地线在交流市电的源端(比如变电站)是接在一点并且接地的,如图8所示。这样一来就可以看出,所谓零地电压就是零线电流和零线电阻共同形成的零线电压。图8以A相电源UA为例,很明显,如果此时负载开关S是断开的,就没有负载电流,即 Ia=0,那么零线上也没有电流,当然零线上也没有压降,零地电压也为零。当

图8 零地电压的位置与形成
开关S闭合后,负载电流Ia从UA出发就沿箭头方向通过开关S负载零线电阻回到星形变压器的中点。值得注意的是负载电流Ia先是流过负载,从负载出来后,才进入零线回到中点,换句话说负载电流Ia在负载上做功在先,经过零线在后,即零线上的压降是做完功的回程电流在零线上留下的印记。难道说这个印记还会反回去将做过功的结果再给反过来!比如是驱动一个步进马达,开关S闭合一下,马达就动一下,而后就在零线上出现一段零地电压,难道这段零地电压还可再回去不让马达动作或使其动作不正常?这里有一个基本概念:实际上零地电压是和负载动作同时出现和同时消失的,不存在影响后面动作的问题。
还有的说什么零地电压可导致后面的数字机器出现误码或丢码。这又是一个基本概念问题。,UPS电源供出的交流电压是给包括计算机在内的电子设备内部电源的,这个内部电源的任务就是将交流电压变换成内部电路所需的直流电压,而且电子设备的内部电路只和本机的电源打交道,所以本机电源的质量好坏才直接影响着本机电路的工作质量。用电机器的误码不误码和UPS电源没有任何关系!因为那是用电设备机内电源的事情。
所以在这里零地电压不是干扰源。
(2)传递干扰的通道:零地电压是如何传递到负载机器上去的
退一万步说,假设零地电压是干扰源,现在看一看它如何能加到负载上去。图9给出了零地电压的等效电路。在这里取出UPS电源中的一相电压UA作为例子。将零线上的分布电阻用集中参数RN代替,负载电阻是RL,于是负载和零线就是跨接在电源UA两端的两个串联的阻抗。
两个阻抗上的电压之和就是电源电压,即:
UL +UN=UA (5)
两个电阻上流过同一个电流Ia,由于零线敷设完毕后,零线电阻就是个不变的定值,就是电阻负载,对外不会产生任何影响。当然会有人说:流过零线的还有谐波电流,如图中虚线箭头所示。是的,尽管有谐波电流流过,尽管也会使零线上压降有所变化,一方面与220V相比是微乎其微,另一方面它的流向如虚线箭头所示,也不会返回头去倒流到负载。零线上电压降的变化对负载没有任何影响,零线对地的电位就好像浮在水上的船,负载就好像坐在船上的人,无论水平面如何让波动,水涨船高,坐在船上的人本身不会受影响。
还会有的人提出:既然RL和RN是分压关系,会不会由于RN上分压太多而影响负载的正常工作呢?一般说任何负载都允许输入电压变化10%,而220V的10%就是22V!在零

图9 零地电压的等效电路
线上出现22V的压降几乎是不可想象的,如果真有这么大的零线压降那肯定是出问题了。因为在UPS电源机柜范围内的零线汇流排上,正常情况下一般绝不会出现 3V以上的压降,一般都小于1V。还有一种情况就是:由于UPS电源输出端的低通滤波器特性不好,有一部分高次谐波流入负载。其实这也无妨,负载机器的内置电源输入端都接有滤波器,首先将高次谐波拦截,第二级就是整流滤波器进行拦截,第三级就是直流变换器。这三道大门可将任何高次谐波甚至干扰关在门外或给予消灭。正因为负载机器内部电源具有如此强大的功能,莫须有的给零地电压扣上“干扰负载”的帽子,实在是无中生有。
就是说,没有任何一条通路能把零地电压和干扰加到负载上去。更何况零地电压不是干扰源。当然,空间干扰就是另一回事了,不属于这里讨论的范畴。
(四)高频机型UPS电源在市电断电后,电池放电时系统效率降低2%
有的地方说得非常具体,看来是做了实地测量。遗憾的是他把部分高频机UPS电源当成了全部,再说这个结论还存在漏洞。下面分几种情况介绍。
1. 单相小功率UPS电源情况
图10示出了一般小功率高频机UPS电源原理电路图。因为高频机UPS电源的特点之一就是取消了输出隔离变压器,所以能取消这个占机器绝大重量的变压器就是因为采用了半桥逆变器。但半桥逆变器的工作需要两个直流电源,而对于功率不大的高频机UPS不间断电源的两个直流电源尤其是采用两组电池就显得太累赘了。于是就采用了 Boost升压电路技术。如图中储能电感L,电子开关S,隔离二极管VD2,虚拟电源电容器C1和C2就构成了升压电子变压器。在由市电供电时,整流器 ZL1和充电器为电池组GB充电,整流器ZL2为主电路供电,由于220V交流只能给出约300V的直流电压,而半桥逆变器则需要两个至少310V以上的直流电压。所以Boost升压电路就在电容C1和C2上造成两个约400V的串联连接的虚拟直流电源。

图10 一般单相小功率高频机UPS不间断电源原理电路图
当市电断电时,就由电池组GB放电。一般在10kVA 以下或30kVA以下容量情况下,电池组GB的电压比较低,比如3节12V,4节12V…甚至10节12V。总之,电压远达不到半桥逆变器工作的电平。因此还必须仍由Boost升压电路将其升高到两个400V。就是说,市电尽管停止了供电,这里工作的不像工频机UPS不间断电源那样仅由逆变器工作,Boost升压电路还必须接着工作。这样看来高频机就比工频机多了一个工作环节,所以就比工频机逆变器多消耗能量,就算效率就降低了2%。
但有的问题提出者顾此失彼,只顾比较电子电路部分并高兴找到了高频机UPS不间断电源的“软肋”(所谓致命弱点),岂不知却忘记了工频机UPS不间断电源的输出隔离变压器也在工作着,如图 11(a)所示。该变压器上消耗的功率远不是2%就可以打发的。笔者曾对对4台进口100kVA UPS不间断电源的输出变压器满载时的测量发现,100kVA变压器铁心外表温度达90C,这绝不是2kW功率就可以造成的现象。(但愿这不是普遍现象)。总之,实测发现,小功率高频机UPS不间断电源的系统效率仍然还高一些。

图11 工频机与高频机UPS不间断电源输出电路比较
2.中大功率情况
高频机型UPS不间断电源在中大功率的情况下就更不是问题提出者说的那样低2%的事情了。一般在中大功率的高频机结构UPS不间断电源中,虚拟电源已远不能满足大电流输出的要求,这时的电容器只能作为负载突变时补充电池内阻过大而给不出前沿电流的问题。
后面的大电流还是要靠大容量的电池组提供,如图12所示。不论是图12(a)所示的具有两个直流电源的高频型UPS不间断电源还是图12(b)所示的只具有一个直流电源的高频机型UPS不间断电源,几乎都至少采用了32节12V电池串联或电压相近的电池串联方案。这些电池组的额定电压都远高于交流220V的峰值电压 310V。所以在市电断电以后,充电环节也停止了工作,只靠电池本身的容量来维持设定的后备时间,一直到电池电压降低到逆变器关机电压电平。这时的关机电压电平一般在320332V,这一点与工频机型UPS不间断电源逆变器的工作一模一样,所以这2%就不存在了。真正存在的倒是工频机型UPS不间断电源的输出变压器。这个变压器占去了工频机UPS不间断电源近三分之二的空间和2%以上的功耗。
如果非要说“致命”的话,应该到工频机型UPS不间断电源中去找。实际上有些人就是小题大做,工频机型UPS不间断电源尽管功耗大,但这么多年下来了,也一直工作的很好,更没人说这是个致命的问题。为何今天反而把比工频机型节能的UPS不间断电源说成是“致命”的呢。甚至在大庭广众之下公然大呼其高频机型UPS不间断电源有多少多少个“致命弱点”,实在不够慎重。不知为何对适应当今节能减排的国策,又符合体积小、重量轻、技术新和价格低等数据中心要求的产品带有如此大的成见。

图12 高频机结构UPS不间断电源和工频机结构UPS不间断电源逆变器输出原理电路图
(五)高频机结构UPS不间断电源的外接变压器会损坏负载
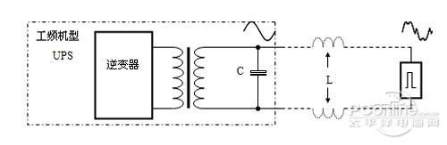
1.为何要外接隔离变压器
取消输出隔离变压器是高频机型UPS不间断电源的一大特点,也是一大优点,因为它降低了系统
功耗、体积、重量和价格。可有的人非要把拿掉的这个变压器再加上去,当然这里有的用户也有这样的要求,不过用户的要求大都是受了某些厂家的误导所致。据说为了降低零地电压。尽管如此,有的问题提出者还不放心,说是“零地电压仍然偏高,仍然继续危害用电设备的安全运行”。就算按照某处的意思暂且给高频机型 UPS不间断电源加上外加变压器,如图13(a)所示,看一看这个论断如何。可以比较一下图13(a)和(b)两个电路。现在两个逆变器的输出都接入了变压器,可以看出两个逆变器的工作方式都是脉宽调制,调制频率也都差不多,也可以说一样。
所以从逆变器功率管的工作来说是没有区别的;为了向负载送出正弦波电压,就必须加低通滤波器,将调制时的高频成分滤掉,只允许50Hz的正弦波通过,从图中也可看出其二者都有这个滤波环节,只是高频机型UPS不间断电源的谐波滤波器在变压器之前,而工频机型UPS不间断电源的谐波滤波器在变压器之后,就是说现在二者的工作环节不但有,而且一样。所不同的是滤波环节与变压器的位置。这样一来就可以看出,在高频机型UPS不间断电源中,高次谐波在变压器之前就被滤掉了,通过零线回到了直流BUS的负端,即高频机型UPS不间断电源的高次谐波根本没进入变压器初级绕组。
而工频机型UPS不间断电源的高次谐波是在变压器后面才被滤掉的,换言之是在靠近负载端被滤掉的。这就出现了一个问题:按照某君的说法:靠负载近的高次谐波形成的零地电压加不到负载上去,也不影响负载的工作;反而是离负载远的高次谐波形成的零地电压一定会加到负载上去,继续危害负载的安全运行。同样的电路原理反而出来两种不同的结果,不知此君是分析出来的还是测量出来的这种结果。好象从理论上就说不通。

图13 两类UPS不间断电源都有变压器时的谐波路径图
有的地方说高频机型UPS不间断电源外加变压器后还会带来使设备烧毁的隐患。还说高频机型UPS不间断电源“一旦因故出现输出停电或闪断故障”,外接隔离变压器就会出现“反激型的瞬态尖峰电压”,足以烧毁IT设备。当输入突然恢复供电时,又会导致并机系统“严重过载”,等等。令人不解的是,一样的供电环节,一样的功能,就是工频机型换成了高频机型,只一字之差,二者的结果就不一样了。难道说工频机型UPS不间断电源就不会出现输出停电或闪断故障?即使出了,它的变压器也不会产生“反激型的瞬态尖峰电压”?当输入突然恢复供电时,工频机型UPS不间断电源也不会导致并机系统“严重过载!难道说外接隔离变压器的破坏力是高频机型UPS不间断电源固有的吗?话又说回来,这个高频机型UPS不间断电源的外加变压器是某处硬给加上去的(供应商可从来就没这个打算),加上后又分析出这么多“潜在”的“隐患”。
即加上变压器是他正确,分析出了问题是你加上去的不对,绕来绕去都是他的理。对高频机型UPS不间断电源来说根本就没有外加变压器的必要,首先,如前所说零地电压就不是干扰源,再说也没传递零地电压的通道。影响用电设备的是常摸干扰,共模干扰是如何进入用电设备的?图14示出了常模干扰和共模干扰原理图,若使干扰电压起作用,就必须有能量,这里的能量就是电流与电压相乘的功率,即干扰源与被干扰对象(用电设备)必须形成电流回路。从图14可以看出,常模干扰电流是火线与零线之间的电压形成的,可以随着电源与负载形成电流回路。而共模电压(在这里是零地电压)则是零线与地线之间的电压,根本与用电设备形不成电流的闭环回路,不论是电压还是电流都没有到达用电设备的通道,又何谈干扰?又何谈“危害这些用电设备的安全运行”!

图14 常模干扰和共模干扰原理图
令人不解的是,同样的变压器接在高频机型UPS不间断电源逆变器的输出就有那么多的“隐患”,而接在工频机型UPS不间断电源逆变器的输出就具有了更优异的抗“冲击性”负载的能力。实际上这是电抗器或扼流圈的特性。暂且不说概念上的误解,就算把这个变压器当成电感性吧,就是这个电感性在某种说法下:用在高频机型UPS不间断电源逆变器的输出端就会出现损坏用电设备的“反激型的瞬态尖峰电压”,而用在了工频机型UPS不间断电源逆变器的输出就具有了更优异的抗“冲击性”负载的能力。不仅如此,还成了“跨接在UPS不间断电源与整流滤波型非线性负载之间的‘50Hz滤波器’,它将大幅度提高UPS不间断电源承担具有高峰比的冲击性电流的能力”。看来这个变压器智能化到极点了!不过,笔者倒是遇到了输出接变压器烧毁和电池的例子,而且是烧的工频机。如下例所示。
例:北京某制造厂就因600kVA UPS不间断电源供电方案如图15所示。这里用5台150kVA UPS不间断电源做4+1冗余并联,输出端是5个UPS不间断电源输出变压器次级绕组并联。负载中还有一台300kVA变压器,可说是层层设防。但在电池模式供电时由于 300kVA负载变压器开关S合闸,因负载变压器的瞬时短路而导致了UPS不间断电源部分烧毁和电池组起火,一举烧毁了70余节100AH电池,5个变压器没起到任何所谓“缓冲”和“滤波器”的作用。
值得一提的是有的把变压器说成可以抗干扰,这又是一个基本概念问题。什么器件可以抗干扰?具有基本电路知识的人都知道,只有非线性器件或惯性器件才能抗干扰。变压器是非线性铁心器材工作在线性区,正因如此,它才使得传输波形不失真。
变压器的绕制关键就是力求漏感越小越好,零漏感的。一个好的变压器就几乎是一个全线性的装置,线性电路的的特点就是不失真地传输波形——输入是什么波形输出就照样复制,这可以用双踪示波器来检测,一看便知,无需争论。漏感大的变压器因有电感是低质变压器,甚至是不合格产品,因为它降低了电源输出电压的动态性能。有人拿着不合格产品负面性能造成的现象当成正事来说就不合适了。

图15 某半导体厂4+1冗余并联连接输出接一变压器的原理图
当然,专门的工频机型UPS不间断电源输出变压器为了从PWM解调出正弦波,有意识地在输出变压器绕制时有意留一点漏感,目的是利用此漏感和变压器后面的电容器构成LC滤波器。但这个漏感很小,以不影响UPS不间断电源的输出动态性能为度。


图16 两类UPS不间断电源输出与负载连接原理图
前面高频机型UPS不间断电源的变压器说的一无是处,其目的就是为了推出工频机型UPS不间断电源输出变压器的所谓高性能。有的口口声声说利用这个UPS不间断电源的输出变压器来抗干扰,试问抗的是什么干扰?是UPS不间断电源输出变压器前面来的干扰还是负载端来的干扰?抗所谓干扰的目的是什么,是为了保护后面的负载还是保护UPS不间断电源的逆变器?要知道UPS不间断电源逆变器的输出电压是非常好的正弦波,没有干扰;那只有“抗”来自负载的干扰。但负载端来的所谓干扰是负载的正常工作造成的。因为以往的负载设备多为输入功率因数较低的整流滤波负载,对UPS不间断电源的输出电压正弦波造成了一定程度的破坏,一般称之为“干扰”,而这个所谓的“干扰”就是负载工作后破坏电压 “结果”。
这个被破坏电压的结果靠负载端,从UPS不间断电源输出端到负载的距离越远、导线越细、经过的触点越多,这个失真就越大;相反,这个失真在UPS不间断电源输出端最小,这并不是什么变压器能抗干扰的结果,而是它本来的面目。如图16的上下两个图(a)和(b)所示,如果两个同样功率UPS不间断电源带同样的负载,其UPS不间断电源输出端都是很好的正弦波,到了负载端就变成了失真波形,如图16两个图(a)和(b)所示。这是因为负载的整流滤波电路向负载索取的不是正弦波电流,而是平均或有效值数倍的脉冲电流,这个电流必然在传输线上与传输线的分布阻抗形成压降,由于脉冲电流只在正弦电压波的峰值附近形成,所以这个压降只在峰值附近形成,到达负载的电压波峰值必须从UO峰值上减去沿路压降值,所以才形成削顶的失真。
UPS不间断电源机柜输出端电压UO的波形取决于UPS不间断电源内阻的大小,所以负载端的失真大和UPS不间断电源端的失真小和变压器没关系,而且也不是什么干扰,更不是什么变压器抗干扰的结果。而且不论是工频机型UPS不间断电源还是高频机型UPS不间断电源,在这方面的结果都是一样的。至于在UPS不间断电源输出带负载之间电缆上的“毛刺”也是由负载的非线性破坏电压的波形和传输所致,也不是什么所谓的干扰。

图17 UPS不间断电源输出电压到达负载的情况与到负载距离的关系示意图
由于在UPS不间断电源输出端口这个干扰幅度已微乎其微,不用抗。抗干扰的目的不外乎要保护什么。在这里和这个输出变压器打交道的只有两个目标:前面的逆变器和后面的用电设备。
前面已经知道,这个所谓干扰是负载正常工作后留下的结果,属正常工作范围,所以用不着保护;前面的逆变器跟前都有电容器,而且这里的输出电压正弦波很好,没有所谓“干扰”,也用不着变压器无的放矢。所以这里所大力宣扬的变压器抗干扰是“虚晃一枪”,是“无的放矢”。但如果不知道这个原理,也会被这“虚晃一枪”所震撼!
总之,在贬低高频机型UPS电源的市场上有的宣传者利用所谓“分析”的手段或不合格产品的性能制造出一些所谓“潜在”和“隐患”之类的悬念,吓唬不知真相者;把同样东西的“优点”都贴在工频机型UPS不间断电源的脸上,将所谓不利的一面都栽在高频机型UPS不间断电源的头上。想借此将工频机型UPS不间断电源的市场寿命延长一些时日。作为商家这样做虽然不好,但为了生计也情有可原。
但作为学术讨论就有失公允了。尤其是在不了解机器性能的情况下也充当内行,莫须有地制造悬念。当然,这其中不乏是理论水平和基本概念问题,但无论如何误导用户是不应该的。更不应该和当今国家节能减排的政策相违背。
(本文来源:太平洋电脑网.cn )