广告招募

当前位置:中非贸易网 > 技术中心 > 所有分类

浅析数字张力仪原理及维修

2025年11月22日 09:51:48      来源:杭州尽享科技有限公司 >> 进入该公司展台      阅读量:5

分享:

浅析数字张力仪原理及维修

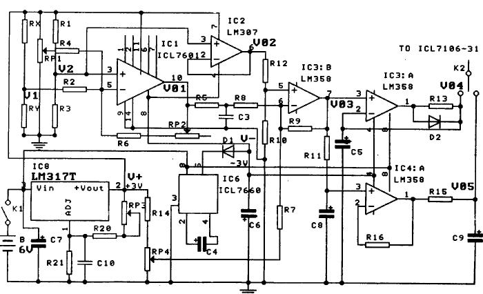
某型进口纺织设备配套产品数字张力仪,用于在线测量经纱的张力。它的分辨率达1CN(10N),体积为(350×265×85)mm3,质量仅1.5kg。它显示清晰,性能稳定,使用方便,可用交流供电,亦可用干电池供电。由于该仪表随机未配电路原理图,一旦出了故障,修理较为麻烦。本文结合工作实践,介绍其电路工作原理及检修实例。

一、电路工作原理

 张力仪包括传感器、信号变换电路和接口、数字显示两部分。使用时,前者安放在经纱上,后者手持,两者之间由电缆连接。后者为以ICL7106为ADC的液晶显示的3/2位数字电压表,与通用数字三用表电路类同,兹不赘述。这里介绍的信号调理电路包括传感器到ICL7106为止的几乎全部电路,如附图示。此处省略了与记录仪之间的接口电路,它们是从Vo3~Vo5引出的由LM358组成的三个电压跟随器电路,这在实际使用中由于无记录仪而不用。
图中,Rx和Ry分别代表粘贴在弹簧片两面上的应变片电阻,在经纱张力作用下,弹簧片变形,从而使受拉应力的应变片电阻Rx变大,而受压应力的RY电
阻值变小。它们与两个阻值相等的精密电阻R1、R3组成直流测量电桥。运放IC1接成差动放大器,Rx为静态调平衡电位器,Rp2用于调涡度,IC1的输出电压.......

版权与免责声明:
1.凡本网注明"来源:中非贸易网"的所有作品,版权均属于中非贸易网,转载请必须注明中非贸易网。违反者本网将追究相关法律责任。
2.企业发布的公司新闻、技术文章、资料下载等内容,如涉及侵权、违规遭投诉的,一律由发布企业自行承担责任,本网有权删除内容并追溯责任。
3.本网转载并注明自其它来源的作品,目的在于传递更多信息,并不代表本网赞同其观点或证实其内容的真实性,不承担此类作品侵权行为的直接责任及连带责任。其他媒体、网站或个人从本网转载时,必须保留本网注明的作品来源,并自负版权等法律责任。 4.如涉及作品内容、版权等问题,请在作品发表之日起一周内与本网联系。