2025年11月26日 09:42:20 来源:无锡福雷德流体控制设备有限公司 >> 进入该公司展台 阅读量:3
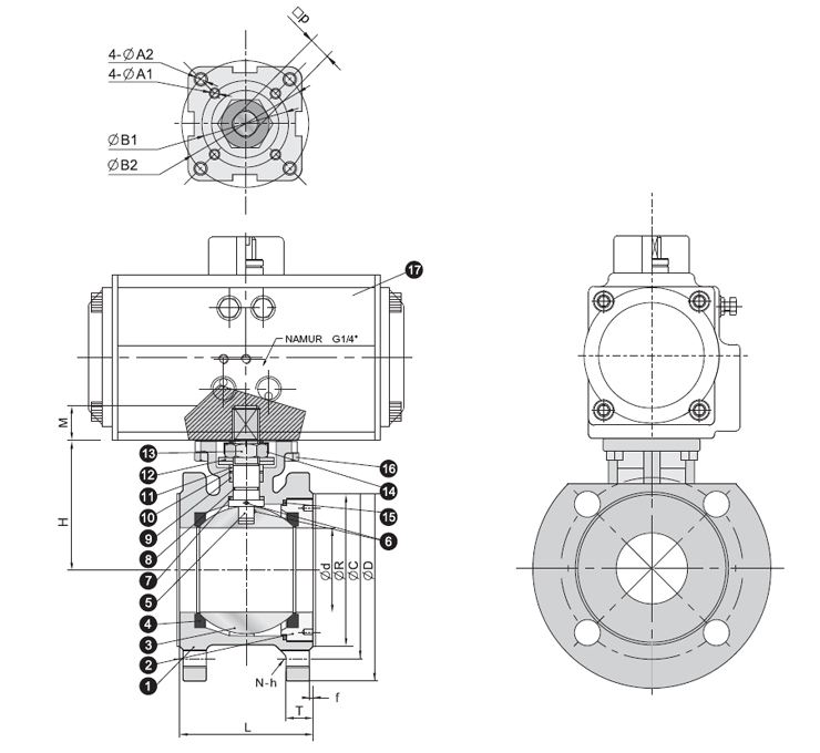
KV-L7K、KV-L7N 高平台球阀 尺寸 PN φd φR φC φD f T L H M P N h ΦA1 ΦA2 ΦB1 ΦB2 ISO5211 DN15 1/2″ 15 45 65 95 2 9 42 46 9 9 4 M12 6 6 36 42 F03/F04 DN20 3/4″ 10 20 58 75 105 2 9 44 51 9 9 4 M12 6 6 36 42 F03/F04 DN25 1″ 16 25 68 85 115 2 9 50 62 11 11 4 M12 6 7 42 50 F04/F05 DN32 1-1/4″ 25 32 78 100 140 2 12 60 72 11 11 4 M16 6 7 42 50 F04/F05 DN40 1-1/2″ 10/16 38 88 110 150 3 13 65 78 14 14 4 M16 7 9 50 70 F05/F07 DN50 2″ 10/16 50 102 125 165 3 20 80 86 14 14 4 M16 7 9 50 70 F05/F07 DN65 2-1/2″ 10/16 63.5 122 145 185 3 18 110 108 17 17 4 M16 9 11 70 102 F07/F10 25/40 DN80 3″ 10/16 76 138 160 200 3 20 120 116 17 17 8 M16 9 11 70 102 F07/F10 25/40 DN100 4″ 10/16 95 158 180 220 3 20 150 139 22 22 8 M16 N/A 11 N/A 102 F10 25/40 DN125 5″ 10/16 118 100 210 250 3 22 180 176 27 27 8 M16 N/A 14 N/A 125 F12 25/40 DN150 6″ 10/16 142 212 240 285 3 22 225 192 27 27 8 M16 N/A 14 N/A 125 F12 25/40
1片式阀体、高平台薄夹式、全流量法兰球阀
设计特点:
◇采用ISO5211直接安装执行器的平台设计
◇阀杆与阀体之间带防静电装置
◇阀杆防爆出装置设计
◇钢球上有压力平衡孔
◇双蝶型弹片设计能保证始终有有预紧力押紧填料
◇阀杆密封结构设计取得德国Tüv TA-Luft密封测试认证
◇铸件通过Tüv AD2000-Merkblatt W0认证
◇选项:执行器、位置开关、定位器、电磁阀、手轮机构、空气过滤减压阀
◇传动方式:手动、气动(开关型/调节型)、电动(开关型/调节型)
标准规范:
◇设计标准Design:DIN3375/1,2,EN12516-1
◇壁厚Wall Thicknesss:EN12516-1
◇法兰接断End Flange:DIN2501 PN10-40
◇防火测试Fire Safe:AP1607 5th2005,ISO 10497
◇检验与测试lnspection&Testing:DIN 3203/3,EN12266
阀门材质:
◇阀体:CF8M、CF8、WCB
◇阀芯:CF8M、CF8
◇阀杆:SUS316、SUS304
◇阀座:TFM1600、PTFE、RTFE
◇填料:PTFE
DIN PN10-40尺寸规格表
22
113
8
24
162
190
235
24
154
M20
220
270
26
M24
218
250
300
28
M24