2025年12月13日 08:22:57 来源:杭州绰美科技有限公司 >> 进入该公司展台 阅读量:7
温压流在线监测仪-固定污染源烟气排放连续监测的应用详解
/c143429/products/d.html
CM-3000温压流在线监测仪-固定污染源烟气排放连续监测,温压流在线监测仪,挥发性有机物分析仪,总磷水质自动分析仪,总氮水质自动分析仪,抽取式高温法烟气分析仪,便携式烟气分析仪
产品简介
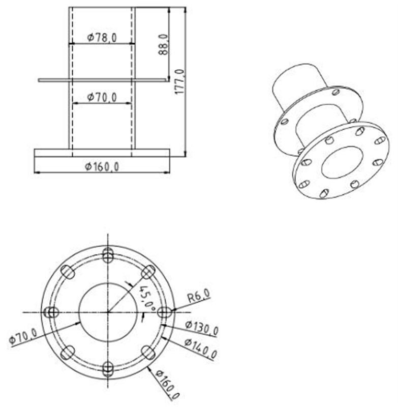
一、CM-3000温压流在线监测仪产品概述:
CM-3000温压流在线监测仪拥有高精度微差压静压传感器,同时配备反吹单元,是门针对烟气排放连续监测的高粉尘、高温、高湿、低流速环境而开发的一体化温度、压力、流速监测仪,符合国家相关标准的要求,可以用于烟气排放监测系统(CEMS)进行烟气温度、压力、流速及流量的实时连续测量。
与市面上现有的温压流一体机相比有:可以测量zuidi2m/s烟气流速、自动定时或手动对动压和流速校准。
技术参数
二、CM-3000温压流在线监测仪性能参数:
测量范围:0~40m/s;O~15m/s(可选)
测量精度:±5%F.S
测量原理:皮托管法
输出信号:4-20mA信号
差压变送器过压限:4.0MPa
皮托管材质:304不锈钢 (可定制316/316L不锈钢)
皮托管插入长度:500~1700mm(可选)
压力变送器量程:-5kPa~5kPa、-200Pa~200Pa
温度量程:0~300℃(可定制)
反吹压力:0.3MPa~0.8 MPa
烟气温度范围:-40℃~300℃(可定制)
工作温度范围:-40℃~70℃
贮存温度:0~50℃
贮存湿度:0~85%RH

产品特点
三、CM-3000温压流在线监测仪技术特点:
超低量程压力传感器实现2m/s低流速测量
定时反吹时间、流速场参数、皮托管系数等均可设置
过压保护,有效避免压力传感器损坏,降低运营成本
自动零点校准
皮托管防堵、防腐设计
输出信号保护加强

公司简介
杭州绰美科技有限公司是一家高科技企业,业研发环保监测、工业控制、安全监测等域产品,生产和销售适应国内外市场需求的分析测量仪器,并为工业过程监测、环境监测与治理、安全监测等域提供科学、、完整的解决方案。产品广泛应用于环保、冶金、石化、化工、能源、水利、建筑、制药、热电、钢铁、酿造等众多行业,并通过合作伙伴出口到印度、印尼、越南、泰国、中国台湾等国家和地区。
公司产品综合光学、微电子、软件、通讯、机电工程等多域技术,是上少数同时拥有多种技术自主知识产权的创新型企业。
公司核心团队在行业内有着丰富的从业经验,其中多人曾参与国家重大科研项目并多次获得国家科研奖励,拥有多项利。公司已通过ISO9001:2015质量管理体系认证、ISO14001:2015环境管理体系认证、ISO45001职业健康安全管理体系认证和ISO29490知识产权管理体系认证,拥有多项软件著作权和水质、烟气在线监测技术利,荣获2015年杭州市技术企业,并于2018年获得国家技术企业荣誉。
经营理念
持续创新,抓住前沿
精益求精,服务客户
开放心态,合作共赢
信守承诺,战略合作
型式批准证书

环保认证证书

企业资质

软件著作权证书

证书

相关关键词:固定污染源烟气排放连续监测系统,挥发性有机物在线监测系统,挥发性有机物分析仪,总磷水质自动分析仪,总氮水质自动分析仪,抽取式超低粉尘监测仪,粉尘监测仪,温压流在线监测仪,烟气分析仪,抽取式高温法烟气分析仪,便携式烟气分析仪,水质自动采样器,氮氧化物转换器,水质多参数在线监测仪,氨氮自动监测仪,COD在线监测分析仪
Key words: Stationary sources of flue gas emissions continuous monitoring system, on-line monitoring system, volatile organic compounds, volatile organic compounds analyzer total phosphorus of water quality automatic analyzer, the total nitrogen of water quality automatic analyzer, the removable low dust monitor, monitor dust, temperature monitoring instrument online of pressure flow, flue gas analyzer, an extraction method of high temperature flue gas analyzer, portable flue gas analyzer, the water quality automatic sampler, Nitrogen oxide converter, water quality multi-parameter online monitor, ammonia nitrogen automatic monitor,COD online monitoring analyzer