2025年12月13日 09:10:31 来源:北京慧博时代科技有限公司 >> 进入该公司展台 阅读量:15
变频器维修之IGBT模块检测方法如下:
1、判断极性
首先将万用表拨在 R×1KΩ挡,用万用表测量时,若某一极与其它两极阻值为无穷大,调换表笔后该极与其它两极的阻值仍为无穷大,则判断此极为栅极( G )。其余两极再用万用表测量,若测得阻值为无穷大,调换表笔后测量阻值较小。在测量阻值较小的一次中,则判断红表笔接的为集电极( C ) :黑表笔接的为发射极( E )。
2 、判断好坏
将万用表拨在 R×10KQ 档,用黑表笔接 IGBT 的集电极( C ) ,红表笔接 IGBT 的发时极 ( E ) ,此时万用表的指针在零位。用手指同时触及一下栅极( G )和集电极( C ) ,这时工 GBT 被触发导通,万用表的指针摆向阻值较小的方向,并能站们指示在某一位置。然后再用手指同时触及一下栅极( G )和发射极( E ) ,这时 IGBT 被阻断,万用表的指针 回零。此时即可判断 IGBT 是好的。
3 、注意事项
任何指针式万用表铃可用于检测IGBT。注意判断IGBT好坏时,一定要将万用表拨在 R×IOKΩ挡,因R×IKΩ档以下各档万用表内部电池电压太低,检测好坏时不能使IGBT导通,而无法判断IGBT的好坏。此方法同样也可以用护检测功率场效应晶体管 (P-MOSFET)的好坏。
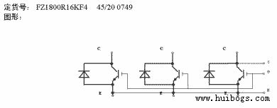
附:西门子变频器(SIEMENS)的二种IGBT接线图
使用IGBT型号

西门子变频器IGBT接线图(1)

西门子变频器IGBT接线图(2)