广告招募

当前位置:中非贸易网 > 技术中心 > 所有分类

温压流在线监测仪设备厂家#CM-3000温压流在线监测仪的差安排主要技术参数详细介绍说明书@技术发布

2025年12月13日 09:25:49      来源:杭州绰美科技有限公司 >> 进入该公司展台      阅读量:8

分享:

温压流在线监测仪设备厂家#CM-3000温压流在线监测仪的差安排主要技术参数详细介绍说明书@技术发布,温压流在线监测仪,挥发性有机物分析仪,总磷水质自动分析仪,总氮水质自动分析仪,抽取式高温法烟气分析仪,便携式烟气分析仪

据技术部5月31号11点56分透露:

(/c143429/products/d.html)

产品简介
YI、CM-3000温压流在线监测仪产品概述:
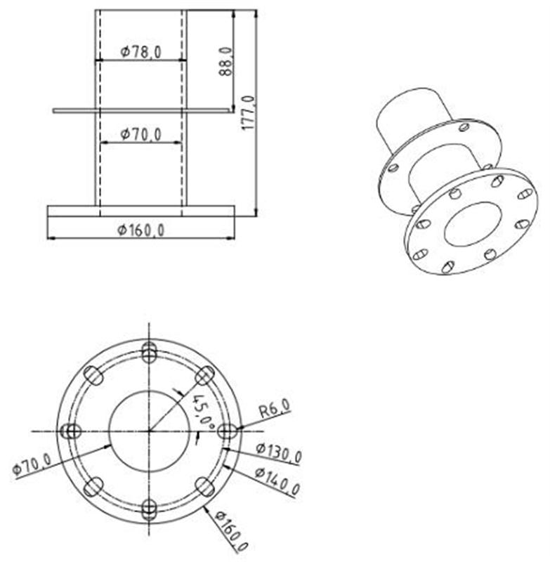
CM-3000温压流在线监测仪拥有高精度微差压静压传感器,同时配备反吹单元,是门针对烟气排放连续监测的高粉尘、高温、高湿、低流速环境而开发的一体化温度、压力、流速监测仪,符合国家相关标准的要求,可以用于烟气排放监测系统(CEMS)进行烟气温度、压力、流速及流量的实时连续测量。
与市面上现有的温压流一体机相比有:可以测量zuidi2m/s烟气流速、自动定时或手动对动压和流速校准。
 
技术参数
二、CM-3000温压流在线监测仪性能参数:
测量范围:0~40m/s;O~15m/s(可选) 
测量精度:±5%F.S 
测量原理:皮托管法
输出信号:4-20mA信号
差压变送器过压限:4.0MPa
皮托管材质:304不锈钢 (可定制316/316L不锈钢)
皮托管插入长度:500~1700mm(可选)
压力变送器量程:-5kPa~5kPa、-200Pa~200Pa
温度量程:0~300℃(可定制)
反吹压力:0.3MPa~0.8 MPa
烟气温度范围:-40℃~300℃(可定制)
工作温度范围:-40℃~70℃
贮存温度:0~50℃
贮存湿度:0~85%RH
产品特点
三、CM-3000温压流在线监测仪技术特点:
超低量程压力传感器实现2m/s低流速测量
定时反吹时间、流速场参数、皮托管系数等均可设置
过压保护,有效避免压力传感器损坏,降低运营成本
自动零点校准
皮托管防堵、防腐设计
输出信号保护加强
 
公司简介
杭州绰美科技有限公司是一家高科技企业,业研发环保监测、工业控制、安全监测等域产品,生产和销售适应国内外市场需求的gaoduan分析测量仪器,并为工业过程监测、环境监测与治理、安全监测等域提供科学、xianjin、完整的解决方案。产品广泛应用于环保、冶金、石化、化工、能源、水利、建筑、制药、热电、钢铁、酿造等众多行业,并通过合作伙伴出口到印度、印尼、越南、泰国、中国台湾等国家和地区。
公司产品综合光学、微电子、软件、通讯、机电工程等多域技术,是上少数同时拥有多种技术自主知识产权的创新型企业。
公司核心团队在行业内有着丰富的从业经验,其中多人曾参与国家重大科研项目并多次获得国家科研奖励,拥有多项利。公司已通过ISO9001:2015质量管理体系认证、ISO14001:2015环境管理体系认证、ISO45001职业健康安全管理体系认证和ISO29490知识产权管理体系认证,拥有多项软件著作权和水质、烟气在线监测技术利,荣获2015年杭州市技术企业,并于2018年获得国家技术企业荣誉。
 
经营理念
持续创新,抓住沿
精益求精,服务客户
开放心态,合作共赢
信守chengnuo,战略合作
 
 
型式批准证书
 
环保认证证书
 
企业资质
 
软件著作权证书
 
zhuan利证书
 

版权与免责声明:
1.凡本网注明"来源:中非贸易网"的所有作品,版权均属于中非贸易网,转载请必须注明中非贸易网。违反者本网将追究相关法律责任。
2.企业发布的公司新闻、技术文章、资料下载等内容,如涉及侵权、违规遭投诉的,一律由发布企业自行承担责任,本网有权删除内容并追溯责任。
3.本网转载并注明自其它来源的作品,目的在于传递更多信息,并不代表本网赞同其观点或证实其内容的真实性,不承担此类作品侵权行为的直接责任及连带责任。其他媒体、网站或个人从本网转载时,必须保留本网注明的作品来源,并自负版权等法律责任。 4.如涉及作品内容、版权等问题,请在作品发表之日起一周内与本网联系。