广告招募

当前位置:中非贸易网 > 技术中心 > 所有分类

自动疏水器-自动疏水阀-汽液两相流疏水器工艺的运用?

2025年12月15日 08:34:15      来源:连云港市神美电力辅机有限公司 >> 进入该公司展台      阅读量:2

分享:

自动疏水器-自动疏水阀-汽液两相流疏水器工艺的运用? 

  
 汽液两相流疏水器|自动调节阀 汽液两相流疏水器|气液两相流液位调节器
       疏水器的别称有很多,在我公司(连云港神美)环保设备同行业中,疏水器→→自动疏水器→→自动疏水阀→→汽液两相流疏水器→→高加疏水器→→汽液两相流自动疏水器→→汽液两相流自动液位调节器→→汽液两相流自动液位调节阀→→汽液两相流自动液位调节装置。
汽液两相流疏水器系统安装简图:
      1、该调节器无互换性需对号安装,调节器箭头方向与疏水流向相同。
      2、调节器在安装时应尽量靠近容器本体。
      3、调节器可以水平安装也可垂直安装,不影响使用效果。
      4、入口阀与调节器可以直接连接,也可以有≤250㎜的短管连接,但入口阀前、调节器后应有≥200mm的直管段。
      5、相变管开孔中心高度应在正常工作水位点,与疏水管安装走向同一侧。
      6、具体安装尺寸需根据实际情况现场给出。
      7、本装置中的阀门均为闸板阀,须严密无泄漏。
汽液两相流疏水器外型图:
      1、壳体材质为#20钢
      2、壳体内阀芯材质为1Cr13
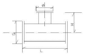
汽液两相流疏水器外型尺寸及重量:
       108  Dn100的调节器外型尺寸:
       4.0Mpa     L×G×H     360×235×287     Φ=165    
       159  Dn150的调节器外型尺寸:
       2.5Mpa     L×G×H     280×270×259     Φ=165 
汽液两相流疏水器孔位置示意图:
注:
      ★开孔方式:安放式、插入式均可。
      ★开孔直径应和所选用调节器相变管规格相匹配。
      ★开孔位置为使相变管尽量的短,开孔可选在疏水管走向一侧,如与其他管路干涉,可适当旋转选位。

版权与免责声明:
1.凡本网注明"来源:中非贸易网"的所有作品,版权均属于中非贸易网,转载请必须注明中非贸易网。违反者本网将追究相关法律责任。
2.企业发布的公司新闻、技术文章、资料下载等内容,如涉及侵权、违规遭投诉的,一律由发布企业自行承担责任,本网有权删除内容并追溯责任。
3.本网转载并注明自其它来源的作品,目的在于传递更多信息,并不代表本网赞同其观点或证实其内容的真实性,不承担此类作品侵权行为的直接责任及连带责任。其他媒体、网站或个人从本网转载时,必须保留本网注明的作品来源,并自负版权等法律责任。 4.如涉及作品内容、版权等问题,请在作品发表之日起一周内与本网联系。