2025年12月15日 09:23:03 来源:连云港市神美电力辅机有限公司 >> 进入该公司展台 阅读量:7
立式清洗全自动滤水器运行、安装及维护技术交流
一、立式清洗全自动滤水器概述:
DL型立式立式清洗全自动滤水器广泛用于发电厂的冷却水系统中对江、河、湖、海水中的塑料、薄膜、杂草、纸屑、木块、鱼类等悬浮物进行有效过滤,避免热交换器在冷却水侧的堵塞。
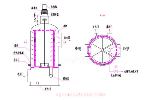
二、立式清洗全自动滤水器工作原理(见附图):

水从立式清洗全自动滤水器下部的进水口进入进水室,进水室上部有一块进水板,进水板上开有一个弧形孔,水从弧形孔进入圆柱形滤网的内侧,在圆柱形滤网的表面开了若千小孔,水从滤网内侧流到滤网外侧,杂质被挡在滤网内侧,随着运行时间的延续,滤网内侧壁上杂物越积越多。滤网内侧有4-8块隔板,上图为6块隔板,它把滤网内侧分隔成6个独立的扇形小室,其中s个扇形小室与进水板的弧形进水孔相通,起过滤作用,进水板上除开设弧形孔外,还开设了一个排污孔,排污孔与通向循环水排水管的排污管相连,排污管上装设一个电动排污阀,当电动排污阀开启时,在与排污孔相对应的一个扇形小室中,水从滤网的外侧流向滤网的内侧,通过排污管流向循环水排水管。
通过控制箱面板上计时器的设置,滤网能定期顺时针转过60*,即一个独立扇形小室与排污孔相通,滤网内侧的杂物由滤网外侧的水冲入排污管,对这个扇形小室的滤网表面进行清洗,清洗时间为2~8分钟,然后再转过60。重复以上过程,系统每小时(可调)自动清洗一次滤网。
如果水质不太脏,为了节约用水,可实现间断清洗,正常运行时可不打开电动排污阀,根据水质情况定期启闭排污阀。本设备的控制系统可整定电动排污阀每隔2-8小时开启一次,每次开启的时间为10-60分钟,从而完成间断清洗的功能。
当垃圾较多时,可采用连续反冲洗,通过把控制器面板上反冲洗开关置于开启位置来触发。本设备的控制系统可根据水质情况任意调节排污时间。
工作方式:自动和手动。
自动控制模式采用时间控制模式。系统每8小时(可调)自动清洗一次滤网。需要时可采用手动控制模式。当电动机失去电源或损坏时,拔去联轴器中方键可手操转盘,实行手动清洗。
三、立式清洗全自动滤水器主要结构:
本设备主要由筒体、滤网和传动机构三部分组成。
㈠筒体由上下两部分组成。下简体为进水室,下筒体上有排污口、放水口和进水口,进水板在进水室上部,依靠主管支承在底板上。上简体由圆筒和封头组成,上筒体上有出水口,封头上有一根放气管,封头上焊有座架,用于支承传动装置。上下简体依靠法兰连接。
㈡滤网由轴、隔板和网板组成。轴的下端支承于轴座上,轴的上端与联轴器相连。隔板和网板的材料均为1Cr18Ni9Ti,网板上的小孔直径一般为中6mm,网板上的小孔均经过扩孔,表面光滑,易于清洗。
㈢传动机构由电动机、行星摆线减速机和联轴器组成。联轴器中有根方键,当电动机失去电源或损坏时,拔去方键可手操转盘,实行手动清洗。在联轴器下方安装的转盘上,有4-8块撞块,它与行程开关起控制滤网的转和停。
四、立式清洗全自动滤水器技术规范:
额定流量:2000、2500、3000、4000、50300、400、600、800、1000、1500、OO、6000t/h
额定流量下的阻力:sE0.02MPa
工作压力:0.25MPa
水压试验压力:0.375Mpa
工作电压:380V
减速机的出轴转速:0.7-1.2r/min
排污水量不超过滤水总量的5%
五、立式清洗全自动滤水器运行:
⑴运行前应检查电动机、电动头和控制箱的绝缘,合格后方可进行下一步操作。
⑵确认滤网转停时间和排污阀开关时间,如安装后调试或大修后调试则应调整时间继电器,注意调整时间继电器时必须切断电源,不可带电作业。
⑶运行前检查减速机内油质、油量、合格后方可启动。
⑷运行前检查滤网转动是否灵活,如发现卡涩或有异常声响应检查原因,消缺后方可启动。
⑸检查各阀门开关是否灵活。关闭出水阀、电动排污阀、放水阀,开启进水阀和放气阀。当放气阀出口冒水后关闭放气阀。
⑹向滤网电动机送电,观察滤网旋转是否平稳,行程开关与转盘上的撞块位置是否吻合,滤网的转停时间是否达到要求,如不符要求则应停止运行,并予消缺。
⑺开启出水阀,检查滤网运转是否平稳,填料处有无漏水,如有漏水应拧紧填料盖螺母,做到滤网转动正常,填料处不漏水。
⑻检查电动排污阀开闭时间是否符合要求。
⑼启动冷却水升压泵后,应对立式清洗全自动滤水器再做一次全面检查,如无异常情况,则立式清洗全自动滤水器进入正常运行状态。
⑽立式清洗全自动滤水器停役后,关闭进出水阀和电动排污阀,开启放水阀和放气阀。放空存水,以免冬季结冰胀坏管子。如作为运行备用,则可不必开启放水阀和放气阀。
六、立式清洗全自动滤水器安装维护说明:
①凡出厂产品均经过水压试验,合格后方可出厂。
②安装前应检查立式清洗全自动滤水器基础是否完整、坚实,基础上的地脚螺孔尺寸或表面预埋铁件是否与立式清洗全自动滤水器底板一致。
③应使立式清洗全自动滤水器的底板与基础接触均匀,保持立式清洗全自动滤水器垂直,不得倾斜。当采用地脚螺栓时,应拧紧地脚螺母,使地脚螺栓与基础钢筋钩牢,并进行两次灌浆。
④当采用预埋铁件时,应将立式清洗全自动滤水器底板与预埋铁件焊牢。按减速机说明书要求、加好润滑油润滑脂。
⑤调整行程开关架和行程开关位置,使行程开关上的滚轮与转盘上的撞块位置相一致。
⑥调整电动排污阀的时间维电器,使得电动1小时开月一次,开启的延续时间为一小时。
⑦检查电动机、电动头和控制箱的绝缘,合格后方可送电、并检查控制箱上指示灯是否正常。
⑧启动滤网,检查停转是否正常。
⑨检查电动排污阀是否按时开启,开启的延续时间是否符合要求。
⑩跟随主机大修,每次更换填料盒中的填料。
当减速机采用润滑油润滑时,应经常添加或更换润滑油,具体要求详见减速机说明书。