2025年12月16日 08:32:58 来源:河北金坦化工装备有限公司 >> 进入该公司展台 阅读量:6

MVR蒸发器以其出色的节能效果被广泛应用于需要蒸发浓缩的各行各业,它出色的蒸汽回用技术改写了以锅炉蒸汽为热源的传统多效蒸发方式。比多效蒸发器具有更佳的节能效果。在大多数蒸发浓缩领域,MVR蒸发器已经完成了对多效蒸发器的换代更替。
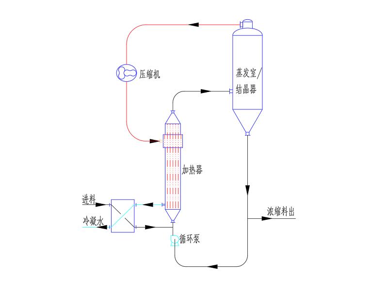
理解MVR蒸发的节能原理,我们需要首先理解蒸汽的热量性质,那就是同质量蒸汽冷凝释放的热量和水汽化的热量是相当的。也就是一吨蒸汽冷凝放热可以蒸发一吨水,无论水蒸气的压力是多少,只要冷凝,都会释放可观热量。
MVR蒸发器把蒸发出的水蒸气全部回收,经过压缩机机械增压后,蒸汽压力会有小幅提升,回收的蒸汽加压后温度会较物料高,于是可以对物料进行加热,自身冷凝放热,从而又蒸发出几乎等量的蒸汽,如此循环不已。所以MVR蒸发器付出的主要能量是用以提升蒸汽压力的机械能。少量的机械能输入,即可把蒸汽加压至可被再次利用的程度,从而避免了蒸汽外排,也就避免了大量热量的外排,从而节省了生蒸汽的消耗。
MVR蒸发器系统蒸汽消耗量很小,一定进料条件下(比如近沸点进料)可以不消耗蒸汽,从系统整体看仅供入了电能。
对于不消耗蒸汽的简化模型来宏观上分析MVR蒸发设备,系统进料为溶液,出料为冷凝水和浓缩液,或冷凝水和饱和结晶固体。固相所蕴含能量可忽略不计,进出系统的主要物料均为液相,整体无相变,能量所差不多,所以系统需要消耗的能量很小。
虽然多效蒸发器内部对蒸汽进行了多次利用,但是排离蒸发系统的有冷凝水和末效的蒸汽,末效蒸汽蕴含大量热量,从整体热平衡角度讲,进料必须有大量的热量供给才能达到整体的热量平衡,所以多效蒸发器要消耗大量的蒸汽。