广告招募

当前位置:中非贸易网 > 技术中心 > 所有分类

水冷螺杆式冷水机清洗、维修、保养方略

2025年12月16日 09:17:24      来源:陕西佰联热工设备有限公司 >> 进入该公司展台      阅读量:1

分享:

水冷螺杆式冷水机组检测保养维护方案

尊敬的贵司您好:

根据贵单位水冷螺杆式冷水机设备现行情况,我方关于设备冷却设备保养维护问题做出方案如下:

一、设备工作原理:

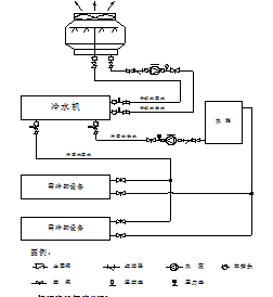
水冷螺杆式冷水机工作示意图

二、机组维护保养细则

1、为了保证机组的良好性能,请保持冷却水塔处于一个良好的环境,四周通风良好,温度适中,并保持供水水源不受污染。

2、冷水调节阀通常处于关闭位置

3、先关闭冷水机组后,再关冷冻水和冷却水泵。

4、每6个月或制冷机性能下降时,请清洗冷凝器和检查运行阀门处于正常状态。

5、水冷冷凝器工正常作压力应低于1.5MPa,风冷风凝器正常工作压力应低于2.2MPa。经常检查和清洗冷凝器能使机器,以保持的正常性能。

6、对于风冷式机器,请确保机器通风良好,并对冷凝器定期保养。

7、如果长时间没有使用,有时水泵叶轮会被沉淀物堵塞,故机器使用前先用手转动水泵散热风扇。

8、机组在运行过程中,应及时、正确地做好参数的记录工作。

9、机组运行中如出现报警停机,应及时通知相关人员对机组进行检查,如无法排除故障,可直接与厂方联系。

10、机组在运行过程中严禁将水流开关短接,以免冻破水管。

11、机房应配备相应的安全设备和维修检测工具,如压力表、温度计等,工具应存放在固

    定的位置。

12、机组短期停机后,不要关断主电源

13、如机组处于长期停机状态期间,应将冷水、冷却水系统的积水全部放净防止生锈。

14、机组在长期停机时,应做好维修保养工作。

15、建议每四年或润滑油油质变差、油内杂质和水分增加时,更换润滑油。

16、每年至少清洗次冷凝器,建议每年使用前清洗一次,夏天最热天清洗一次。

17、在压缩机换季运行前,油加热器必须提前加热至少24小时。

 、使用注意事项

1、 为保持机组运行处于正常工况,应定期对以下项目进行检查,必要时进行调整,同时做好检查记录。

   2、 确保先关闭冷水机组后, 再关冷冻水泵和冷却水泵。

3、 冷凝器每3个月或高压不正常时清洗一次。

 冷却塔运行较长时间后,会产生水垢和霉物,使机组制冷能力降低,同时也可能导致保护装置频繁动作而无法正常运行。

 水质不能确定的地区,冷凝器应经常清洗。

 关于清洗的具体方法,请与当地销售商联系。

4、如果长时间没有使用,有时水泵叶轮会被沉淀物堵塞,故机器使用前先用手转动水泵散热风扇。

5、机组运行中如出现报警停机,应及时通知相关人员对机组进行检查,如无法排除故障,可直接与厂方或当地销售商联系。

6、机房应配备相应的安全设备和维修检测工具,如压力表、温度计等,工具应存放在固

   定的位置。

7、机组停机后,不要关断主电源。

8、如机组处于长期停机状态期间,应将冷水、冷却水系统的风部积水全部放净,防止产生锈蚀。水室端盖应密封住。

9、机组在长期停机时,应做好维修保养工作。

10、建议每四年或润滑油油质变差、油内杂质和水分增加时,须更换润滑油

、技术资料参考

1、冷水机组的正常工作范围:

2、运行参数应控制在下表范围内:

项目

内容

电源电压

额定电压的±10%

相间压差

额定电压的±2%

电源频率

额定频率的±2%

冷却水、冷冻水温度

见工作范围图

偏离时间

<1小时(无负荷)

压缩机开停时间间隔

启动时:>6分钟;停止时>3分钟

冷却水、冷冻水水质要求

见水质标准表

水流速度

1.1-2.0m/s(蒸发器)

0.8-2.8m/s(冷凝器)

冷冻水、冷却水压力

<1.0MPa

安装位置

避免雨淋

排水

设置排水沟

3、水质标准表:

冷(热)水水质对机组的性能和寿命有很大影响。因此必须在机组使用之前检验水质。

水质标准如表所示。

应根据需要对水质进行化学处理。

水质标准JRA GL-02-1994)


项目

冷 却 水

冷冻水

倾向

循环水系统

通过水

腐蚀

污垢积聚

循环水

补充水

循环水

补充水

标准值

PH值(25℃)

6.5-8.2

6.0-8.0

6.8-8.0

6.8-8.0

6.8-8.0

О

О

导电率(ms/m)(25℃)

(μs/cm)(25℃)

<80

<800

<30

<300

<40

<400

<40

<400

<30

<300

О

О

氯离子(mgCl-/l)

<200

<50

<50

<50

<50

О

硫酸根离子(mgSO42-/l)

<200

<50

<50

<50

<50

О

酸耗量(mgCaCO3/l)

<100

<50

<50

<50

<50

О

钙硬度(mgCaCO3/l)

<150

<50

<50

<50

<50

О

总硬度(mgCaCO3/l)

<200

<70

<70

<70

<70

О

硅含量(mgSiO2/l)

<50

<30

<30

<30

<30

О

参考值

铁含量(mgFe/l)

<1.0

<0.3

<1.0

<1.0

<0.3

О

О

铜含量(mgCu/l)

<0.3

<0.1

<1.0

<1.0

<0.1

О

硫离子(mgS2-/l)

测不到

测不到

 

版权与免责声明:
1.凡本网注明"来源:中非贸易网"的所有作品,版权均属于中非贸易网,转载请必须注明中非贸易网。违反者本网将追究相关法律责任。
2.企业发布的公司新闻、技术文章、资料下载等内容,如涉及侵权、违规遭投诉的,一律由发布企业自行承担责任,本网有权删除内容并追溯责任。
3.本网转载并注明自其它来源的作品,目的在于传递更多信息,并不代表本网赞同其观点或证实其内容的真实性,不承担此类作品侵权行为的直接责任及连带责任。其他媒体、网站或个人从本网转载时,必须保留本网注明的作品来源,并自负版权等法律责任。 4.如涉及作品内容、版权等问题,请在作品发表之日起一周内与本网联系。