广告招募

当前位置:中非贸易网 > 技术中心 > 所有分类

变径扩散过滤器一头大一头小特殊泵口用

2025年12月22日 09:27:36      来源:沧州普惠机电设备有限公司 >> 进入该公司展台      阅读量:10

分享:

       变径扩散过滤器一头大一头小特殊泵口用

       承接变径扩散过滤器,进口与出口不一样大的扩散过滤器,一头大一头小,用于特殊场合泵口用,量小。普惠造变径扩散过滤器。
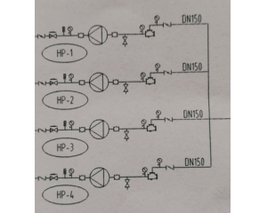
变径扩散过滤器变径扩散过滤器管道图

为什么会有变径扩散过滤器

       工作中在工程现场常出现管道变径的事,在泵口装个过滤器,还要实现同时实现变径。这样省的直接用管道做变径了。扩散过滤器就是一个很好选择,采购扩散过滤器直接要求厂家做个处理,进口与出口做别一样大小。不管大变小,还是小变大都行的。通常是大变小,大是进口,小是出口。
扩散过滤器拦截杂物效果很好,使用也方便,细小杂物可以直接通过排污口排出,大杂物可以通过大排污口进行取出来。在大排污口,能直接把滤网取出来的,这样过滤器就能得到清洗,清洗后重新加载,新品一样好用。
       图片中这是一个相对典型的管道布置图DN150这个管子进水,左是出水。
       我们普惠是做什么的?就是专业做变径扩散过滤器单子的,阳光经营,不因为定制而“恃才傲物”高价格,诚信做事,永远朋友式客户关系。咨询更多变径扩散过滤器信息打电话。
版权与免责声明:
1.凡本网注明"来源:中非贸易网"的所有作品,版权均属于中非贸易网,转载请必须注明中非贸易网。违反者本网将追究相关法律责任。
2.企业发布的公司新闻、技术文章、资料下载等内容,如涉及侵权、违规遭投诉的,一律由发布企业自行承担责任,本网有权删除内容并追溯责任。
3.本网转载并注明自其它来源的作品,目的在于传递更多信息,并不代表本网赞同其观点或证实其内容的真实性,不承担此类作品侵权行为的直接责任及连带责任。其他媒体、网站或个人从本网转载时,必须保留本网注明的作品来源,并自负版权等法律责任。 4.如涉及作品内容、版权等问题,请在作品发表之日起一周内与本网联系。