2025年12月24日 09:16:59 来源:江西省江崎贸易有限公司 >> 进入该公司展台 阅读量:19
江崎中部地区办事处推荐 日本KONSEI近藤商社 LED照明灯数字控制器
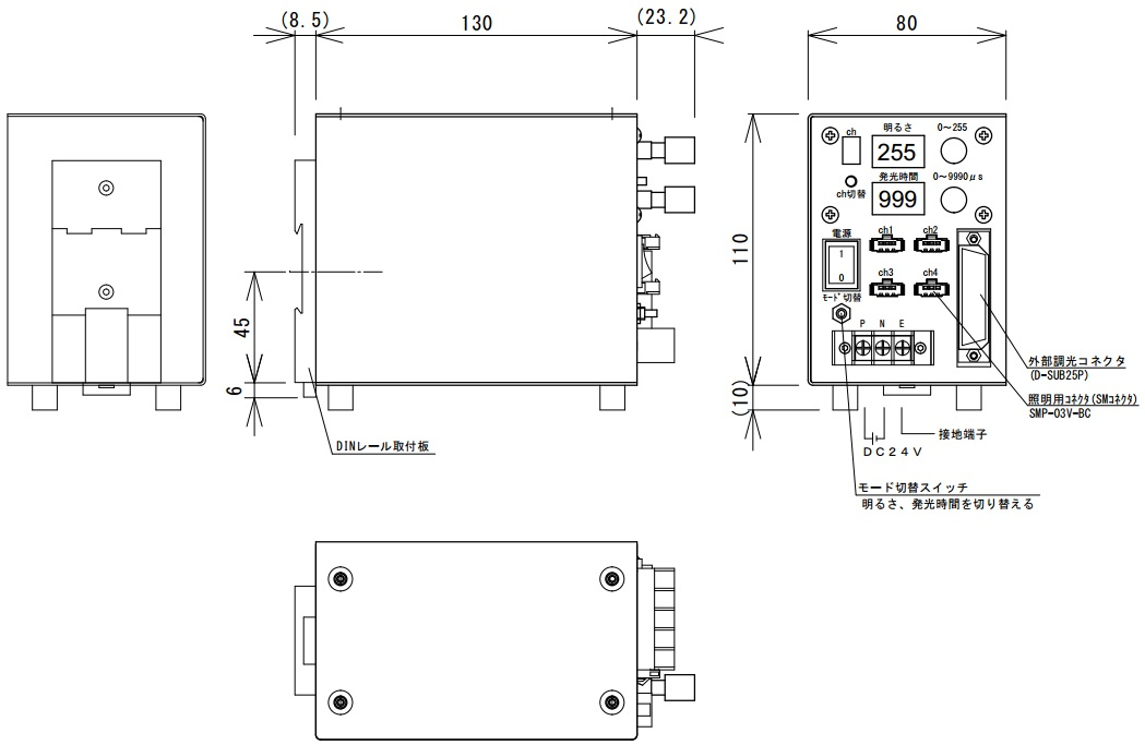
LED照明数字控制器
连接器和操作面集成在同一面。
PC系列
操作性良好的操作界面
采用数字化设计,调光及发光时间的调整更加容易。
大容量
LED照明连接容量合计可达200W。
每个连接端口*多可以连接70W。
○数字控制器
名称 控制器
聚光灯用控制器 型号 PC2-4A PC2-4AS 输入电压 DC24V 输出电压 DC24V DC5V 容量 200W(控制器总量)
※各连接端口可连接70W
连接端口数 4 调光阶调值 256 发光时间阶调值 999
按下模式切换开关,就能使用
外部控制连接器 D-SUB25Pオス 调光控制 外部 调光 8bit 熄灯 1bit(独立端口) 选择端口 4bit 发光时间 10bit 0~9990μs(10μs单位)
按下模式切换开关,就能使用
手动 调光 旋转开关 保存 按下旋转开关 发光时间 旋转开关
按下模式切换开关,就能使用
光发射和保存 按下旋转开关 方式 127kHzPWM控制 发射延迟 10μs以下 环境 周边温度 0〜45℃ 周边湿度 85%RH以下(不结露) 质量 0.8kg

江崎目前已获得CCS晰写速、SEN日森、EYE岩崎、USHIO牛尾、FUNATECH船越龙、HIKARIYA光屋、SERIC索莱克、REVOX莱宝克斯、ORIHARA折原、SONIC索尼克、YUASA尤安萨、EYELA东京理化、SANKO三高、NEWKON新光、HEIDON新东科学、TAKASAGO高沙、MITUTOYO三丰、JIKCO吉高、NPM日脉、AND艾安德、ONOSOKKI小野、PISCO碧铄科、TOPCON拓普康、NDK电波工业、STANLEY史丹利、HIOS好握速、SATA世达、HAKKO白光、TOHNICHI东日、NITTO KOHKI日东工器等多家品牌认证。
主要合作客户有:关西涂料(ALESCO)、欧菲科技(O-film)、泰晶科技(TKD)、中芯国际(SMIC), 京东方(BOE) ,华星光电(CSOT),天马(TIANMA), 柔宇(ROYOLE) 丰田(TOYOTA), SUZUKI(铃木),比亚迪(BYD),大疆(DJI),艾华集团(AISHI);骏马精密(ZAMA)三一重工(SANY),中联重科(ZOOMLION)等,凭借专业销售代理的经验,成熟的产品,赢得了广大客户的信任。
江西省江崎贸易有限公司会恪守“诚信、品质、快速、贴心”的服务宗旨,不断提升专业的技术服务水平,与客户及供应商实现共同发展。通过减少中间环节,并提供便利的配送服务,将实惠和安心送到每一个客户的手中。
京都玉崎株式会社-中部子公司
江西省江崎贸易有限公司
2024.5.9