2025年12月24日 09:44:55 来源:深圳市晶诺威科技有限公司 >> 进入该公司展台 阅读量:7

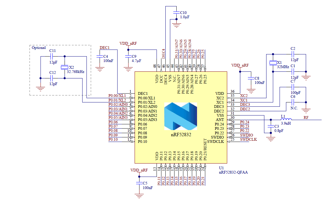
1、Schematic QFAA and QFAB QFN48 with internal LDO setup

2、 Schematic QFAA and QFAB QFN48 with DC/DC regulator setup

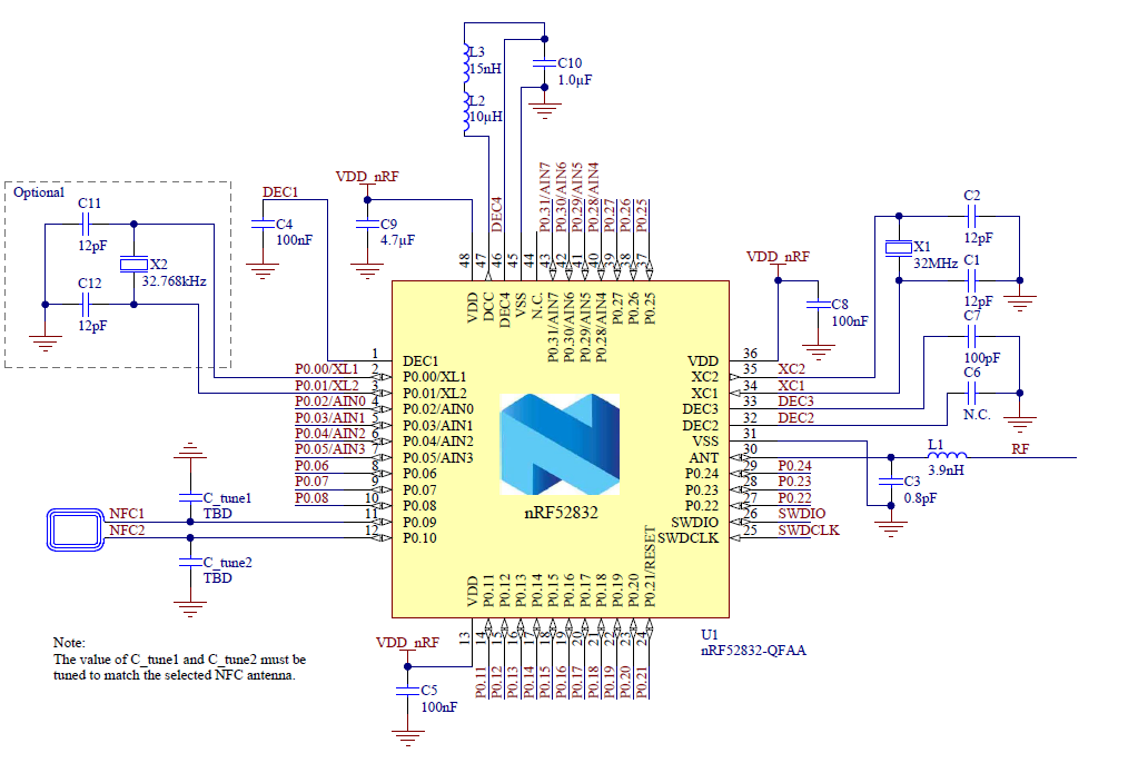
3、 Schematic QFAA and QFAB QFN48 with DC/DC regulator and NFC setup

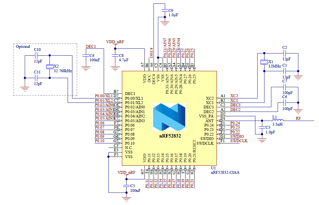
4、 Schematic CIAA WLCSP with internal LDO setup

5、 Schematic CIAA WLCSP with DC/DC regulator setup

6、 Schematic CIAA WLCSP with DC/DC regulator and NFC setup
