2025年12月24日 10:08:38 来源:深圳市晶诺威科技有限公司 >> 进入该公司展台 阅读量:7

石英晶体如何产生一个频率?它在什么电路中可以变成方波输出?
1、石英晶体的基本工作原理是压电效应。
在石英晶体的两个电极上加直流电场,晶片就会产生机械形变。反之,若在晶片的两侧施加机械压力,则会在晶片相应的方向上产生电场,这种现象称为压电效应。
2、石英晶体产生稳定频率信号原理是基于压电谐振。
若在晶片的两极上加交变激励电压,晶片就会产生机械振动,同样晶片的机械振动又会产生交变电场。且当外加交变电压的频率为某一特定值(谐振频率)时,振幅明显加大,比其它频率激励下的振幅大得多,这种现象称为压电谐振。
由于压电谐振效应,非谐振频率的信号受到抑制,而谐振频率信号通过自我激励得以放大,实现单一频率输出。
3、石英晶体可以等效为RLC串联谐振电路。也就是一个电阻、一个电感和一个电容的串联,电感和电容决定谐振频率。
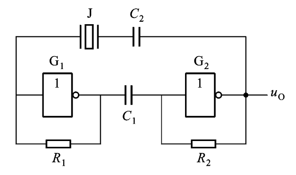
4、石英晶体与555时基电路,逻辑电路的反相器等一起使用可以产生方波。下图就是与反相器一起组成的方波发生器。
