2025年12月26日 08:10:59 来源:深圳市晶诺威科技有限公司 >> 进入该公司展台 阅读量:13

关于低相噪方波输出高频VCXO7050-4pin压控晶体振荡器规格参数,晶诺威科技说明如下:
主要参数
主要应用领域:
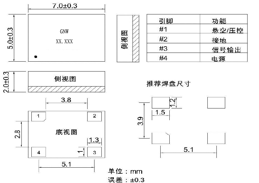
低相噪方波输出VCXO7050压控晶体振荡器规格参数
卫星导航及通信系统、无线通信系统、低抖动射频通信电路、低相噪信号源、高清电视系统等
常规频点:
80MHz、100MHz、120MHz、122.88MHz
电气参数详情见下表

压控晶体振荡器 (Voltage Controlled Crystal Oscillator,简称VCXO)是一种通过调节外部控制电压来改变输出频率的晶体振荡器。 其基于晶体振荡器的高稳定性,同时具备频率可调特性,广泛应用于对频率精度要求较高的领域。