2025年12月26日 09:16:06 来源:深圳市晶诺威科技有限公司 >> 进入该公司展台 阅读量:19

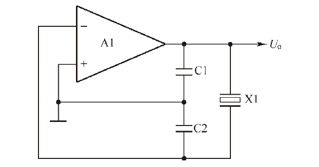
晶振构成的并联型振荡器
下图所示为晶振构成的并联型振荡器电路。电路中,X1 是晶振,它等效成一只电感L,与电容C1 和C2 构成电容三点式正弦波振荡器,将晶振等效成一个电感L,那么就能看出这是一个电容三点式正弦波振荡器。

晶振构成的并联型振荡器电路
1、一般电路中的C1、C2 值要比其他杂散电容高8 ~ 10 倍,来减少杂散电容影响。
2、一般集成电路的引脚有2 ~ 3pF 杂散电容。
3、晶振内部电容C0 容量为3 ~ 5pF。
微控制器电路中晶振电路
微控制器中大量使用晶振构成的振荡器,下面具体介绍各类电路。
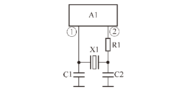
1、电路之一

上图所示是电路之一。这是一个具有两根振荡元件引脚的电路。X1 是晶振,接在集成电路A1 的①脚和②脚之间,集成电路A1 的内部电路中设有一个反相器,这一反相器电路与外接的X1 和C1、C2 构成一个振荡器,其振荡频率主要由晶振X1 决定,电容C1 和C2 对振荡频率略有影响,可以起到对振荡频率的微调作用。
电路中的集成电路A1 的①脚是振荡信号输出端,②脚是振荡信号输入端。
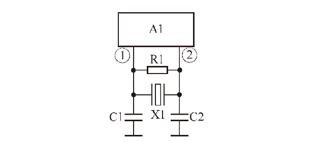
2、电路之二

上图所示是电路之二。这一电路中多了一只电阻R1。电路中集成电路A1 的①脚是振荡信号输入端,②脚是振荡信号输出端,X1 为晶振。
如果时钟信号采用外接方式时,将②脚外部电路断开,外部的时钟信号从①脚输入到集成电路A1 的内部电路中。
3、电路之三

上图所示是电路之三。这一电路的特点是在晶振X1 上并联了一只电阻,实际上该电阻在许多电路中是设置在集成电路A1 内部电路中的。
4、电路之四

上图所示是电路之四。该电路特点是电容C1 和C2不是直接接地,而是接在直流电源+VCC 端。由于直流电源端对交流而言是等效接地的,所以对交流(振荡信号)而言,电容C1 和C2 仍然是一端接地的,其振荡电路的工作原理同前面几种电路一样。
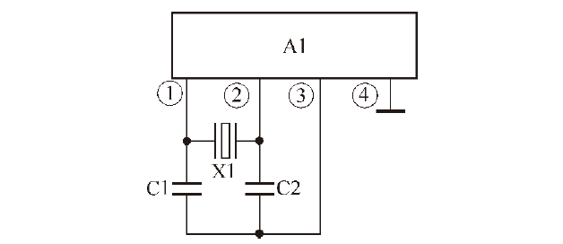
5、电路之五

上图所示是电路之五。该电路的特点是电容C1 和C2 连接起来后接在集成电路A1 的③脚,集成电路A1 的③脚在内部电路中与接地引脚④脚相连,这样C1 和C2 的一端还是相当于接地的。
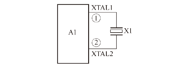
6、电路之六

上图所示是电路之六。该电路的特点是电路中没有电容C1 和C2。电路中,集成电路A1的XTAL1 引脚是内部振荡器电路的外接晶振输入端,这一引脚也可以用来接入外部振荡源,即它也是外部时钟脉冲的输入端。XTAL2 引脚是内部振荡器的输出端,用来外接晶振的另一端。
7、电路之七

上图所示是电路之七。这是单根引脚的电路,从图中可看出,电路中只有一根引脚用来外接晶振X1。图(a)和图(b)所示电路不同之处是;一个X1 串接有电阻R1,另一个则没有这一电阻。