2025年12月28日 08:22:00 来源:武汉晶凯源科技有限公司 >> 进入该公司展台 阅读量:9
开关电源由功率级和控制电路组成。 功率级执行从输入电压到输出电压的基本功率转换,包括开关和输出滤波器。 本问内容仅涉及降压功率级,不涉及控制电路。 介绍了在连续和非连续模式下运行的降压功率级的详细稳态和小信号分析。包括标准降压功率级的变化和功率级组件选型的讨论。
一、了解一下
常用的三种基本开关电源拓扑是降压、升压和降压-升压。这些拓扑是非隔离的,即输入和输出电压共享一个公共地。然而,这些非隔离拓扑存在隔离派生。电源拓扑是指开关、输出电感和输出电容的连接方式。每个拓扑都有独特的属性。这些特性包括稳态电压转换比、输入和输出电流的性质以及输出电压纹波的特性。另一个重要特性是占空比到输出电压传递函数的频率响应。见也可能是的功率级拓扑结构是降压功率级,有时也称为降压功率级。电源设计人员之所以选择降压功率级,是因为输出电压始终小于同极性的输入电压,并且未与输入隔离。降压功率级的输入电流由于电源开关(Q1 ) 每个开关周期从零到 Io 脉冲的电流。这降压功率级的输出电流是连续的或非脉动的,因为输出电流是由输出电感器/电容器组合提供的;输出电容从不提供整个负载电流。本文将描述降压功率级在连续模式和非连续模式操作下的稳态操作,并给出了理想波形。在介绍了 PWM 开关模型之后,给出了占空比到输出电压的传递函数。

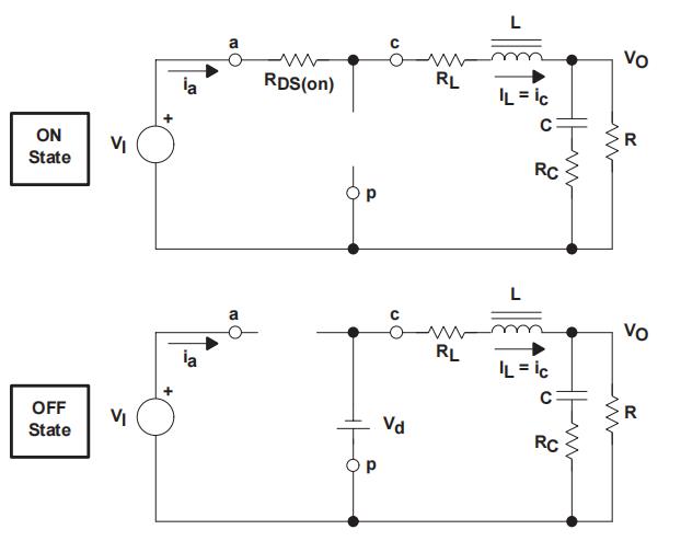
图1 BUCK功率级原理图
图 1 显示了包含驱动电路块的降压功率级的简化示意图。 电源开关 Q1 是一个 n 沟道 MOSFET。 二极管 CR1 通常称为捕捉二极管或续流二极管。 电感器 L 和电容器 C 构成输出滤波器。 分析中包括电容器 ESR、RC(等效串联电阻)和电感器直流电阻 RL。 电阻器 R 代表功率级输出所见的负载。
在降压功率级的正常运行期间,Q1 会反复接通和断开,接通和断开时间由控制电路控制。 这种开关动作会在 Q1、CR1 和 L 的连接点产生一串脉冲,这些脉冲被 L/C 输出滤波器过滤以产生直流输出电压 VO。 以下各节将给出更详细的定量分析。
二、BUCK功率级稳态分析
功率级可以在连续或不连续电感电流模式下工作。连续电感电流模式的特点是在稳态工作的整个开关周期内,电流在电感中连续流动。不连续电感电流模式的特点是电感电流在部分开关周期内为零。它从零开始,达到峰值,然后在每个开关周期内返回零。稍后将更详细地讨论这两种不同的模式,并给出了电感值的设计指南,以根据额定负载保持选定的操作模式。 非常希望功率级仅在其预期范围内保持一种模式工作条件,因为功率级频率响应在两种工作模式之间变化很大。
在此分析中,使用了一个 n 沟道功率 MOSFET,驱动电路将正电压 VGS(ON) 从栅极施加到 Q1 的源子,以打开 FET。使用 n 沟道 FET 的优点是其 RDS(on) 较低,但由于需要浮动驱动,因此驱动电路更加复杂。对于相同的芯片尺寸,p 沟道 FET 具有更高的 RDS(on),但通常不需要浮动驱动电路。
晶体管 Q1 和二极管 CR1 绘制在虚线框内,端子标记为 a、p 和 c。电感电流 IL 也标记为 iC,是指流出端子 c 的电流。这些项目在降压功率级建模部分有完整的解释。
2.1 BUCK CCM模式稳态分析
以下是连续导通模式下稳态操作的说明。本节的主要结果是推导了连续导通模式降压功率级的电压转换关系。这个结果很重要,因为它显示了输出电压如何取决于占空比和输入电压,或者相反,如何根据输入电压和输出电压计算占空比。稳态意味着输入电压、输出电压、输出负载电流和占空比是固定的而不是变化的。变量名称通常使用大写字母来表示稳态量。
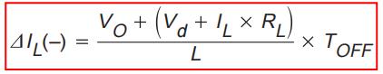
在连续导通模式下,降压功率级在每个开关周期呈现两种状态。 ON 状态是当 Q1 为 ON 且 CR1 为 OFF 时。 OFF 状态是当 Q1 为 OFF 且 CR1 为 ON 时。一个简单的线性电路可以表示两种状态中的每一种,其中电路中的开关在每种状态下都被等效电路代替。两种状态的电路图如图 2 所示。

图2 BUCK功率级CCM模式工作过程
导通状态的持续时间为 D × TS = TON 其中 D 是占空比,由控制电路设置,表示为开关导通时间与一个完整开关周期时间 Ts 的比率。 OFF 状态的持续时间称为 TOFF。 由于连续模式每个开关周期只有两个状态,TOFF 等于 (1–D) × TS。 量 (1–D) 有时称为 D'。 这些时间与图 3 中的波形一起显示。

图3 CCM模式工作波形
参考图 2,在 ON 状态下,Q1 从其漏极到源极呈现低电阻 RDS(on),并且具有 VDS = IL × RDS(on) 的小压降。电感的直流电阻上还有一个小电压降,等于 IL × RL。因此,输入电压 VI 减去损耗 (VDS + IL × RL) 被施加到电感器 L 的左侧。在此期间 CR1 处于关闭状态,因为它是反向偏置的。施加到 L 右侧的电压就是输出电压 VO。电感电流 IL 从输入源 VI 流经 Q1 并流向输出电容器和负载电阻器组合。在导通状态期间,施加在电感上的电压是恒定的,等于 VI – VDS – IL × RL –Vo。采用图 2 所示电流 IL 的极性约定,电感电流会随着施加的电压而增加。此外,由于施加的电压基本恒定,电感电流线性增加。 TON 期间电感电流的增加如图 3 所示。
电感电流增加的量可以使用熟悉的关系式计算:

导通状态期间电感电流的增加由下式给出:

这个量 ∆IL(+) 被称为电感纹波电流。
参考图 2,当 Q1 关断时,它的漏极到源极呈现高阻抗。因此,由于流入电感 L 的电流不能瞬间改变,电流从 Q1 转移到 CR1。由于电感电流减小,电感两端的电压极性反转,直到整流器 CR1 变为正向偏置并导通。 L 左侧的电压变为 –(Vd + IL × RL),其中数量 Vd 是 CR1 的正向压降。施加到 L 右侧的电压仍然是输出电压 VO。电感电流 IL 现在从地流经 CR1 并流向输出电容和负载电阻组合。在关断状态期间,施加在电感器两端的电压幅度是恒定的,等于 (VO + Vd + IL × RL)。保持我们相同的极性约定,此施加的电压是负的(或在导通期间与施加的电压极性相反)。因此,电感电流在关断时间内减小。此外,由于施加的电压基本恒定,电感电流线性下降。图 3 说明了 TOFF 期间电感电流的这种下降。
关断状态期间电感器电流的下降由下式给出:

这个量 ∆IL(–) 也称为电感纹波电流。
在稳态条件下,导通时间期间的电流增加量 ∆IL(+) 和关断时间段内的电流减少量 ∆IL(–) 必须相等。 否则,电感器电流将在周期与周期之间净增加或减少,这将不是稳态条件。 因此,可以将这两个方程对VO进行等式求解,得到连续导通模式降压转换关系。
解出Vo:

并且,用 TS 代替 TON + TOFF,并使用 D = TON/TS 和 (1–D) = TOFF/TS,VO 的稳态方程为:

请注意,在简化上述过程中,假设 TON + TOFF 等于 TS。 这仅适用于连续传导模式,我们将在不连续传导模式分析中看到。
补充知识点:(关于伏秒平衡)
这里有一个重要的点:将 ΔIL 的两个值设置为彼此相等相当于平衡电感器上的伏秒数。 施加到电感器的伏秒是施加电压和施加电压时间的乘积。 这是根据已知电路参数计算 VO 或 D 等未知值的方法,本文将重复应用该方法。 电感器上的伏秒平衡是一种物理必需品,至少应该和欧姆定律一样理解。
在上述 ∆IL(+) 和 ∆IL(–) 等式中,直流输出电压被隐含地假定为常数,在导通时间和关断时间内没有交流纹波电压。 这是一种常见的简化,涉及两种不同的效果。 首先,假设输出电容足够大,其电压变化可以忽略不计。 其次,还假定电容器 ESR 两端的电压可以忽略不计。 这些假设是有效的,因为交流纹波电压被设计为远小于输出电压的直流部分。
上述 VO 的电压转换关系说明了这样一个事实,即 VO 可以通过调整占空比 D 来调整,并且始终小于输入,因为 D 是介于 0 和 1 之间的数字。 常见的简化是假设 和 RL 小到可以忽略。 将 VDS、Vd 和 RL 设置为零,上述等式可大大简化为:

将电路操作可视化的另一种简化方法是将输出滤波器视为平均网络。 这是一种有效的简化,因为滤波器截止频率(通常在 500 Hz 和 5 kHz 之间)始终远低于电源开关频率(通常在 100 kHz 和 500 kHz 之间)。 施加到滤波器的输入电压是 Q1、CR1 和 L 结点处的电压,标记为 Vc–p。 滤波器通过 Vc–p 的直流分量(或平均值)并大大衰减输出滤波器截止频率以上的所有频率。 因此,输出电压只是 Vc-p 电压的平均值。
为了将电感电流与输出电流相关联,请参见图 2 和图 3,请注意电感在整个开关周期内向输出电容器和负载电阻组合提供电流。 开关周期内平均的电感电流等于输出电流。 这是正确的,因为输出电容器中的平均电流必须为零。 以等式形式,我们有:

此分析适用于连续电感电流模式下的降压功率级操作。 下一节将描述非连续导通模式下的稳态操作。 主要结果是推导出非连续传导模式降压功率级的电压转换关系。