2025年12月30日 09:08:31 来源:深圳市晶诺威科技有限公司 >> 进入该公司展台 阅读量:0
石英晶振是一种常见的电子频率元件。晶振的作用是为时钟芯片提供时钟信号。石英晶振具备高稳定,高精度及抗干扰性等优良特性,因此被广泛应用于大量数码电子产品之中。
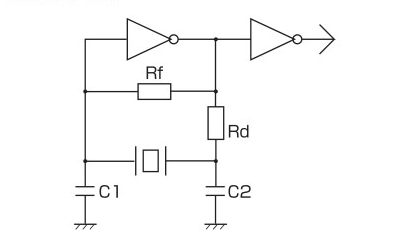
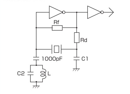
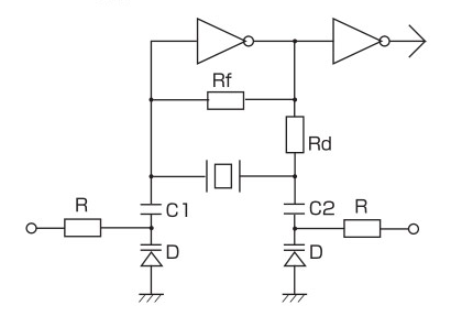
常见的晶振振荡电路有三种:基波振荡电路、谐波振荡电路及压控振荡电路。

(基波振荡电路:晶振以基波模式振荡)

(谐波振荡电路:晶振以高次振动模式(谐波)振荡的电路,也可以通过基波振荡电路方式使用)

(VCXO压控振荡电路:利用晶振负载电容特性来实现频率控制功能的振荡电路)