2025年12月30日 09:36:34 来源:深圳市晶诺威科技有限公司 >> 进入该公司展台 阅读量:16

晶振电路形式有很多种,的有两种:并联和串联
1、晶振接在振荡回路中,作为电感元件使用,这种电路形式称为并联。
2、晶振作为串联短路元件使用,使其工作于串联谐振频率上,这种电路形式称为串联。
何为并联?这种晶振电路原理和一般LC振荡器相同,只是把晶振接在振荡回路中作为电感元件使用,并与其它回路元器件一起,按照三点式电路的组成原则与晶振相连。而串联晶振振荡电路是把晶振接在正反馈支路中,当晶振工作在串联谐振频率上时,其总电抗为零,等效为短路元件,这时反馈作用,满足振幅起振条件。
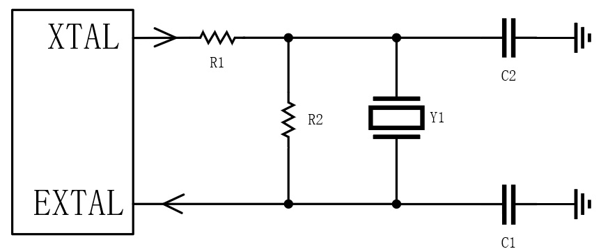
见晶振电路图如下所示:

图1,若把晶振等效为一电感LD时,该电路即成为电容三点式振荡器,只有频率在晶振的fo与f∞之间时,晶振才会呈现出感抗特性;串联谐振电路与电容三点式振荡电路十分相似,区别体现在反馈信号不是直连至半导体管的发射端,而是经晶振接入实现正反馈。若LC选频回路的振荡频率等于晶振的串联谐振频率,晶振就会呈现很小的电阻,实现正反馈,满足振荡条件,振荡电路便可起振。
拓展阅读:
关于无源晶振电路中是否需要并联电阻和/或串联电阻的说明
关于无源晶振电路中是否需要并联电阻和/或串联电阻,请仔细阅读IC手册。如果IC部分已含有反馈电阻,则外部晶振电路无需再并联反馈电阻。另外,如果晶振电路不存在过驱问题,也无需串联电阻(阻尼电阻)。