2025年12月31日 08:14:10 来源:深圳市晶诺威科技有限公司 >> 进入该公司展台 阅读量:9

对应MCU、或USB HUB一般需外部提供时钟信号,需要外挂一颗晶振。如何结合晶振的负载电容计算外匹配电容容值以及在晶振振荡电路设计时需注意哪些事项?
晶振负载电容定义
晶振的负载电容是指在电路中跨接晶振两端的总的外界有效电容,是晶振要正常震荡所需要的电容如果从晶振插脚两端向振荡电路方向看进去的全部有效电容为该振荡电路加给晶振的负载电容晶振的负载电容的定义如下式:

其中:
CS为晶振两个管脚之间的寄生电容(又名晶振静态电容或Shunt Capacitance),在晶振规格书上可以找到具体值,一般0.2pF~8pF不等。如图二是某32.768KHz的电气参数,其寄生电容典型值是0.85pF(在表格中采用的是Co)

图1、某晶振的电气参数
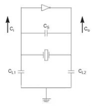
CG指的是晶振振荡电路输入管脚到GND的总电容,其容值为以下三个部分的和
CD指的是晶振振荡电路输入管脚到GND的总电容容值为以下三个部分的和
图1中标示出了CG,CD,CS的组成部分

图2、晶振振荡电路的概要组成
(2)晶振负载电容和频偏之间的关系
负载电容(load capacitance)主要影响负载谐振频率和等效负载谐振电阻,它与石英谐振器一起决定振荡器的工作频率,通过调整负载电容,一般可以将振荡器的工作频率调到标称值应用时我们一般外接电容,便是为了使晶振两端的等效电容等于或接近负载电容,对于要求高的场合还要考虑ic输入端的对地电容,这样便可以使得晶振工作的频率达到标称频率
负载电容常用的标准值有12.5 pF,16 pF,20 pF,30pF,负载电容和谐振频率之间的关系不是线性的,负载电容变小时,频率偏差量变大;负载电容提高时,频率偏差减小。图3是一个晶体的负载电容和频率的误差的关系图

图3、晶振误差—负载电容(22 pF 负载电容)
晶振负载电容外匹配电容CL1及CL2计算
如图3所示,如果晶振两端的等效电容与晶振标称的负载电容存在差异时,晶振输出的谐振频率将与标称工作的工作频率产生一定偏差(又称之为频偏),所以合理匹配合适的外加电容使晶振两端的等效电容等于或接近负载电容显得十分重要
假设我们需要计算的电路参数如下所述芯片管脚的输入电容如图三CN56XX所示,Ci=4.8pF;所需要采用的晶体规格如图二所示,标称负载电容CL=12.5pF,晶体的寄生电容CS=0.85pF

我们可以得到下式:

为了保持晶振的负载平衡,在实际应用中,一般要求CG=CD,所以进一步可以得到下式:

根据CG的组成部分,可以得到:
CG=Ci+CPCB+CL1=23.3pF
晶振布线时都会要求晶振尽量靠近振荡电路,所以CPCB一般比较小,取0.2pF;Ci=4.8pF所以最终的计算结果如下:(CL2的计算过程类似)
CL1=CL2=18.3pF≈18pF
例外情况:
现在一些芯片内部已经增加了补偿电容(Internal Capacitance),所以在设计的时候,只需要选按照芯片参数推荐的负载电容值的选择晶振即可,不需要额外再加电容。但是因为实际设计的寄生电路的不确定性,还是预留CL1/CL2的位置。
以上的计算都是基于CG=CD的前提。
晶振振荡原理及设计原则
各种逻辑芯片的晶振引脚可以等效为电容三点式振荡器。 晶振引脚的内部通常是一个反相器,或者是奇数个反相器串联。 在晶振输出引脚 XO 和晶振输入引脚 XI 之间用一个电阻连接。 对于 CMOS 芯片通常是数 M 到数十 M 欧之间。 很多芯片的引脚内部已经包含了这个电阻,引脚外部就无需再接。 这个电阻是为了使反相器在振荡初始时处与线性状态,反相器就如同一个有很大增益的放大器,以便于晶振起振。
无源晶振电路等效为一个并联谐振回路。 晶振旁边的两个电容接地,实际上就是电容三点式电路的分压电容,接地点就是分压点。 以接地点即分压点为参考点,振荡引脚的输入和输出为反相,但从并联谐振回路即晶振两端来看,形成一个正反馈以保证电路持续振荡。 在芯片设计时,这两个电容就已经形成,一般是两个的容量相等。外接电容元件的大小一般为数 PF 到数十 PF,依频率和晶振的特性而定。 需要注意的是:这两个电容串联的值是并联在谐振回路上的,会影响振荡频率。 当两个电容量相等时,反馈系数是0.5,一般是可以满足振荡条件的,但如果不易起振或振荡不稳定可以减小输入端对地电容量,而增加输出端的值以提高反馈量。
设计考虑事项:
1、使晶振、外部电容元件(如果有)与 IC之间的信号线尽可能保持最短当非常低的电流通过IC晶振振荡器时,如果线路太长,会使它对 EMC、ESD 与串扰产生非常敏感的影响而且长线路还会给振荡器增加寄生电容。
2、尽可能将其它时钟线路与频繁切换的信号线路布置在远离晶振连接的位置。
3、注意晶振和地的走线。
4、将晶振外壳接地。
如果实际的负载电容配置不当,会引起线路参考频率的误差。另外,如在发射接收电路上会使晶振的振荡幅度下降(不在峰点),影响混频信号的信号强度与信噪当波形出现削峰。畸变时,可增加负载电阻调整(几十Ω到几百Ω)。若要稳定波形,建议为MHz无源晶振增加一个并联1M左右的反馈电阻,如下图所示:

注:串联电阻R1值的大小由晶体X1决定。