2025年12月31日 08:19:28 来源:江西省江崎贸易有限公司 >> 进入该公司展台 阅读量:7
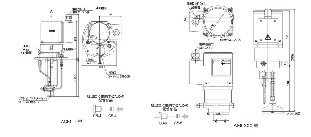
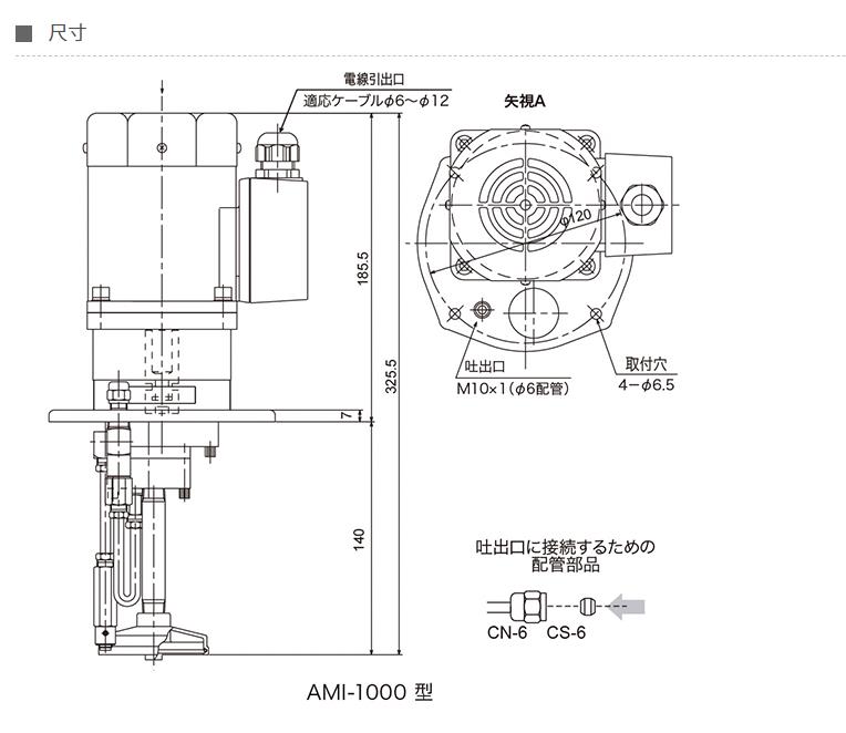
日本LUBE电动泵型号AMI-1000-2使用现场
| 型式 | コードNO. |
|---|---|
| ACM-Ⅱ-1 | 102484 |
| ACM-Ⅱ-2 | 102486 |
| AMI-300-1 | 202035 |
| AMI-300-2 | 202036 |
| AMI-1000-1 | 202132 |
| AMI-1000-2 | 202131 |
| AMI-1000-3 | 202275 |
● サクションフイルターは、年1回交換または洗浄してください。
適応表をご覧ください。
● オイルは夏、冬場の油温により粘度変化しますので使用粘度範囲内で、使用するように注意してください。粘度表をご覧ください。
● 特殊添加物オイル、水溶性オイル、溶剤等は、使用しないでください。
● 使用中のオイルは定期的に不純物の混入などを点検し、発見された場合は、ただちにタンク内を洗浄し、新油と交換してください。
● 電圧等の間違いにはご注意ください。
● 吐出口の継手は、締め込み過ぎないようにしてください。締め付けトルク表をご覧ください。
| ACM-II | AMI-300 | AMI-1000 | ||
| ポンプ | 吐出油量 | 60mℓ/min(50Hz)70mℓ/min(60Hz) | 300mℓ/min(50Hz)330mℓ/min(60Hz) | 1000mℓ/min(50Hz)1100mℓ/min(60Hz) |
| 吐出圧力 | 0.8MPa (**弁設定圧) | 0.5MPa(**弁設定圧) | 1.2MPa(**弁設定圧) | |
| モーター | 電圧/電流 | AC100Vφ1/0.51/0.52A | AC100Vφ1/0.76/0.74A | AC100Vφ1/1.2/1.19A |
| (コンデンサー8μF) | (コンデンサー11μF) | (コンデンサー20μF) | ||
| AC200Vφ3/0.23/0.21A | AC200Vφ3/0.32A/0.3A | AC200Vφ3/0.50/0.43A | ||
| 出力 | 25W 誘導電動機 | 40W 誘導電動機 | 60W 誘導電動機 | |
| 運転定格 | 連続 | |||
| 使用粘度範囲 | 32〜1300mm²/s | 65〜1300mm²/s | ||
| タンク有効容量 | 2ℓ、3ℓ、4ℓ、8ℓ(板金製) | |||
| 質量 | 4.0kg | 4.4kg | 7.1kg | |
| その他 | モーター回転方向:反時計方向 | モーター回転方向:時計方向 | モーター回転方向:反時計方向 | |
| 外付けヒューズ | 100V/1A 200V/0.5A | 100V/1.5A 200V/1A | 100V/2A 200V/1A |

江西省江崎贸易有限公司专业从事国内及贸易业务,主要经营光学设备、电子计测仪器、科学仪器、实验室设备、机械加工设备、环境试验设备、PC周边用品、作业工具用品、电源、化学用品、FA自动化类上万种产品的销售,其总部“株式会社タマサキ(京都玉崎株式会社)”,经过15年的市场耕耘,汇集1000多家国内外*代理商和品牌原厂,提供4个大类、800余个品牌、超过10万种产品,为客户提供便捷、高效的工业用品采购服务。链接各*商和客户,从产品、价格、物流、服务、数据等方面帮助上下游提升采购效率,直接降低成本!随着半导体,汽车,人工智能和新能源行业中迅速崛起,符合各行业的严格质量和可靠性要求,本着贴近客户提供及时快捷服务的销售方针,现已在北京,苏州,重庆,成都,深圳分部设立了分公司。专注于智能光源和测试仪器和FA自动化设备领域综合服务的销售网络,为客户提供及时而专业的服务。
目前已获得CCS、SEN、EYE、USHIO、FUNATECH、HIKARIYA、SERIC、REVOX、ORIHARA、SONIC、YUASA、EYELA、SANKO、NEWKON、HEIDON、TAKASAGO、MITUTOYO、JIKCO、NPM、AND、ONOSOKKI、PISCO、TOPCON、NDK等多家品牌*认证。
主要合作客户有:中芯(SMIC), 京东方(BOE) ,华星光电(CSOT),天马(TIANMA), 欧菲光(O-FILM), 柔宇(ROYOLE) 维信诺(VISIONOX), 丰田(TOYOTA), SUZUKI(铃木),比亚迪(BYD),大疆(DJI);骏马精密(ZAMA)等,凭借专业销售代理的经验,成熟的产品,赢得了广大客户的信任。
江西省江崎贸易有限公司会恪守“诚信、品质、快速、贴心”的服务宗旨,不断提升专业的技术服务水平,与客户及供应商实现共同发展。通过减少中间环节,并提供便利的配送服务,将实惠和安心送到每一个客户的手中。
京都玉崎株式会社-中部子公司
江西省江崎贸易有限公司
2025.02.05