2025年12月31日 09:06:38 来源:深圳市晶诺威科技有限公司 >> 进入该公司展台 阅读量:1

英文简称:TCXO
中文全称:高精度温补晶体振荡器
中文简称:温补晶振
英文全称:Temperature Compensate X’tal (crystal) Oscillator
模拟补偿原理
简单来说,TCXO的补偿方法一般采用模拟补偿,利用热敏元件的V~T特性,借由电阻网络的电压自动调节功能来改变晶振的容性负载,从而达到稳定其输出频率的目的。
TCXO主要参数说明
1、 Frequency tolerance(F_tol):TCXO在常温(+25 °C +/-2 °C)条件下的频率偏差值,表明产品初始频偏及离散性。
2、 Frequency / temperature coefficient(Fo-Tc):对应工作温度范围,温度带来的频率偏差,这是衡量TCXO 温度补偿功能的重要指标。这个指标也是区分精度等级的标准。
3、Frequency slope vs. Temp.:用于衡量TCXO 补偿后的温度频率特性,单位温度变化量对应的频率变化大小。部分应用如GPS 对该参数要求较高。
4、Frequency / Load coefficient (Fo-Load) :负载频率特性,负载在额定条件下变化带来的频偏偏差,例如,+/-0.1ppm @ 10k Ω//10pF ±10% each.
5、Frequency / Voltage coefficient (Fo-Vcc) : 供电电压变化带来的频率偏差。例如,+/-0.1ppm @ VCC=2.8V ± 0.14V.
6、Frequency aging (f_age) :一般给出标准使用条件下首年的老化数据。
7、 Output level (Vpp) :输出波形的幅度,根据接口模式的不同而不同。目前输出支持方波CMOS, 正弦波Sine Wave,削顶正弦波Clipped Sine Wave等模式。
8、 Symmetry (SYM) :波形占空比。
9、 SSB Phase noise (L(f)):相位噪声。评价频率源(振荡器)频谱纯度的重要指标。
TCXO常用频率
10MHz、12.288MHz、16.367MHz、16.368MHz、16.369MHz、16.667MHz、19.2 MHz、20MHz、26MHz、30.72MHz、50MHz、52MHz等
TCXO常用封装尺寸
1612、2016、2520、3225、5032
TCXO精度
±0.1ppm、±0.5ppm、±1.0ppm、±2.0ppm
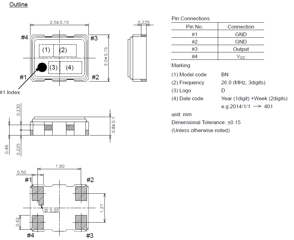
附:TCXO2520-26MHz资料如下:
Model Name : DSB221SDN
TCXO2520-26MHz电气参数

TCXO2520-26MHz外观尺寸:

TCXO2520-26MHz测试电路
