2026年01月01日 08:42:24 来源:深圳市晶诺威科技有限公司 >> 进入该公司展台 阅读量:9

(晶诺威科技无源晶振系列产品图)
常见无源晶振pin脚定义如下:
不管无源晶振(插件式还是贴片式)有2个pin脚、3个pin脚还是4个pin脚,贴片或焊接时,均不存在正负极之分,也不存在方向性,不要担忧贴反。
即:无源晶振的频率pin脚不分正负极
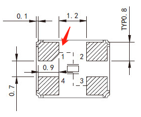
关于晶诺威科技产无源晶振引脚定义如下:
针对晶振本身而言:
两pin脚无源晶振:两个引脚的晶振不分输入和输出。一个pin脚为频率输出pin脚,另外一个pin脚就是频率输入pin脚。即使反过来,晶振依旧正常工作。
三pin脚晶振:两侧引脚为频率输出pin脚与频率输入pin脚,中间引脚接地。除了注意让这个接地pin脚去接地(GND),两侧引脚的用法与两脚晶振无异。
四脚贴片无源晶振:一般情况下,pin 1(缺角标识)和pin 3为频率输入引脚及频率输出引脚,其余两个pin脚(pin2和pin4)均为接地引脚。即使四脚贴片无源晶振旋转180度,也只是pin 1和pin 3互换位置,即输入pin脚变成了输出pin脚,而输出pin脚则变成输入pin脚,晶振依旧可以正常工作,不会导致任何性能及功能差异。但是若把pin2和pin4错当做信号脚接入电路,晶振是不会工作的。


在设计和使用无源晶振电路时,需要注意以下几点:
晶振布局:晶振电路应尽量远离干扰源,如电源、高频信号等,以免影响晶振的稳定性。
电容选择:晶振电路中的电容应选择合适的数值,以保证晶振的稳定性和工作频率。
阻尼电阻:为了提高晶振电路的稳定性,可以在晶振电路中加入适当的阻尼电阻。
晶振电路是单片机中的一部分,保证单片机的正常工作。在选择和使用晶振电路时,需要考虑频率、精度和封装等因素,并注意布局、电容选择和阻尼电阻的问题。