江崎中部办事处分享KAMLOK ADAPTER防尘塞规格聚丙烯制634-A-PP
2026年01月01日 08:43:14
来源:江西省江崎贸易有限公司 >> 进入该公司展台
阅读量:0
| 连接面 | 连接方法 | 接头规格 |
|---|
| 机器一侧 | 防尘盖/防尘塞(KAMLOK) | 1,1-1/2,2,3 |
| 型号 | : | 634-A-PP |
|---|
| 流体 | : | 空气 药品 饮料、饮用水 食品 涂料、溶剂 油 水(饮用除外) |
|---|
| 主材质 | : | 树脂(PP)
|
|---|
| 材料详情 | : | 接头主体:PP |
|---|
| 符合法律 | : | 符合RoHS2修正规制 特点:耐药品耐药品,寿命长。 轻量,提高操作性由树脂制成,十分轻便,接头的装卸及移动操作简单。
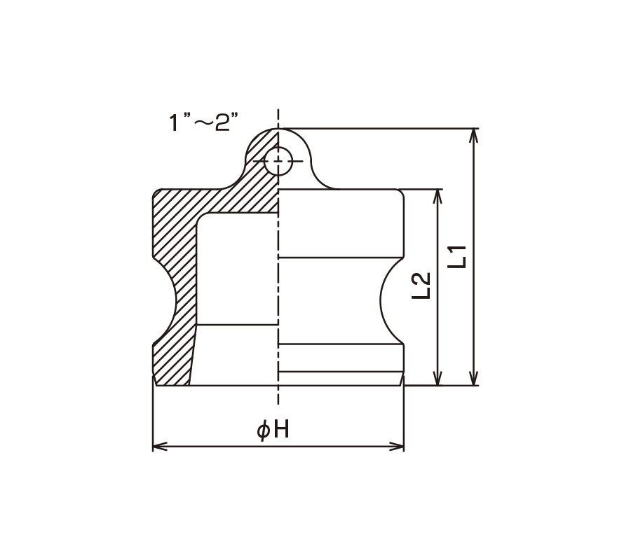
| 锁臂接头 | 634-A PP 尺寸(mm) |
|---|
KAMLOK ADAPTER 防尘塞规格 聚丙烯制 |  | H | L1 | L2 |
|---|
 | 1” | 37 | 45 | 33 |
|---|
| 1-1/2” | 54 | 55 | 42 | | 2” | 63 | 59 | 46 | | 3” | 92 | 74 | 58 |
接头主体:PP 

|
|---|
版权与免责声明:
1.凡本网注明"来源:中非贸易网"的所有作品,版权均属于中非贸易网,转载请必须注明中非贸易网。违反者本网将追究相关法律责任。
2.企业发布的公司新闻、技术文章、资料下载等内容,如涉及侵权、违规遭投诉的,一律由发布企业自行承担责任,本网有权删除内容并追溯责任。
3.本网转载并注明自其它来源的作品,目的在于传递更多信息,并不代表本网赞同其观点或证实其内容的真实性,不承担此类作品侵权行为的直接责任及连带责任。其他媒体、网站或个人从本网转载时,必须保留本网注明的作品来源,并自负版权等法律责任。
4.如涉及作品内容、版权等问题,请在作品发表之日起一周内与本网联系。