2026年01月01日 08:55:20 来源:深圳市晶诺威科技有限公司 >> 进入该公司展台 阅读量:4

(晶诺威科技4脚无源贴片SMD3225内部电路图)

(4脚无源贴片SMD3225内部放大图)
4个引脚无源晶振的脚位为对角接线,不用担忧贴反,即:这两个脚位不存在方向性,不分正负极。4脚无源晶振引脚内部电路图见上图。
注意:
4引脚无源晶振邻脚之间不可短路,否则将导致停振。举例:若频率管脚#1与接地脚#2短路,或与接地脚#4短路,晶振脚1将无频率输出。

(晶诺威科技4脚无源贴片SMD3225-8MHz产品图)
解释:
Pad Connections
Pad1& Pad3 are connected with the internal crystal.
Pad2 & Pad4 are connected with the metal lid, so they should be connected to the ground.

4脚无源晶振:pad 1和pad 3为频率输入引脚及频率输出引脚,其余两个pad脚(pad 2和pad 4)均为接地引脚,即使把它旋转180度,也只是pad 1和pad 3互换位置,即输入pad脚变成了输出pad脚,而输出pad脚则变成输入pad脚,没有任何差别,晶振正常工作,不会导致任何性能及功能性差异。因此,无源贴片晶振SMD3225的1脚和3脚可以对调。

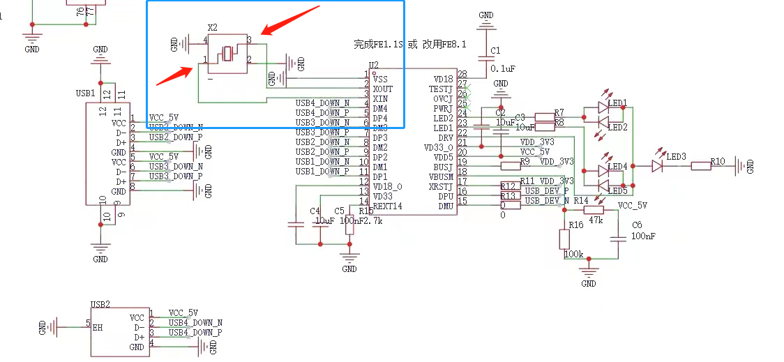
4脚无源晶振电路应用范例,如下图所示:
注:图中晶振未加外接电容。
