OSC7050石英晶体振荡器72MHz规格书
- Size:7.0mm*5.0mm
- Nominal Frequency: 72.000MHz
- Oscillation mode: Fundamental
- Output Waveform: CMOS
- Frequency Accuracy:(25℃+3℃) <±30PPM
- Frequency Tolerance vs Temperature: ≤ 30PPM
- Operating Temperature Range: -20℃~+70℃
- Storage Temperature Range: -55℃to~125℃
- Input Voltage(VnD): +1.8Vdc±10%
- Input Current(IbD): 10mA max
- Output Symmetry: 50%±10%
- Rise/ fall Time: 5ns max
- Output Voltage VoL: 10% VDD
- VoH: 90%VDD
- Output Load: 15pF
- Output State Control: Enable/Disable
- Start-up Time: 3ms max
- Standby current: 10uAmax
- Phase Jitter(ms): 1ps ms max 12KHz to 20MHz max
- Aging: 土3ppm /year
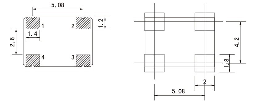
OSC7050石英晶体振荡器72MHz脚位尺寸说明

OSC7050石英晶体振荡器72MHz外形尺寸说明

OSC7050石英晶体振荡器72MHz引脚说明及测试电路图
