晶诺威科技OSC7050有源晶振125MHz规格书及使用说明如下:

(晶诺威科技OSC7050有源晶振125MHz产品图)
- 标称频率Nominal Frequency:125.000MHZ
- 尺寸Size:7.0mm*5.0mm
- 频率准确度(25℃±3℃) Frequency Accuracy: ≤±30PPM
- 频率温度稳定度Frequency Tolerance vs Temperature: ≤±30PPM
- 仓储温度范围Storage Temperature Range:-40℃~ +85℃
- 电源电压Supply Voltage: +3.3Vdc±10%
- 输出波形Output Waveform:方波TTL/HCMOS
- 占空比Duty Cycle: 45% ~ 55%
- 上升,下降沿时间Rise/fall Time: 6ns max
- 老化率Aging:3ppm max/year
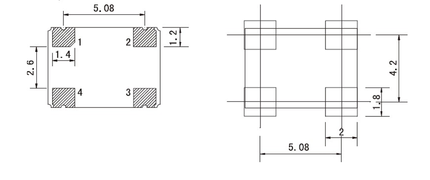
OSC7050有源晶振125MHz外形尺寸图 单位:mm(毫米))

OSC7050有源晶振125MHz焊盘说明

OSC7050有源晶振125MHz测试电路及管脚说明

OSC7050有源晶振125MHz管脚识别方法:

OSC7050有源晶振125MHz回流焊作业说明
