2026年01月01日 09:10:07 来源:深圳市晶诺威科技有限公司 >> 进入该公司展台 阅读量:9

几乎每款智能数码产品都有其独特的单片机系统,而一个线路板则由诸多单元组成,如:单片机最小系统主要由电源、复位、振荡电路以及其它扩展部分构成。若要设计一个完整的振荡电路,晶振就是首先要考虑的的频率元件。
晶振的作用是结合单片机内部电路,产生单片机所需的时钟频率。单片机晶振提供的时钟频率越高,那么单片机运行速度就会越快。系统所有指令的执行都是以晶振提供的时钟频率为基础。

晶振通常分为无源晶振和有源晶振两种类型:无源晶振,英文为Crystal,中文全称为石英晶体谐振器,而有源晶振英文则叫做Oscillator,中文全称为石英晶体振荡器。
有源晶振是一个完整的谐振振荡器,利用石英晶体的压电效应来起振,所以有源晶振需要供电。当我们把有源晶振电路做好后,不需要外接电路,它就可以主动产生振荡频率,并且可以提供高精度的频率基准,信号质量比无源信号好。
无源晶振和有源晶振的焊盘脚位区别:
普通有源晶振通常有4个引脚,VCC,GND,晶振输出引脚和一个悬空引脚。

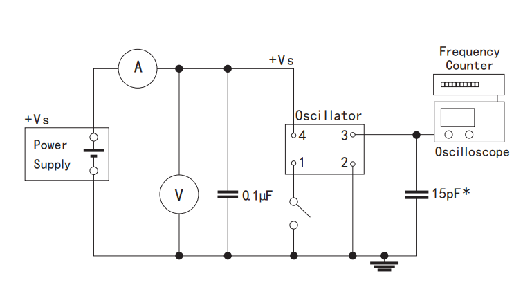
有源晶振测试电路如下:

关于无源晶振的常识
若为2引脚,分别为频率输入脚和频率输出脚,不具备方向性,不用担心接反;若为3引脚,中间引脚已与晶振外壳连接,接地(GND)即可,两侧引脚同2引脚晶振一样,不具备方向性。若为4引脚,脚1与脚3为频率输入脚和频率输出脚,不具备方向性,不用担心接反。脚2与脚4一般与晶振外壳连接,可接地(GND),也可悬空处理。


无源晶振和有源晶振接法基本原理:
无源晶振:用单片机上的两个晶振引脚接上去即可(频率输入脚和频率输出脚)
有源晶振:只接到单片机的晶振的输入引脚上,输出引脚无需连接。
※晶振知识小贴士
在电子学上,通常将含有晶体管元件的电路称作“有源电路”(如有源音箱、有源滤波器等),而仅由阻容元件组成的电路称作“无源电路”。电脑中的晶体振荡器也分为无源晶振和有源晶振两种类型。无源晶振与有源晶振的英文名称不同,无源晶振为Crystal(晶体),而有源晶振则叫做Oscillator(振荡器)。无源晶振是有2个引脚的无极性元件,需要借助于时钟电路才能产生振荡信号,自身无法振荡起来;有源晶振有4只引脚,是一个完整的振荡器,其中除了石英晶体外,还有晶体管和阻容元件。