2026年01月01日 09:53:54 来源:深圳市晶诺威科技有限公司 >> 进入该公司展台 阅读量:21

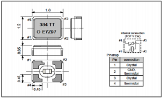
(爱普生EPSON热敏晶振38.4MHz内部电路图)
热敏晶振
内置热敏电阻的晶振就是热敏晶振,也被称为热敏电阻晶振。
热敏晶振工作原理
在普通贴片晶振里内置热敏电阻及变容二极管。利用变容二极管的容变功能,再结合热敏电阻传感功能,就出现了具备温度传感功能的热敏晶振。
热敏晶振优势特点
热敏晶振能够避免因工作温度变化而造成的频率偏差过大问题。通过保持一个可控方位的频率输出,热敏晶振给CPU提供稳定且精准的频率信号。
爱普生(EPSON)热敏晶振常用型号及频点
FA-20HS(料号: X1E0002910026): 26MHz ,±12ppm(-30℃~+85℃), 封装尺寸为2.5 mm×2.0 mm×1.0mm
FA1612AS: 38.4MHz/76.8MHz, ±12ppm(-30℃~+85℃),外形尺寸为1.6 mm×1.2 mm×0.65mm
热敏晶振应用领域
智能手机、智能电表、智能水表,蓝牙、WIFI、空调等