2026年01月01日 09:57:38 来源:深圳市晶诺威科技有限公司 >> 进入该公司展台 阅读量:11
正弦波晶体振荡器电路
指不需要输入信号控制就能够自动地将直流电转换成特定的频率和振幅的电路。
正弦波有四个组成要素放大电路、选频网络、反馈网络和稳幅电路。常用的有输出大功率、频率高的电容反馈振荡器和输出功率小,频率低的电感反馈振荡器。
LC正弦波振荡器、反馈型LC正弦波振荡器是LC正弦波振荡器的主要电路型式。LC选频网络既是放大器的负载,又有一部分是正反馈网络。根据反馈电路的形式不同,可分为变压器耦合反馈式、电感分压反馈式和电容分压反馈式。电感分压反馈式和电容分压反馈式电路中电感分压器和电容分压器的三端分别和电子器件的三个电极相连,又称三端(或三点)式振荡电路。电感三端式又称哈特莱电路,电容三端式又称科皮兹电路。
(1)石英晶体振荡器:为提高振荡器的频率稳定度,将LC振荡器中选频网络的一部分用石英晶体替代的振荡器。为了保证振荡器的振荡频率是在石英晶体控制下产生的,石英晶体接入线路的方式有两种:一种是将石英晶体取代LC振荡器的一个电感。石英晶体在电路起振后呈现感抗,和电路中的电感L、电容C组成一个并联振荡回路。这种电路称为并联型石英晶体振荡器。另一种是将石英晶体串接在放大器的正反馈电路中。在石英晶体的串联谐振频率上,石英晶体呈现很低的阻抗,正反馈,很容易激起振荡,这种电路称为串联型石英晶体振荡器。
(2)负阻型LC正弦波振荡器:由具有负微变电阻的器件和LC选频网络构成的正弦波振荡器。根据所采用的负阻器件的特性不同,电路的构成有所不同。采用流控型器件时,要求直流供电电源具有较高的内阻,器件应和LC元件组成串联振荡回路;采用压控型器件时,要求直流供电电源有较低的内阻,器件应和LC元件组成并联振荡回路。
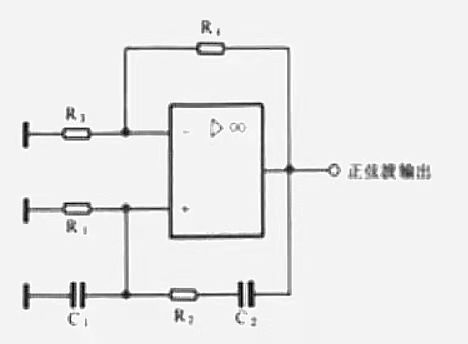
RC正弦波振荡器的振荡频率反比于RC选频阿络元件RC的乘积。用增大电阻阻值的方法降低振荡频率,不会像LC振荡器中增大电感量那样会使元件体积和重量加大,故RC振荡器可工作在低频段。应用泛的RC振荡电路,如文氏电桥电路,如下图中,R1、C1、R2、C2组成具有选频特性的正反馈网络。R3和R4组成负反馈网络。引入的负反馈超过正反馈,便可以减小工作频率的谐波成分,减少波形失真,改善波形。如果将R3选择为具有正温度系数的电阻,或是将R4选择为热敏电阻,便可以收到稳幅的效果。

(文氏电桥电路图例)