・用于地板隔振等建筑物隔振
・设备隔振等一般隔振
2026年01月02日 08:33:05 来源:江西省江崎贸易有限公司 >> 进入该公司展台 阅读量:13
即使在具有不同支撑载荷的地方也可以进行恒定高度的施工
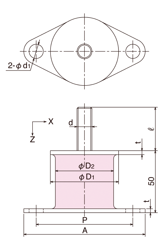
| 商品编号 | 标准尺寸 mm | Z 方向轴承载荷 N {kgf} | 允许载荷 N {kgf} | Z 方向弹簧常数 Kz N/mm {kgf/cm} | 刚度比 Kx/Kz | ||||||||
|---|---|---|---|---|---|---|---|---|---|---|---|---|---|
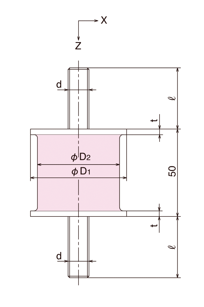
| D₁ | D₂ | t | d | ℓ | 一个 | P | 天 1 | Z 方向 | X 方向 | ||||
| KHA-55 型 | 55 | 47 | 3.2 | M12 系列 | 35 | - | - | - | ~ 880 { 90 } | 1760 { 180 } | 330 { 34 } | 200 { 200 } | 0.19 |
| KHA-65 型 | 65 | 56 | 3.2 | M12 系列 | 35 | - | - | - | ~ 1270 { 130 } | 2550 { 260 } | 460 { 47 } | 290 { 300 } | 0.18 |
| KHA-75 型 | 75 | 65 | 4.5 | M12 系列 | 45 | - | - | - | ~ 1860 { 190 } | 3720 { 380 } | 660 { 67 } | 450 { 460 } | 0.18 |
| KHA-80 型 | 80 | 70 | 4.5 | M12 系列 | 45 | - | - | - | ~ 2250 { 230 } | 4510 { 460 } | 770 { 79 } | 550 { 560 } | 0.17 |
| KHA-90 型 | 90 | 80 | 4.5 | M12 系列 | 45 | - | - | - | ~ 3040 { 310 } | 6080 { 620 } | 960 { 98 } | 730 { 740 } | 0.16 |
| KHA-100 型 | 100 | 90 | 4.5 | M16 系列 | 45 | - | - | - | ~ 4750 { 485 } | 9500 { 970 } | 1370 { 140 } | 1140 { 1160 } | 0.14 |
| KHB-55型 | 55 | 47 | 3.2 | M12 系列 | 35 | 98 | 78 | 11.5 | ~ 880 { 90 } | 1760 { 180 } | 330 { 34 } | 200 { 200 } | 0.19 |
| KHB-65型 | 65 | 56 | 3.2 | M12 系列 | 35 | 116 | 92 | 11.5 | ~ 1270 { 130 } | 2550 { 260 } | 460 { 47 } | 290 { 300 } | 0.18 |
| KHB-75型 | 75 | 65 | 4.5 | M12 系列 | 45 | 126 | 102 | 11.5 | ~ 1860 { 190 } | 3720 { 380 } | 660 { 67 } | 450 { 460 } | 0.18 |
| KHB-80型 | 80 | 70 | 4.5 | M12 系列 | 45 | 136 | 108 | 13.5 | ~ 2250 { 230 } | 4510 { 460 } | 770 { 79 } | 550 { 560 } | 0.17 |
| KHB-90型 | 90 | 80 | 4.5 | M12 系列 | 45 | 141 | 117 | 13.5 | ~ 3040 { 310 } | 6080 { 620 } | 960 { 98 } | 730 { 740 } | 0.16 |
| KHB-100型 | 100 | 90 | 4.5 | M16 系列 | 45 | 166 | 134 | 13.5 | ~ 4750 { 485 } | 9500 { 970 } | 1370 { 140 } | 1140 { 1160 } | 0.14 |
KHA 型有 2 个六角螺母和 2 个弹簧垫圈,KHB 型有 1 个六角螺母和 1 个弹簧垫圈。
橡胶材料为天然橡胶,硬度为 50。
・用于地板隔振等建筑物隔振
・设备隔振等一般隔振