广告招募

当前位置:中非贸易网 > 技术中心 > 所有分类

江崎推荐KURAKA仓敷化工 轮胎式安装座RE系列

2026年01月02日 08:54:19      来源:江西省江崎贸易有限公司 >> 进入该公司展台      阅读量:1

分享:

垂直、垂直和水平负载以及承受大冲击负载的设备进行隔振

用于隔离垂直和水平施加负载的设备或承受较大冲击负载的设备振动。 此外,它还具有减振和出色的耐用性。


性能和特点

1. 非常适合移动机器

适用于工程机械等在上、下、水平方向承受较大冲击载荷的设备隔振。

2. 易于构建

它结构简单,易于安装。

3. 良好的抗振性能

它在各个方向上都有的防振效果。 在发动机等的使用中,它在正常运行期间特别有效。

4. 支持大负载

由于安装座采用预压安装,因此可以获得相对较大的弹簧刚度,尽管尺寸小,但可以支撑大负载。

5. 良好的耐用性

该支架经过拧紧和使用,因此即使在承受较大的冲击载荷时也具有足够的耐用性。

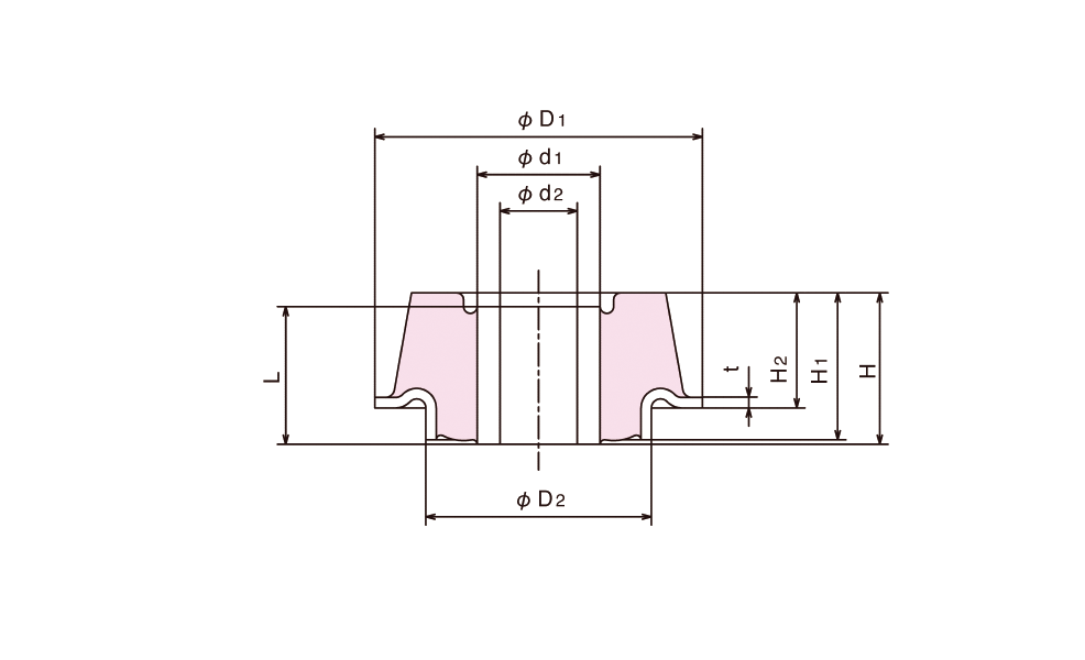
规格和标准

商品编号 标准尺寸 mm 橡胶硬度
(JIS)
Z 方向轴承载荷
N {kgf}
弹簧常数 N/mm {kgf/cm} 使用的螺栓
D₁ D₂ d₁ d₂ L H H₁ H₂ t D₃ H₃ T Z 方向 X 方向
RE-38  38 25 15.5 10.5 15.6 17.1 17.1 13.6 1.6 25+0.2 11.1 9 45 ~ 390 { 40 } 590 { 600 } 690 { 700 } M10 系列
RE-52  52 35 20 12.5 23.6 26.6 26.6 21.6 1.6 35+0.2 17.6 12 45 ~ 780 { 80 } 690 { 700 } 690 { 700 } M12 系列
RE-72(35) 72 50 27 17 30.3 33.3 32.3 25.3 2.3 50+0.2 20.8 19 35 ~ 980 { 100 } 860 { 880 } 740 { 750 } M16 系列
RE-72  45 ~ 1500 { 150 } 1180 { 1200 } 980 { 1000 }
RE-72(60) 60 ~ 2000 { 200 } 1960 { 2000 } 1770 { 1800 }
RE-98(35) 98 60 31 21 34.8 37.8 37.3 27.3 2.3 60+0.2 22.3 25 35 ~ 2000 { 200 } 1770 { 1800 } 930 { 950 } M20 系列
RE-98 45 ~ 2900 { 300 } 2450 { 2500 } 1270 { 1300 }
RE-98(60) 60 ~ 4400 { 450 } 4220 { 4300 } 2260 { 2300 }
RE-132  132 80 40 25 41.2 45.2 45.2 35.2 3.2 80+0.2 28.7 25 45 ~ 4400 { 450 } 3730 { 3800 } 1470 { 1500 } M24 系列
RE-132(60) 60 ~ 7800 { 800 } 6370 { 6500 } 2650 { 2700 }

橡胶材料为天然橡胶。 特征是以 2 为一组的值。

用法说明

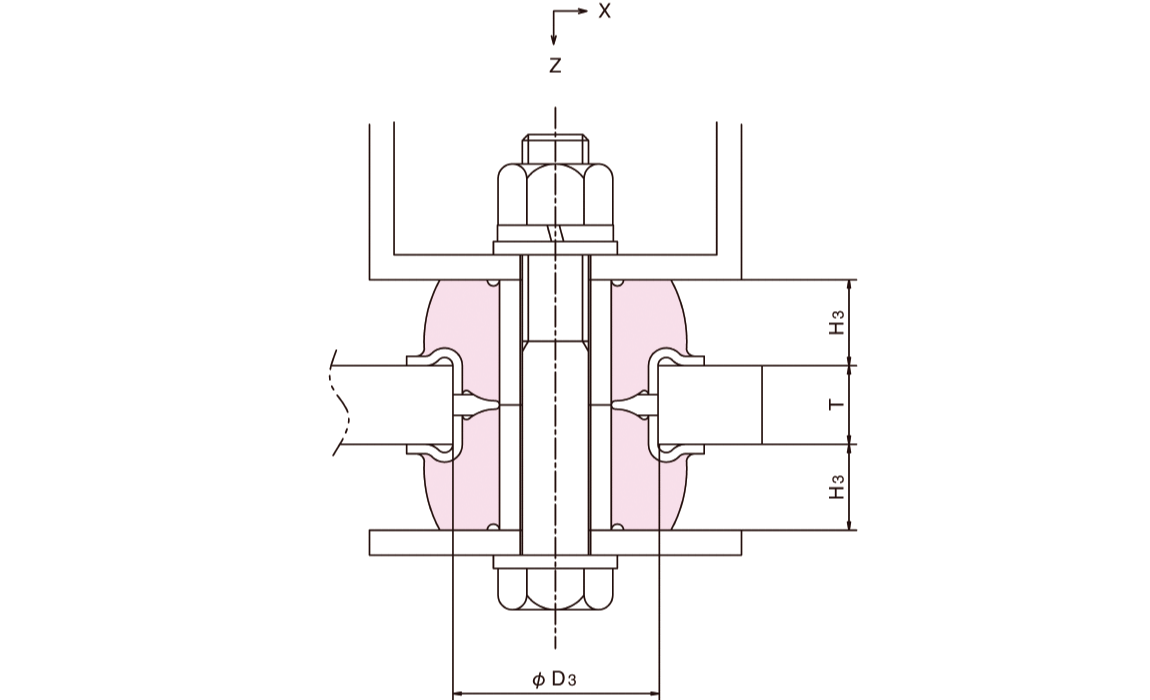
安装图

1. 安装座以两个为一组使用。 支架厚度 T 的钢材应由客户准备。
2. 如果支撑点负载的不平衡性较大,则需要正确使用支架。
3. 支架的支架可用于主体侧或振动体侧。
4. 组装支架并拧紧螺栓以固定。 拧紧直到支架的内筒配件相互碰撞,以免它们在作过程中松动。
5. 可用环境温度为 -30°C~50°C。
6. 避免油污和阳光照射在橡胶部分。
7. 如果您想将其用作工程机械的发动机支架,请联系我们。

主要应用

・滑墙
・发动机
・发电机

版权与免责声明:
1.凡本网注明"来源:中非贸易网"的所有作品,版权均属于中非贸易网,转载请必须注明中非贸易网。违反者本网将追究相关法律责任。
2.企业发布的公司新闻、技术文章、资料下载等内容,如涉及侵权、违规遭投诉的,一律由发布企业自行承担责任,本网有权删除内容并追溯责任。
3.本网转载并注明自其它来源的作品,目的在于传递更多信息,并不代表本网赞同其观点或证实其内容的真实性,不承担此类作品侵权行为的直接责任及连带责任。其他媒体、网站或个人从本网转载时,必须保留本网注明的作品来源,并自负版权等法律责任。 4.如涉及作品内容、版权等问题,请在作品发表之日起一周内与本网联系。