广告招募

当前位置:中非贸易网 > 技术中心 > 所有分类

江崎推荐KURAKA仓敷化工 组装安装座KSC系列

2026年01月02日 09:12:56      来源:江西省江崎贸易有限公司 >> 进入该公司展台      阅读量:7

分享:

结合了“螺旋弹簧”和原始阻尼机构的混合支架

它是一种混合支架,具有紧凑的机身、精致的设计、复合螺旋弹簧和独特的阻尼机构。


性能和特点

- 易于操作
- 无需气源 

- 无需维护

出色的抗振性能

优化设计在垂直和水平方向上均具有出色的抗振性能。

阻尼性能抑制了晃动

阻尼机构在不影响隔振性能的情况下,保持较低的共振放大倍率,并加快了振荡的收敛。

隔振性能(振动传递率)

衰减时间波形

规格和标准

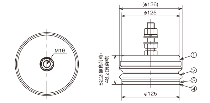
无调平螺栓

各部件名称: (1) 外壳 (2) 盖板 (3) 底板 (4) 橡胶板

商品编号静态弹簧常数
N/mm {kg/mm}
支撑负载
N
隔振性能(垂直)
固有频率共振峰
KSC-100 型70 { 7 }780 ~ 980 5~6赫兹15dB 或更低
(10~30°C)
KSC-150 型105 { 11 }980 ~ 1470 
KSC-200 型140 { 14 } 1470 ~ 1960 
KSC-300 型210 { 21 }1960 ~ 2940 
KSC-400 型280 { 29 } 2940 ~ 3920
KSC-560 型390 { 40 }3920 ~ 5490 

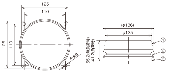
带调平螺栓

各部件名称: (1) 外壳 (2) 盖板 (3) 底板 (4) 橡胶板

商品编号静态弹簧常数
N/mm {kg/mm}
支撑负载
N
隔振性能(垂直)
固有频率共振峰
KSC-100L 系列70 { 7 }780 ~ 980 5~6赫兹15dB 或更低
(10~30°C)
KSC-150L 系列105 { 11 }980 ~ 1470 
KSC-200L 系列140 { 14 }1470 ~ 1960 
KSC-300L 系列210 { 21 }1960 ~ 2940 

用法说明

安装示例

・ 在宽表面上使用大量工件时,请*好配置与支撑点负载相匹配的零件编号。
・将机械设备放置在 Compo 支架上时,请缓慢而安静地工作。

安装方法

如何调整调平

主要应用

通用设备及器材

(注意:避免在产生较大冲击振动的机器上直接使用)

防震浮动地板结构

运动健身房地板、设备地板、工作室地板

版权与免责声明:
1.凡本网注明"来源:中非贸易网"的所有作品,版权均属于中非贸易网,转载请必须注明中非贸易网。违反者本网将追究相关法律责任。
2.企业发布的公司新闻、技术文章、资料下载等内容,如涉及侵权、违规遭投诉的,一律由发布企业自行承担责任,本网有权删除内容并追溯责任。
3.本网转载并注明自其它来源的作品,目的在于传递更多信息,并不代表本网赞同其观点或证实其内容的真实性,不承担此类作品侵权行为的直接责任及连带责任。其他媒体、网站或个人从本网转载时,必须保留本网注明的作品来源,并自负版权等法律责任。 4.如涉及作品内容、版权等问题,请在作品发表之日起一周内与本网联系。