2026年01月03日 08:11:41 来源:深圳市晶诺威科技有限公司 >> 进入该公司展台 阅读量:6
贴片晶振2520型号主要分为无源晶振SMD2520和有源晶振OSC2520两大类,而有源晶振又可分为普通有源晶振OSC2520和高精度温补晶振(温补晶振TCXO2520和压控温补晶振VC-TCXO2520),介绍如下:
无源晶振SMD2520
无源晶振SMD2520主要规格参数:
频率范围:16.000MHz to 50.000MHz
体积:2.5×2.0x0.55mm
调整频差:±10ppm to ±30ppm
温度频差:±10ppm to ±30ppm
工作温度(°C):-20~+70,-40~+85
负载电容:12pF,20pF或定制
等效电阻:16 to 20MHz <100Ω,20 to 30MHz<80Ω,30 to 40MHz<60Ω, 40 to 50MHz<40Ω
激励功率:10μw (100μW max.)
年老化率:±3ppm/ year max.
无源晶振SMD2520焊盘尺寸说明

有源晶振OSC2520
有源晶振OSC2520主要规格参数:
频率范围:1.000MHz to 64.000MHz
体积:2.5×2.0x0.9mm
工作电压:1.8V to 3.3V
调整频差:±10ppm to ±30ppm
工作温度(°C):-20~+70,-40~+85
输出方式:Cmos
输出负载:15pF
占空比:45% to 55%
上升/下降时间:5 nS max
功耗:1 to 50MHz <15mA,50 to 64MHz <25mA
有源晶振OSC2520焊盘尺寸说明

温补晶振TCXO2520
举例:
温补晶振TCXO2520-32MHz主要规格参数
标称频率:32.000MHz
频率稳定性:±2PPM
型号:DSB221SDN
规格料号:1XXB32000PAA

温补晶振TCXO2520-32MHz焊盘尺寸说明

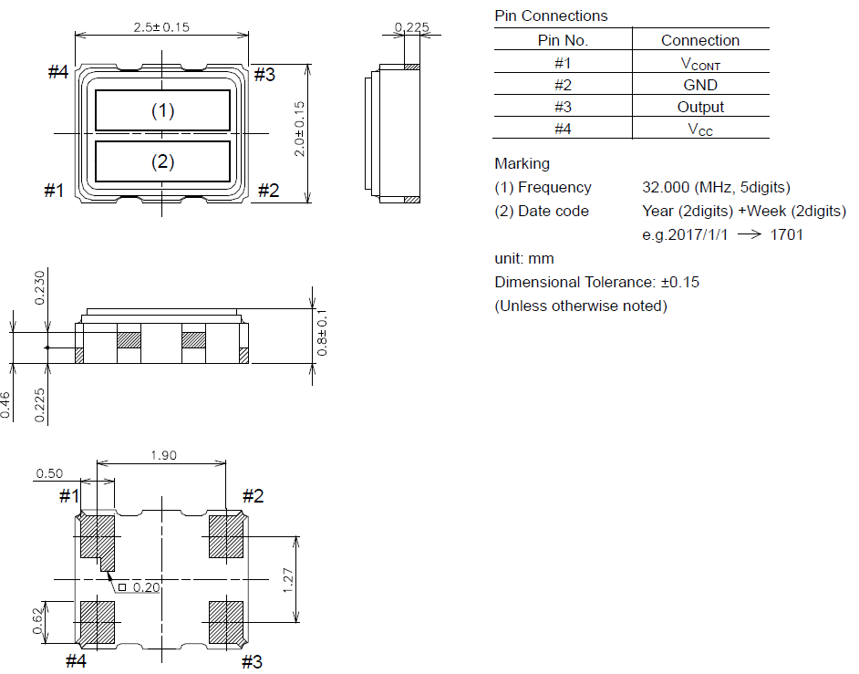
压控温补晶振VC-TCXO2520
举例:
压控温补晶振VC-TCXO2520-19.2MHz主要规格参数
标称频率:19.200MHz
频率稳定性:±0.5PPM
型号:DSA211SDN
规格料号:7DF01920A08

压控温补晶振VC-TCXO2520-19.2MHz焊盘尺寸说明
