2026年01月03日 08:15:45 来源:深圳市晶诺威科技有限公司 >> 进入该公司展台 阅读量:6
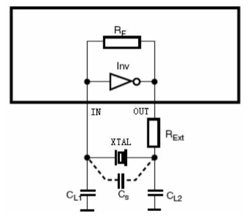
大多数晶振电路都是采用电容三点式振荡电路,Pierce电路就是其中一种应用泛的电路,它的电路结构如下图:

(晶振电路的 Pierce电路)
其中,
Inv:芯片内部反相器;
RF:反馈电阻,一般集成在芯片内部,也有的芯片内部不集成RF;
XTAL:石英晶体;
CL1、CL2:补偿负载电容;
CS:由于PCB布线、连接等产生的寄生电容。
R Ext:外部限流电阻。
该电路的负载电容CL:

如上图所示,Inv 和RF构成放大器,其余电路组成反馈网络。信号经过反相器,产生180°相移,在晶体的并联谐振频段内,晶体和其负载电容提供另外180°相移,这样也就满足了晶体的相位起振条件。

共振环路,原始的振荡发生在此。反馈环路,激励电路振荡并补偿电路中的能量损失。共振环路中的石英晶体确保振荡只在其共振频率下发生,因为它在此频率上提供性能。
补偿负载电容越大,晶振电路的工作频率越低;补偿负载电容越小,晶振电路的工作频率越高。可以通过调节补偿负载电容来调节晶振电路的工作频率。增大反相器输出端的补偿负载电容CL2或者减小反相器输入端的补偿负载电容CL1可以提高反馈系数,增大环路增益。在实际晶振电路中,当晶振电路不起振或者起振过慢,可以适当增大CL2或者减小CL1。
根据晶体规格书中要求的负载电容CL的值和上面的负载电容公式计算外部补偿负载电容CL1和CL2的值,一般CL1、CL2的值相等,寄生电容CS的值取4pF~6pF。另外,考虑到晶体的频率稳定性,负载电容的容值应不随环境变化而变化或变化很小,C1和C2应选取NP0的电容。
拓展阅读:皮尔斯振荡器的应用
由于皮尔斯振荡器具有很好的频率稳定性和低相位噪声,因此在射频和微波领域中有着广泛的应用。以下是一些典型的应用案例:

1、无线通信系统:
皮尔斯振荡器可以作为无线通信系统中的本地振荡器,为混频器提供稳定的本振信号。这对于保证通信质量和降低误码率至关重要。
2、雷达系统:
在雷达系统中,皮尔斯振荡器可以用于产生稳定的发射信号和接收信号。这有助于提高雷达的探测距离和分辨率。
3、导航系统:
在GPS、GLONASS等导航系统中,皮尔斯振荡器可以用于产生高精度的时钟信号。这对于提高导航精度和可靠性至关重要。
4、测试仪器:
在射频和微波测试仪器中,皮尔斯振荡器可以用于产生稳定的频率信号,以便对被测设备进行准确的性能评估。
5、科学研究:
在科学研究中,皮尔斯振荡器可以用于产生特定频率的信号,以便进行各种物理实验和研究。
总之,皮尔斯振荡器作为一种高性能的电子振荡器,在射频和微波领域中有着广泛的应用。它的高稳定性、低相位噪声和良好的频率稳定性使其成为许多关键应用的理想选择。