2026年01月04日 08:47:05 来源:深圳市晶诺威科技有限公司 >> 进入该公司展台 阅读量:10
尽管石英晶体谐振器出厂后其标称频率已经固定,但在某些应用中,我们不得不调整或”牵引”晶体谐振器的谐振频率,以适应谐振频率中可能需要的微小变化。晶体存在牵引系数,因此我们可以通过调整外部电容来适当调整/牵引石英晶体谐振器的实际输出频率。


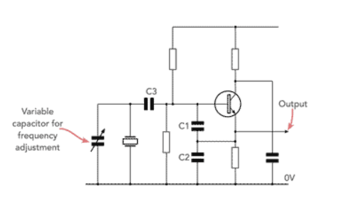
(Colpitts振荡器电路)
从本质上讲,我们主要通过改变振荡电路中的负载电容来牵引晶体振荡器频率,以便使其控制在在可用范围之内。比如在的Colpitts振荡器电路中,在晶体谐振器两端使用一个可变电容,以便进行适当调整。此外,在保持电路正常运行的情况下,我们可以通过降低电容C1和C2的电容值来降低其它元件给电路带来的负载电容,这样方便进行更多调整动作。
举例:晶诺威科技无源直插晶振49S-24.576MHz频率牵引范围如下:

幸运的是晶体谐振器在稳定性和Q品质因数方面具备良好性能,即使振荡器频率在牵引下发生了微小变化,但对于大多数应用来说,晶体谐振器的性能仍然绰绰有余。
频率调整常见于温度补偿晶体振荡器TCXO,其中温度传感器用于馈送电路,该电路随温度变化而使频率自动靠近中心频率,因此可用于高精度GPS定位设备。
在大多数应用中,使用具备压控功能的温度补偿晶体振荡器VC-TCXO来调整频率更方便,因为这意味着它可以被整合到各种电子电路设计中。