2026年01月04日 08:53:16 来源:深圳市晶诺威科技有限公司 >> 进入该公司展台 阅读量:5
Pierce 或 Colpitts 振荡器通常与晶体一起使用,以产生时钟或频率参考,这两种振荡器电路均称为“三点振荡器”。

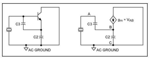
(带晶振的三点振荡器的等效电路)

( Colpitts oscillator)

( Pierce oscillator)
负性阻抗(负电阻)具有以下特征:

(Negative resistance versus load capacitance at 10MHz with transconductance of 5mA/V; load capacitance is due to the series combination of C3 and C2.)

(Negative resistance versus transconductance at 10MHz with load capacitance of 10pF; load capacitance is due to the series combination of C3 and C2 (each at 20pF).)