2026年01月04日 09:06:48 来源:深圳市晶诺威科技有限公司 >> 进入该公司展台 阅读量:4

两个引脚的晶振都是无源晶振,没有输入端和输出端之分,其本身也没输出波形差异之分。无源晶振内部实质就是一个石英晶片,一个引脚施加激励功率,另一个引脚就会产生谐振。因为石英晶片属于自然振动,所以产生的必然是最基础的波——正弦波。

晶诺威科技详解如下:
1、无源晶振是利用石英晶体(二氧化硅的结晶体)的压电效应制成的一种谐振器件,它的基本构成大致是:从一块石英晶体上按一定方位角切下薄片(简称为晶片,它可以是正方形、矩形或圆形等),在它的两个对应面上涂敷银层作为电极,在每个电极上各焊一根引线接到管脚上,抽真空后填充氮气,最后封装外壳就构成了石英晶体谐振器,简称为石英晶体、晶体或无源晶振。
2、对石英晶体电介质施加机械力而引起它们内部正负电荷中心相对位移,产生极化,从而导致介质两端表面内出现符号相反的束缚电荷。在一定应力范围内,机械力与电荷呈线性可逆关系,这种现象称为压电效应,因此无源晶振的两个引脚不分输入端和输出端。

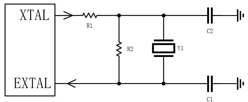
(晶诺威科技产四脚/焊盘无源晶振引脚说明)
3、在振荡电路中,石英谐振器取代谐振回路电感L。由于石英谐振器Q值很高,因此它因具有可靠性高、精度高及频率稳定度高等优点而被数字电路广泛采用。
无源晶振输出频率测试位置如下:

4、在无源晶振电路中,我们通常给晶振两个引脚分别加一颗合适的等值外接电容。石英晶体谐振器有一个很重要的参数牵引量TS,单位为ppm/pF,即每pF电容改变的频率量。由此可见,调整这个电容可以在小范围内修正振荡器的输出频率。

注:
与无源晶振不同,有源晶振没有频率输入脚,只有一个频率输出脚。
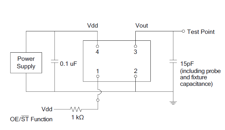
晶诺威科技产有源晶振OSC3225引脚说明,如下图所示:

有源晶振频率信号测试位置:
一般为频率输出端#3脚,如下图所示:

关于无源晶振为Crystal(晶体)和有源晶振Oscillator(振荡器)的进一步解释说明
在电子学上,通常将含有晶体管元件的电路称作“有源电路”(如有源音箱、有源滤波器等),而仅由阻容元件组成的电路称作“无源电路”。电脑中的晶体振荡器也分为无源晶振和有源晶振两种类型。无源晶振与有源晶振的英文名称不同,无源晶振为Crystal(晶体),而有源晶振则叫做Oscillator(振荡器)。无源晶振是有2个引脚的无极性元件,需要借助于时钟电路才能产生振荡信号,自身无法振荡起来;有源晶振有4只引脚,是一个含IC在内的完整振荡器。